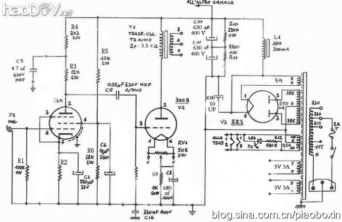
|
00 电路如图
01 输出牛选用了咪咪版主的灌封输出牛。外面大度,声音也一样大度。独一的遗憾就是电牛罩没买到玄色的,不外这样也不算很丢脸。
02 管子选用了曙光网屏的300B,开机时可以明明的望见灯丝亮起。
03 内部元件的分列布局、连线方法。
04 电压放大级:先别离一点接地,然后汇入总地线。用的是西电的油腊麻布线。
05 博山杨师傅提供的骨董线绕均衡电位器质量很是好
06 直流电压有400V,以是用了两只RIFA 630UF电容串联事变更安详,用紫铜条毗连,同时还可以起到牢靠的浸染。可谓一石二鸟。
08 分流电位器用的是汕头原音的制品。所有效DALE 1%电阻焊成。
09 开始用的战神油浸交联,感受高频过亮、中频不如斯碧VQ来的浓烈、密切。而VQ的高频其实是施展不出300B的特点,哎~看来还得继承进补才行
10 起源装机完成调试中
11 背板图片:台湾产小开关,用来选择讯源输入。
听了一段时刻之后,进入后期改造、校声阶段:
加装了一个本身搭的60秒继电器高压延时启动电路很是简朴、适用、靠得住
延时电路道理图,在实做时必要在继电器的触点上并联一只消火花电容,这样可以延迟触点的行使寿命。
|















(责任编辑:admin)






















