最好的电子音响科技diy制作网站

haoDIY_音响电子电脑科技DIY小制作发明

当前位置: 主页 > 音响DIY > 胆机DIY > 后级DIY >

制作6H9C(6n9p)+6n3C(6p3p)电子管单端 胆机功放

时间:2013-04-01 12:54来源:www.crystalradio.cn 作者:卑贱 点击:
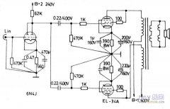
变压器和机壳是订做的300,电子管和零配件是自己经常去旧货市场偶尔碰到就买回来的,电子管每个8元.4个36,管座每个2元,电容0.5-1元每个,输出接头6个6元,电位器是坏的日本小功放拆出来的. 这个是电路图,前级管也可以直接换上6H8C或者6N8P 电路图~3.JPG (
变压器和机壳是订做的300,电子管和零配件是自己经常去旧货市场偶尔碰到就买回来的,电子管每个8元.4个36,管座每个2元,电容0.5-1元每个,输出接头6个6元,电位器是坏的日本小功放拆出来的.

制作6H9C(6n9p)+6n3C(6p3p)电子管单端 胆机功放 


制作6H9C(6n9p)+6n3C(6p3p)电子管单端 胆机功放 


制作6H9C(6n9p)+6n3C(6p3p)电子管单端 胆机功放 

这个是电路图,前级管也可以直接换上6H8C或者6N8P

电路图~3.JPG (47.81 KB, 下载次数: 10)

 

制作6H9C(6n9p)+6n3C(6p3p)电子管单端 胆机功放

 

(责任编辑:admin)
织梦二维码生成器
顶一下
(0)
0%
踩一下
(2)
100%
------分隔线----------------------------
发表评论
请自觉遵守互联网相关的政策法规,严禁发布色情、暴力、反动的言论。
评价:
表情:
用户名: 验证码:点击我更换图片
栏目列表
推荐内容