最好的电子音响科技diy制作网站

haoDIY_音响电子电脑科技DIY小制作发明

当前位置: 主页 > 音响DIY > 胆机DIY > 后级DIY >

又小烧,6f2+6C19电子管小单端胆机功放开工(2)

时间:2013-05-19 15:31来源:www.crystalradio.cn 作者:chuang19a 点击:
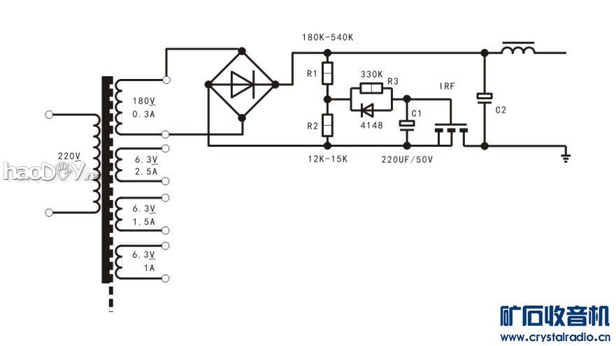
今天先讨论下电源,在隔离论坛找了张高压延迟软启动的电路,照瓢画葫芦,山寨了一个 电源高压延迟软启动.jpg (35.95 KB, 下载次数: 1) 内部裸照,比较乱。 IMG_8722.jpg (111.09 KB, 下载次数: 0) 原电路图.jpg (92


又小烧,6f2+6C19电子管小单端胆机功放开工


又小烧,6f2+6C19电子管小单端胆机功放开工


今天先讨论下电源,在隔离论坛找了张高压延迟软启动的电路,照瓢画葫芦,山寨了一个
又小烧,6f2+6C19电子管小单端胆机功放开工

电源高压延迟软启动.jpg (35.95 KB, 下载次数: 1)

 

又小烧,6f2+6C19电子管小单端胆机功放开工

内部裸照,比较乱。


IMG_8722.jpg (111.09 KB, 下载次数: 0)

 

又小烧,6f2+6C19电子管小单端胆机功放开工



原电路图.jpg (92.2 KB, 下载次数: 0)

 

又小烧,6f2+6C19电子管小单端胆机功放开工



6C19线路图(修改).jpg (62.36 KB, 下载次数: 0)

 

又小烧,6f2+6C19电子管小单端胆机功放开工



6C19线路图(修改).jpg (71.08 KB, 下载次数: 0)

 

又小烧,6f2+6C19电子管小单端胆机功放开工

6C19阴极电阻1K时,根据55.6V(阴极电压)÷1000 (阴极电阻)=0.0556A,0.0556A×(195V-55.6V)=7.75W屏耗,6C19屏约11W,还没达到极限,阴极电阻可以用到820欧(10W)上下

1个2W的阴极电阻,功率不够,外漆都烧焦了,后改两串两并,勉强过得去,还是很烫手,6C19的阴极电阻建议用到10W以上。


IMG_8725.jpg (72.28 KB, 下载次数: 0)

 

又小烧,6f2+6C19电子管小单端胆机功放开工 (责任编辑:admin)

织梦二维码生成器
顶一下
(8)
72.7%
踩一下
(3)
27.3%
------分隔线----------------------------
发表评论
请自觉遵守互联网相关的政策法规,严禁发布色情、暴力、反动的言论。
评价:
表情:
用户名: 验证码:点击我更换图片
栏目列表
推荐内容