靓声胆前级的制作 LDH 6N8P电子管 SRPP胆前级
时间:2012-08-31 11:50来源:未知 作者:admin 点击:
次
笔者曾使用过若干款名品前级,有胆机,也有石机,可一直用下来的却是一款自制的SRPP前。我曾仿制过马兰士7、麦景图C22等名品胆机,可权衡起来,还是更喜欢这款胆机,它音色中性,动态庞大,中频质感好,解析力高。下面为您介绍它的制作过程: 1.电
笔者曾使用过若干款名品前级,有胆机,也有石机, 可一直用下来的却是一款自制的SRPP前。我曾仿制过马兰士7、 麦景图C22等名品胆机,可权衡起来,还是更喜欢这款胆机, 它音色中性,动态庞大,中频质感好,解析力高。 下面为您介绍它的制作过程:
1.电路
制作理想的前级选择相应的电路是关键, 要根据自己的功放和音箱特性来选择。名品胆前级马兰士7的电路图,它音色浓 郁、亲切依人,听感 良好,至今仍被许多 玩家奉为至皋. 但我 认为速度偏慢,低频 嫌肥,高频解析力也 不是很理想,适合搭 配速度偏快, 音色僵硬,高频毛糙的器材.

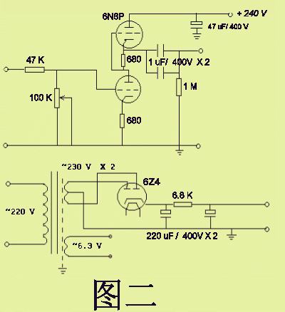
图二是本文介绍的SRPP前级电路,这是一款成熟的经典电路,并无特别过人之处。不少高手介绍过其制作经验。成功的诀窍在于严谨的制作工艺和元器件的使用搭配上。
2.机箱
铜板最好,铝板次之,不锈钢是一有争议的材料( 我个人以为声色稍嫌木讷,但胜在干净利落,并不在铜铝之下)。万不得以才用铁板,但厚度一定要在1mm以上。电源变压器要经屏蔽后固定在非 金属材料上,再把非金属材料固定在底板上。要保留一定距离,尽量减少磁耦合。
3.元件
⑴电子管型号较多,国内常见的有 6N4、6N8、6N11、12AU7等,音色各有千。6N4高低频延伸好,胆味足, 增益高,但速度稍慢,动态不足;6N11音色亮,解析力高, 动态也不错,只是晶体管味浓了些;12AU7低频控制不错, 中频略 感硬昂;6N8是个不错的选择,收放自如,文武双全, 其中以80年代生产的曙光管音色最为醇厚。
⑵电阻可选用国产“大红炮”金属膜电阻, 2瓦的碳膜电阻也不错,前者音色冷清,解析力高,稳定性好,噪音低; 后者音色温 暖,稳定性差,噪音较高。我用的是60年代国产双环标志产品,市场上可不容易找到。
⑶电容。电源部分优先选用小体积高速电解, 二只CBB电容功不可没,输出电容用“WIMA”1uF/400V两只并联,若喜欢厚重感,选“苏伦”也不错。⑷电源变压器。如喜欢清爽可选“环牛”, 若衷情温暖丰厚可选“E”型,我用的是六灯胆机的成品。需注意的是,不管选用哪 种“火牛”,功率尽可能大,内阻尽可能低。 我曾用150W和50W的作过对比,效果大不一样。
⑸整流器。用石粒,速度快,声底薄,高音颗粒粗; 用胆器6Z4声底厚,温暖宜人,瞬变慢;用5Z3比6Z4声更靓, 但多消耗20W左右功率。尽可因人而宜,各择所好。
⑹电位器如能用多档步进式金属膜电位器最为理想。这里为您介绍一个好方法,用两只金属膜电阻和普通电位器稍加改造,花费很少,效果绝不在前者之下,甚至更靓声,缺点是输出电压要损失一点,但不碍大局。见图三。

⑺其他。包银信号线,无氧铜连接线, 含银焊锡等尽量选用上好材料。
4.焊接
搭棚焊接比电路板焊接声色要好些, 但对缺少搭棚焊经验者就不强求了。由于电路非常简洁,一般只要焊接无误即可发声。
5.调试
试音成功后, 音色音质的调校就是一个比较深奥且费时费力的问题了。如有条件,可弄一靓声前级作对比, 按以上所说对各部件反复调换较音。需要指出的是, 并非用上全部补品和极品元件就会靓声,初入道者尤其要注意。我曾听过一款全由补品堆成的机器,干硬,发涩,实不可取。
笔者曾用这款SRPP前级与万元级的进口名机作过AB对比试听,也请了几位省内知名的“金耳朵”品评。 一致认为此款前级虽不敢说超过名机,却也不在其下, 那磅礴的动态与透彻的解析力还要超过几分呢!
(责任编辑:admin) |
织梦二维码生成器
------分隔线----------------------------