TDA1514功放板(40W+40W)放大器
时间:2012-08-25 09:32来源:未知 作者:admin 点击:
次
以下为网友peter1608的作品 本人比较懒有急于出声所以线路板是随便找来的3886空板改的可能是煲的时间不够感觉声音虽然不错但总体感觉还是没有1875好呵呵纯属个人感觉 和1875相比我觉得声音一开始的印象就如很多人说的冷声音够细致但声底偏硬全频段比较均衡不
以下为网友peter1608的作品
本人比较懒 有急于出声 所以 线路板是随便找来的3886空板改的 可能是煲的时间不够 感觉声音虽然不错 但总体感觉还是没有1875好 呵呵 纯属个人感觉
和1875相比 我觉得声音一开始的印象就如很多人说的 冷 声音够细致 但声底偏硬 全频段比较均衡 不过听感上没有1875那种温暖醇厚的感觉 就是说久听可能会厌 呵呵 再就感觉输出功率不见得就比1875大 大音量下 失真我感觉比1875严重些 1875在大音量下虽然有失真 但还保持原来的音色 这个我觉得比较明显 因为我的1875也是用这个变压器 不知道有没说错


也许是偶工夫还不到家 没发挥出效果 不过 我感觉偶5年后的制作工艺和材料应该是有进步的啊 哈哈 我还搞的那么整齐 楞没赶上1875 看来期望值过高
(一)电路特点:
TDA1514是飞利浦公司专为适应数码音响对功放的高保真要求而设计的音响专用电路,为9脚单声道功放集成电路,采用单列封装结构。由于采用了先进的集成技术,TDA1514具有输出功率大,失真小,频响宽,性能可靠稳定等显著特点。
TDA1514内部设有过热保护,具有开关机噪音抑制功能,静噪时间由外部电路决定。采用TDA1514做成的功放板可达到以下性能:输入灵敏度800mV;当负载为8Ω时,输出功率可达40W(工作电压为±27V),当负载为4Ω时,输出功率可达50W(工作电压为±23V);整机的频响15-25KHz,谐波失真小于0.003%;信噪比大于80dB。
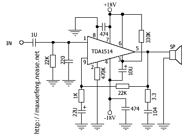
下图是TDA1514的应用电原理图:
1脚是信号源的同相输入端,1UF的电容是输入端的耦合隔直电容,22K电阻是偏置电阻,有稳定输出端中点电位的作用,电路的输入阻抗就由此电阻决定,本电路的输入阻抗就是22KΩ。220P电容是高频旁路电容,滤掉前级电路混进的高频干扰;
2脚是放大器的过流保护调整脚,接一470K电阻的作用是在电路过流保护作用不失效的前提下,使电路的动态范围进一步加大;
3脚是开机时间延时调整脚,330K的电阻和10UF的电解电容组成延时电路,改变10UF电解电容的大小就可调整延时时间的长短;
4脚负电源的输入端;
5脚功率输出端;其中的3.3Ω电阻和104电容组成补偿电路,改善放大器的音质;
6脚为正电源的输入端;
7脚为自举电容的连接脚,为了保证放大器的高保真音质,本电路没有采用自举电路,直接将7脚与电源的正极相连;
8脚为集成电路的接地端;
9脚为放大器的反相输入端,其中的22K电阻与1K电阻比值决定整个放大电路的增益,增益不能选得过大,否则容易引入噪音,22UF电解电容为交流旁路电容,稳定放大器的中点电位。

(责任编辑:admin) |
织梦二维码生成器
------分隔线----------------------------