|
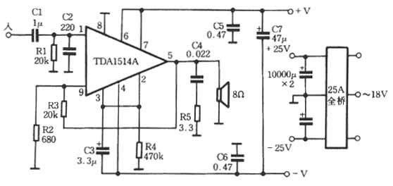
TDA1514A是大家熟悉的优质功放IC。若按图5-55所示的改进后电路,可以制作出一台高保真功率放大器。由于采用了仿一体化装配工艺,使得制作特别容易,也使TDA1514A的优异性能得以充分发挥。现将制作过程介绍如下。 【元件焊按】 按图5-56所示用断锯条刻好线路板。为求美观,直将刻好的线路板铜箔面用0号砂纸打磨光亮,按图5-56所示在铜箔面烙上各元件。元件引脚尽量短。为增加焊接可靠性,可将元件引脚折弯一小段平贴焊接。在电源正、负极以及信号输出端的铜皮上要搪一层锡,以增强导电性。输入电容要用元极性电容。待各元件焊好后再焊人IC,引脚不用处理,平贴在铜皮上焊接。 【线路板与散热片的安装】 选5mm厚平整铝板一块(铜板更好),尺寸不小于12cmX24cm。按图5-57所示在铝板上钻孔,孔径4mm,用于安装电路板、电源滤波电容等。开孔根据印制板固定孔位置和具体制作情况决定。图中是将左、右声道线路板、滤波电容、全桥等安装在铝板上的参考示意位置。其中线路板及有关元件要注意与散热板的绝缘问题。滤波电容至线路板的正、负电源引线采用单股导线,便于弯折定型。有些连线需穿过铝板从背后引出。全桥采用方型带中心固定孔的方式。滤波电容量至少用10000uF/35V,功放IC与铝板间应加一层薄薄云母片绝缘。云母片两面涂上导热硅脂,此部分安装如图5-58所示。最后将整块铝板 接地。 【整机装配】 整机装配很简单,按照图5-59所示组装即可。值得注意的有以下几点: (1)功放输出采用大型接线柱,并且地线接自滤波电容的接地端,而不是接自线路板地端。 (2)机内信号线选用专用信号线,最好不要 使用市面出售的很细的屏蔽线,也可选用稍细的75ohm同轴电缆线。 (3)若机壳为金属壳,就在变压器与底板之间加上绝缘板后再固定。 (4)输人信号的莲花插座负极应与外壳绝缘,电位器外壳应接地。 【大地地线安装】 住楼房的家庭采用带接地端的三芯插座比较省事,效果也很好。插座里的地线应与机壳上地端相连。对于没有地线的用户,可勉强从自来水管道上接一粗导线作地线(此法接地不良,也不安全),或自制简易地 线。具体方法是:取3mm厚金属板,尺寸大小是50mmX200mm。一端用铜螺丝固定一粗铜线引出做地线。选择屋内或屋外阴暗潮湿地方,将此铝板砸人地下,越深越好,并保持此处地面潮湿为好。 接“地”(指大地)是必须的,它可以消除讨厌的电源干扰声,还你干净清晰的音质,还可以消除静电带来的危险。最后提醒一点,当你将几台机器联机使用时,接大地的“地”只能接在功放机上,不可每台机器均接大地,否则形成地线环线,产生噪声。 采用一体化制作工艺,具有信噪比高(铝板起屏蔽层的作用):制作容易(不用腐蚀,只需刀刻)、制作周期短(全部过程1天足矣)、拆卸维修方便等优点,即便是刚人门的爱好者,只要按本文介绍的方法制作,也同样能达到理想效果。其它单列引脚功放IC也适合采用此法制作放大器,如TDAI521、 LA440等。 (责任编辑:admin) |






















