|
渴望有一套在独处看书时的音响系统,要求其音色既让人陶醉,又 不干扰阅读。但是能达到这个标准的功 放不是价格昂贵,就是听音成本太高(甲类机耗电量大、电费高),选择普 通功放又达不到发烧要求,为此,笔者依据自己多年的发烧经验调制出一道价廉物美的“私房菜”。
一、电路特点
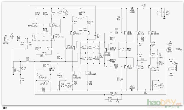
这是一款为书架箱设计的晶体管 功放,电路如图1所示,电路架构为2 级差分和3级达林顿组成的大环路电压 负反馈放大线路。这是再传统不过的电 路了,与目前比较流行的全对称电路相 比较,这个电路的设计是专为书架箱而 设计的。我们知道,偶次谐波失真在全 对称电路中是被抵消掉的,但不悦耳的 奇次谐波就只能靠降低放大器的总谐波 失真来抑制。全对称的放大电路声音比 较清淡,味精味少,加之业余制作困 难,管子配对要求高,做得不好的话, 发出恶声是常有的事情。权衡利弊, 全对称架构的电路不是首选。最佳的电 路是两级差分电路。在一般情况下,这 个电路出来的声音是不会难听的,因为 它的偶次谐波失真没有被彻底消除掉,听感上自然会好点的。著名的瑞士高文(GOLDMUND)功放、国内的新德克 功放的实际电路架构就是两级差分放大。在实际听音中,两级差分电路的功放的中音表现一般不错,而低音量感和下潜度却常常表现平平,高音的 柔顺度也不佳。为了提高声音的下潜 度、力度及高频的柔顺度,笔者专门 增加了一级预推动,这就形成了本电 路的两级差分加三级达林顿的结构。本电路后经实际聆听,声音基本达到 了设计的要求。 实际上,本电路的特点不是在架 构上,而是在三极管元件的搭配和电 路补偿的使用上。笔者酷爱制作功率 放大器,对常见的三极管对音色的影 响很有一些个人心得。在元器件的选 择上既要考虑元件的电气特性,又要 发挥不同管子的音色优点。要像按病配药方一样,合理进补,取长补短, 最终达到音质的平衡完美。 在本功放中,输入级差分管选用的是国半的NPD5565孪生场效应管,该管子的特点是声音密度高、整齐、 稳重,胆味浓,缺点是 缺少灵动感, 有些木讷。选用它可提高整个电路的 输入阻抗,不必像使用一般场效应管(K30、K246、K170)那样进行配对,也不用担心末级中点漂移严重。 在电压激励级的差分电路里,选择了MPSA42/MPSA92这对三极管,参数为MPSA42 NPN 300V、0.5A、0.625W MPSA92 PNP 300V、0.5A 0.625W。这种管子是为电话视频放大设计的,放在音频电路使用却发现声音松香味足,高音泛音十分顺耳,声音有一种跃动感,特别是当静态电 流大于6mA以后,高音和低音表现很 好,低音松软,高音丰满,难怪很多 欧美名机里面都能找到它的身影。而 相同封装、管脚排列一致的准音响管2N5551、2N5401,声音表现却是干、冷、硬,让人失望 。 笔 者 感 觉 , 在大部分放大电路中,只要有MPSA42/ MPSA92的参与,都能增加声音的灵 动性。唯一的缺点是中音偏薄、密度感稍差。在本电路中,把它们放 第一级恒流源中,在第二级放大中也担任“主角”,就是为了弥补输入级NPD5565的声音木讷感、增强声音的 活泼感、提升高音的泛音、加强低音 的松软性。 电流放大部分是采用三级达林顿放大,预放采用的三极管(VT12、 VT15)是东芝的A1145和C2705。这对管子的声音特点是中音厚实、有点鼻音的感觉、高音柔美、有点偏暗、音 乐味很好。放在这里作为预推动就是 为了弥补前面两级的中音厚度不够, 中和、收敛一下前面一级的MPSA42和 MPSA92的活泼劲。 推动级的管子采用的是东芝的A1306和C3298,该对管子给人的感觉 是声音很全面、有动态、大气、音色平 衡,对于整个功放的声音有把握全局 和“收官”的功效,只是,当静态电流大于15mA后才有上述表现。笔者在这里曾试验过安森美(ON)的MJE15030 和MJE15031,感觉声音虽然贵气,但 底气还是不足、不够全面和均衡,而最要命的是,声音没有定位,不知道歌手是站在哪里演唱,同时还感觉到,特 征频率低的一些管子(TIP41、TIP42, A940、C2073)用在这里中音表现得很 浑厚、音乐味十足,其缺点是稍微少了 一些华丽和细节。 末级电流放大的大功率管子可选择的管子有很多,试用过一些管子 后,感觉还是老版东芝的2SA1302和2SC3281的音色比较好,在中、高音 的衔接上,这个管子的连贯性很好,总体音色温暖,低音量感和下潜也很不错。笔者曾将该管子用2SC5200、2SA1943代替,低音马上悬在空中,高 音稍微张扬了一些,最终还是倾向选择前者,只可惜这对管子已经停产很 久了,新货难寻,不过制作中使用拆 机品对声音也没有多少影响。 值得一提的是安森美的MJL4302A和MJL4281A,这可是目前比较火的音频大功率对管,笔者试接上后,觉得 眼前一亮,那是一出声就能抓住人耳 的声音。音色细腻、华丽,特别是高 音和低音表现优秀,只是中音稍微平 淡和薄一点儿,声音的现代味浓烈。 经过权衡,还是换回了老古董管东芝 的2SA1302和2SC3281。 说到这里,我突然想到发烧友常 说的管子代换问题。如果只是把电路 弄响,没有自激,其实并不难,只要参数(如耐压、放大倍数等)接近, 问题不大,但是,要想正经八百做出 一台音色优美的放大器,每个管子的 使用肯定是要有讲究的。在某些时候 功放的音质在外行听来差别不大,但 是如果你玩音响时间长了,经过长时 间地聆听,那一点点的差别也许就会 成为你更换功放的理由了。 小电容使用也是本电路的一大特点,全机使用了较多1000pF以下的小 电容,这些电容主要作用是低通滤波和相位补偿。相位补偿,拉开了各放大部分的极点频率,保持了电路的稳定,改善了整个电路的相位失真,更重要的是 使声音圆润,增强了真实感,避免了晶 体管机刺耳、生硬的声音。 在近年的实际制作中,笔者感觉对声音耐听程度影响最大的就是相 位超前补偿或滞后补偿的使用。现在 有些文章中对这两个补偿的使用存在 着误区,认为只要经过示波器测试, 电路不自激就行了。其实如果认真听 音,你就会发现,对于一个常规的电 压负反馈电路,使声音耐听的补偿电 容只有一个确定的数值。本电路中的 C22电容是担任相位超前补偿。部分 烧友认为要想电路高音亮点就要减少 其值,要想高音暗点就要加大其值。 有的烧友还通过调整数值大小来改变 声音的“速度”。笔者经过反复对比 试听,认为减少超前补偿电容,听起 来高音是亮了很多,细节丰富了,但 是聆听时间稍长,就会感到疲劳。加 大超前补偿,高音好像变暗,收得很 快,细节少了很多,有点揪人心的感觉,声音同样也不耐听。就本电路来说,正确相位补偿是超前补偿电容为 8pF(超前10pF减去滞后2pF)。其实 判断补偿正确与否是很简单的,放一段吉他音乐,听听吉他弦是否为刺耳 的钢丝声,如果有,那么这个电路相 位补偿就不合理。想想看,你在现实 中哪曾听到过这种刺耳的吉他声,就是再廉价的吉他也不可能发出这个声音。在最佳的声音效果上,补偿电容 应该是“增之一分则太长,减之一分 则太短”。 另外,在电路中使用不同型号的 三极管,相位补偿也会随之变化。这使我联想到发烧友仿制名机为什么声音不好的缘由,一个重要的问题就是 找不到原机管和原机的PCB板,只是 对人家的电路生搬硬套地模仿。其实 某种补偿功能已经在PCB的铜箔上完 成了。就本电路来说,改变末级功率 管,要想声音和谐,其超前补偿电容 就要进行调整。附表所示的是笔者调 换的末级大功率管和推动管组合所对 应的补偿电容值。大家看看,也可以试试。 再谈其他几个小电容的作用。C17和C18是输入级和电压放大级局部负反 馈电容,它们的作用是降低整个电路的高频瞬态失真,避免大环路负反馈 带来的瞬态互调失真,加大这两个电容,声音会圆润很多,本机采用30pF时感觉最佳。这两个电容也是本电路 校声的一个重要手段。C20和C21这两个电容的作用是相位滞后补偿,主要 是消除电路的密勒效应。如果电路没 有自激,一般可以不加,加上后会限 制放大电路的频宽,但实际试听时却 发现它们对音色是有影响的,当取值24pF时,声音比较圆润点。C15和C16的作用是为电路提供一个固定的相移 常数,这样既稳定了负反馈又保证了 输出的动态效果,同时改善第二级的 高频输出阻抗,实际加上后,中高音 区的层次感变得比较清楚,声音的毛 糙感下降了。
二、电路原理
与大部分功放电路相近,整机电路分为电源部分、主放大部分和保护 电路这三部分。 主放大部分的电路如图1所示,前级输出的信号经R1和C2的低通滤波电路,消除了串入的高频干扰,这里的截至频率是362kHz,实际上,如果把 管子的输入电容和输入信号线的分布电容都考虑进去的话,截至频率还会降低。
R4为输入电阻,这个阻值高了,高音的很 多细节就会丰富很多,但是,考 虑到后级的放大倍数较高,如果 输入阻抗太高的话,输入耦合电容感应进来的交流“哼”声就会十分 明显,而且直流漂移对输出中点也会 有较大的影响,经过权衡,取值33kΩ 比较合适。 输入级无可厚非的选择了场效应 管输入,我们知道,场效应管的噪声 是非常低的,噪声系数可以做到1dB以下。现在大部分的场效应管的噪声 系数在0.5dB左右,这样输入级的静 态电流就可以增大一点,提升声音的 厚度,提高声场的空间感,而不用担 心噪声的增大。其次,场效应管输入 阻抗高且输入阻抗随频率的变化比较 小,对前级输入信号的损耗减小,这 样会提高音乐细节的表现力,使声音 的还原度增强。场效应管的输出为输 入的2次幂函数,失真度低于晶体管, 失真多为偶次谐波失真,“胆味”也 就在这里体现了。缺点是配对难,耐 压 低 , 但 由 于 本 电 路 选 择 的 是 孪 生 管,所以就不存在什么配对问题了。 本电路的工作电压设计为±55V,高 供电电压可以提高动态和降低三极管 的C ob,但是,NPD5565的耐压只有50V。为了解决这个问题,在场效应管 的D极分别串上三极管VT1和VT2,通过场效应管和三极管构成共源共射电路,组成CASCODE形式,使高频放大 能力和线性得以提高。根据一般JFET结型场效应管电压变化失真特性,电压过高,失真会较大,最佳的电压控 制在10~15V,本电路通过合理安排R5 和R9的阻值,使场效应管的Vds控制在12V以内。 VT3和VT4构成了第一级的恒流源,由于主要是从听感上考虑的较多,所以第一级的电流较一般功放的输入电流稍大一些,设计为2mA。由 R20的阻值控制这级静态电流的大小, 那么流过VT3的静态电流就为4mA, R20的阻值就为0.6(Vbe)/(2×0.002)=150(Ω),通过微调RP1可以使输出中点电压控制在±1mV以内。 电压激励级为单端差分镜像电流源电路,以较大的放大倍数保证有 良好的动态效果。电路中的VT10构成 共基电路,通过这个管子组成平衡电 路,使两侧差分的电流一致性得到提 高,这一级的静态电流设计为6mA。第 一级的R2和R3的直流压降作为第二级 差分输入管VT8和VT9的偏置电压,第 二级的静态电流主要由R21阻值大小 来决定的。由于R2和R3的直流压降为2V(1kΩ×2mA),而且VT8和VT9的射极 电阻为47Ω,那么R21=[(2-0.6)-47×0.006]/(2×0.006)≈93(Ω),取 其最接近的标称值为91Ω。R10和R11在这里主要是调整音色,这个电阻对声音影响很明显。取值较小时使声音 动态压缩,中高音层次感好;较大时 使声音动态好,但明显感到中高音分 离,需要反复试验,本电路最后定为39kΩ。 电路中的VT11和R31、R32、RP2构成了电流放大级的偏置。这个电路调电阻接在了偏置管的B、E极间,下 偏置的好处是在可调端失效时只能使 偏置电压变小,避免上偏置可调端失 效后烧毁后级大功率管的后果。为使 RP2阻值被调到最小时也不致烧毁大功 率管,电路中用R32串接RP2。 (责任编辑:admin) |

















