|
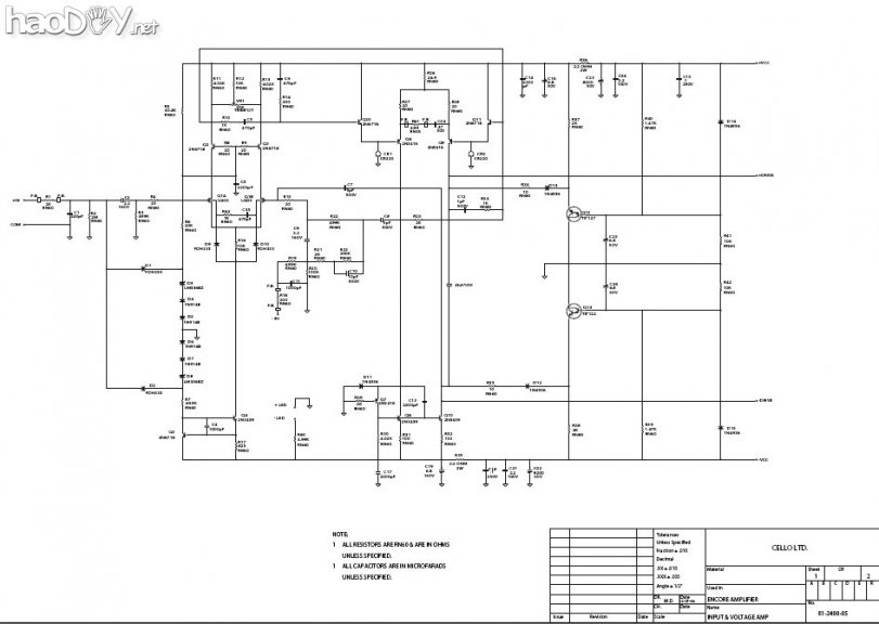
±¾Ì³Éϲ»ÉÙ»áÔ±¶¼ÔÚ×öÕâ»úÆ÷£¬ÎÒÒ²´Õ¸öÈÈÄÖ£¬É½Õ¯Ò»Ì×ÍæÍæ¡£ celloµÄ»úÆ÷ÔªÆ÷¼þ¶¼±È½ÏÄÑÕÒ£¬»ù±¾¶¼ÊÇÒÇÆ÷ÉÏÃæÓõģ¬º¸½Ó²¿·Ö²»¶à½²ÁË£¬ÉÏЩº¸ÍêµÄÖ÷°åÕÕÆ¬¡£ С½ð·â¹Ü×ÓÓõÄÉ¢ÈÈÆ÷±È½ÏÌØ±ð¡£ #p#·ÖÒ³±êÌâ#e#ÕûÁ÷°å³ÉƷͼ Êä³ö°å´øÁ˱£»¤¿ØÖÆ¡£ ÌØ±ð³µÖÆÁ˵æÈ¦×öÁ˸üºÃµÄÁ¬½Ó¡£ ×Ü×°±³°åµÄÔª¼þ×ܺ͡£ ×°ÍêºóÈçÏÂÕÕÆ¬¡£ #p#·ÖÒ³±êÌâ#e# »úÄÚÐźÅÏßÓÃÈðʿһ¿îÉ¢Ïß¡£ ±³°å×ö½ÓÏßÔ¤Áô´¦Àí¡£ »ú½ÅÓúÚÌ´Ä¾ÌØ±ð³µÖÆ¡£ #p#·ÖÒ³±êÌâ#e#ÕûÁ÷µç¸Ð»¹ÔÚ¶©×ö£¬µÈµ½»õÁËÔÙ¸üС£ ²¹³ä¸öµç·ͼ cello Ô³§µÄÏß·ͼ ![]() ¼ÌÐø¸üУ¬Éϵç¸Ð£¬¼ÜÖ§¼Ü ÉϱäѹÆ÷ Éϲ㵲°å #p#·ÖÒ³±êÌâ#e# È»ºó²ðµ¯£¿»¹ÊÇ×°µ¯ÄØ£¿ µçÔ´²¿·Ö°²×°µ½Î» Ö÷°åÒ²µ½Î» ͨµçÎÞÑÌ»¨ ¸üľÓÐ×Ô¼¤£¬ÊäÈëÐü¿Õ²âÊÔÊä³ö #p#·ÖÒ³±êÌâ#e# ![]() ×°Ãæ°åÓëָʾµÆ µ÷Í깤×÷µã£¬À´ÕÅÕÕÆ¬ ×îºóÃæ°å ±³°å һ̨Í깤£¬¿ª»úÀÏ»¯È¥£¬Áíһ̨¼´ÈÕ¿ª¹¤ #p#·ÖÒ³±êÌâ#e#Áíһ̨ҲÍê³ÉÁË£¬Á½Ì¨Á¬Ðø°ý»úÖС£ ![]() ·ÅһЩlaokuo×öµÄ´Ë»ú²âÊÔÖ¸±ê°É ƵÂÊÏìÓ¦ г²¨Ê§Õæ20V½üÂúÔØÊä³öʱµÄÊ§Õæ г²¨Ê§Õæ10VʱºòµÄÊ§Õæ ±¾µØÔëÉù£¨ÐźÅÏß³¤2m£¬ÎÞÐźÅÊäÈëʱ£© ÆäËûһЩ²âÊÔ #p#·ÖÒ³±êÌâ#e# ²âÊÔÊý¾ÝÖ¸±ê£º Êä³ö¹¦ÂÊ: 78W @ 8 Ohm µ¥¶Ë 0.1% THD BW=100KHz 183W@ 8 Ohm ÇÅ½Ó 0.1% THD BW=100KHz »¥µ÷Ê§Õæ 0.0013% - 0.0030% @ 60Hz+7KHz г²¨Ê§Õæ 20-20KHz <0.2% @ 20V /8 Ohm 20-2KHz < 0.001% 2KHz-60KHz < 0.3% 1KHz = 0.0065% @ 20V BW=100KHz 1KHz = 0.0057% @ 2 V BW=100KHz ƵÂÊÏìÓ¦ 20-20KHz < -0.2dB -3dB @ 70KHz -6dB @ 100KHz ÐÅÔë±È -110dB @ BW=22KHz NonWeight -106dB @ BW=100KHz Non-Weight -114.5dB @ BW=100KHz A -Weight ÔÙÌù¸öÔ³§Ö¸±ê£º #p#·ÖÒ³±êÌâ#e# ![]() (ÔðÈα༣ºadmin) |











#p#·ÖÒ³±êÌâ#e#






#p#·ÖÒ³±êÌâ#e#








































