几年前DIY了一部晶体管单管来复再生式收音机,发表后深得同好们喜爱,原文供三部分,在本坛只发了第一部分,现重新整理改正了一些手误后全部发表以饕同好,篇幅较长,请耐心阅读
一、制作篇
本篇已在本坛发表过,为了文章的完整性和承上启下,我把这篇再重新简略发一次
正面 长93mm 宽58mm高26mm重102g(不带电池)——这个102 g不是胡编乱造出来的,是用精度0.1 g的电子天平称量出来的

侧面的耳机插座兼电源开关,插座已经过改造,耳机插上电源自动接通,拔下来自动断电
后面,半裸后盖,反而更有韵味

内部清晰图

单连-高扼圈局部特写

这个红有机单连可变电容器,有画龙点睛的妙味,有了它才有了“昔日重来”的味道
用这只万里老牌636型800欧姆的耳塞机放音,本地电台声音可震耳

刻度盘,用药瓶盖子改造,字是打印在照相纸上剪下贴上去的

制作过程
电原理图

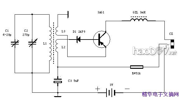
这是一张典型的来复再生式收音机电路图,基本工作原理不再赘述,特别之处是它的再生电路,我很喜用这种再生电路。这是由串在高频管发射极中的线圈L3完成的,L3是一根直径0.5毫米的单根导线在磁棒上绕1~2圈,调整和L1之间的距离来调节再生的大小,这种再生电路的特点是反馈量大而且均匀。从我装过的再生电路形式中这种是效果最好体积最小的,成本也是最低的。值得推荐。
各元件的选用原则
磁性天线 截面有圆形和方型两种。圆形有直径10毫米和8毫米两种,方型有4*12和5*17毫米两种
单管机放大量有限,从天线上接受的能量越多越好。所以磁性天线长度越长越好,同样长度下截面积越大越好,所以,若长度相同,选择的顺序应该是5*17毫米方型(截面积85平方毫米),10毫米圆形(截面积78.5平方毫米),8毫米圆形(截面积50.24平方毫米),4*12毫米方型(截面积48平方毫米)
C1, 4~20pF半可变电容,可用一只拉线电容或一只18pF左右的固定电容代替
很多刊物和爱好者都不加这个电容,认为这是个可有可无的零件。我的结论是:矿石机可以省,再生机不可省!这个结论是在这次装机调试中得出的。刚开始没有加这个电容,在这次装机调试完以后用信号发生器测了一下接受频率范围,结果吃了一惊!最高频率达2MHz(我国中波的标准频率范围是535~1605KHz)!那有朋友问频率范围宽点有什么关系?不是更好吗?或许还可以接收一点短波信号呢。其实不然,因为有再生的缘故,而再生无一不是高端强低端弱,总是高端先啸叫,那频率宽了必然会加大全波段灵敏度的不均匀性,后来在电路中加了一只拉线电容把频率降到1605KHz附近,调好再生,感觉全波段灵敏度的均匀性有不少改善。从实际接受效果证实了这个电容不可省的结论。
C2 可变电容 常见的有260pF和360pF,和磁性天线配合构成收音机的输入回路。原则上260pF和360pF都可以用,那么到底用哪种好点呢?我以为在矿石机和电子管机中用容量大一些好,而在晶体管机中用容量小一些好。这是因为矿石机和电子管机一般用圆筒线圈外接天线,可变电容容量大一些线圈的圈数可以少一点,各种损耗也小一点,综合效果更好一些。而且因为有外接天线的关系使对地分布电容较大,用大容量可变电容可以保证频率覆盖完整。而在晶体管机中一般使用磁性天线,一个线圈要想在交变磁场中感应出更高的电压,简单的办法就是增加线圈圈数,那自然电容用小点线圈圈数增加点效果好,如果线圈能分段绕制那效果将更好。
这个是636单管机原装型号的单连,怀旧的味道更浓,唯体积大了。

#p#分页标题#e#要想效果更好,当然还得是这个260pF空气单连可变电容器,不过体积也不小。

三极管 单管机对晶体管的要求不高,各种型号的3AG、3AK都可以用。一般放大倍数30~100都可以用。以50~80为好,曾试过30和115的管子,实际接收效果并不象放大倍数的差距那么大。本机使用的晶体管为3AG1C,放大倍数为52。

二极管 各种型号的2AP、2AK都可以用。从这次装机实践中发现对单管机收音效果影响大的不是三极管,而是二极管!以前书上介绍二极管的选用原则是正向电阻小反向电阻大就可以,但一般正向电阻小的反向电阻也小些,反之亦然。那用什么样子的好呢?
刚开始用这只二极管,正向电阻约1k,反向500k

后来用这只二极管,正向电阻约1.5k

反向接近无穷大

上机比较以后发现反向电阻大的二极管声音明显大。
这些数据是用上海生产的老牌500型电表测量的,很经典的电表,换其他型号的电表可能结果不相同

500型电表现在很多山寨厂也生产,品质鱼龙混杂。还是用上海产的老牌子放心。特别指出,测二极管还是用模拟电表测量清晰直观。一个资深的爱好者应该备一块高质量的模拟指针万用电表供毕生使用!!!
高扼圈 也是一个关键元件。以前有厂制品,但自己制作也很简单,使用效果也很好。用0.07~0.09毫米高强度漆包线在小磁心或磁环上绕300圈,电感量约2.5~3mH。经验是线径不能太粗,太粗和磁性天线的耦合再生作用反而不明显,也许是线细一点Q值比较低,谐振曲线比较平坦,可以和磁性天线在更宽的范围内取得再生作用。小磁心或磁环可以从旧电子管312型中周里拆出使用。
这次共绕了3只高扼圈,一只用3*10毫米磁芯,一只用6*15毫米磁芯,一只用直径10毫米的磁环,最后使用的是用3*10毫米磁芯的。

C3 5100pF~0.033uF均可。通常取0.01uF
C4 100pF~1000uF均可。通常取270pF,以用云母电容为好
机壳 找到一个长93mm 宽58mm高26mm的塑料小盒作外壳

底板 用一块1-1.5mm的环氧板剪成90×55mm,用这个图在纸上按1:1画好贴在环氧板按图打孔,大孔8mm,小孔2mm,

用直径2mm长3mm的空心铆钉铆在2mm的小孔位置,注意单连的位置不铆铆钉

先把各元件测量一遍,保证完好,这点很重要,初学者往往把元件收集齐全就急急忙忙开工,哪个元件有问题也不清楚,等调试时出现问题再排查就麻烦大了。所以在安装前花一点时间把各元件测量一遍实在是一件磨刀不误砍柴工的事情。按下图位置将元件插入铆钉,注意这个是元件面的位置。按原理图将线连接好,R*的位置先空下不接。高扼圈也先不固定。耳机插座的活动触点要向外推一点,改造成当耳机插头插入时电源自动接通,拔掉后电源自动断开#p#分页标题#e#

然后按照原理图照图施工,并不复杂,焊接完毕检查一下有无接错漏焊的地方,确认正确后即可调试。
调试 (调试前首先确认有电台在广播)把R*的位置用一只100k电位器串一只30k 的固定电阻代替,电位器转至阻值最大处,再生线圈L3先不套进磁棒。确认接线无误后接上耳机、电池,再从大往小调整电位器,到某处听到耳机中有明显的“沙沙”声时停下,调节单连就可以收到播音。再调整电位器使信号清楚响亮。测量一下晶体管的集电极电流(也可以先把万用表串在电路中)在0.5~2mA之间都有可能,通常电流大声音大,电流小灵敏度高。
再把再生线圈L3套进磁棒,调节和L1的位置,使波段高端刚好不啸叫。如果不起再生把L3的两个线头对调。移动高扼圈的位置,使波段低端刚好不啸叫。
固定好高扼圈,把R*用一只相同阻值的固定电阻焊上,把整个线路板装入机壳,盖上后盖,插上耳机通电试机,没有问题就OK!一部小巧精致、怀旧韵味浓厚的单晶体管收音机就制好了,你可以尽情欣赏、享受自己的劳动成果了!

这个单管机用耳机收听本地电台声音可以震耳,白天本地的7家电台都可以收到,晚上可以收到12个电台,至少有一个台是四川的,因为听到卖大力药丸的说“热线电话028xxx”,呵呵!估计灵敏度在3~5mV/M之间,接近于只有一级中放的简易外差机。这里说明一下虽然两者灵敏度都在3~5mV/M之间,但是一个用耳机一个用喇叭收听,实质是不同的。
单管机对于无线电爱好者来说具有划时代的意义,它和矿石机比较虽然都用耳机收听,但却甩掉了外接天线这根辫子,同电子管单灯机比较只要2节5号电池就可以工作,而电子管单灯机则要1.5v的甲电和至少是22.5v的乙电,恐怕还要拖个辫子。那时谁要是装了一部不要天线而且可以放在口袋里随身携带的收音机是很光彩的,用最低成本达到这个要求的就是晶体管单管收音机了。上次装单管机还是三十几年以前的事情了,此次重新装机又有不少体会。
二、讨论篇
单管机装好了,兴趣却不减,索性又找了一块面包板,把常见的单管机电路全部搭了一遍,这些电路在经典晶体管收音机老书里都介绍过,这一个是一些电路以前我也没有试验过,这次作个讨论比较。再一个也是给一些初学的朋友探个路。为了保证可比性,各个电路均用同一只管子,除非电路要求型号不同。实验所用磁性天线长170mm,配用260pF空气可变电容器,试验时均不外接天线,用青年牌2000欧姆双筒高阻耳机
1 、一级低放单管机,这个是由矿石机向单管来复机过度的一个电路
图2-1

实验结果:不外接天线只可以收到本地2家最强电台的播音,声音很轻,必须加一个外接天线才有良好效果
2、再生式单管机,和图1很象,但用高频管加了再生,高频扼流圈不可省
图2-2

实验结果:灵敏度比上图有很大提高,不外接天线可以收到本地全部电台的播音,但再生很不均匀,再生的强弱对收音成绩影响很大,仅当对每一个电台调好再生时这个台的声音才比较响亮,整体效果差强人意。
3 、用8欧姆低阻耳机的单管机
这个电路出现的时间较晚,也不是以前经典的书籍中出现的,所以我以前也没有试验过,这次一起试验了
图2-3

实验结果:两个字:不响!集中注意力仔细辨别,可以隐约听到声音,但无法听清内容。试着把低阻耳机接在集电极回路中,这时的声音都比图中大。这估计是原书作者根据理论画出的原理图,根本没有实践过,想当然地认为把耳机接在发射极回路成为射极输出器就可以带低阻负载了,殊不知射极输出没有电压放大作用,检波后的低频信号本来就微弱,高频管的射随器输出阻抗又不能很好地和8欧姆耳机匹配,效果怎么能好呢?这完全是个纸上谈兵的图纸。
4 、用硅管的来复再生式单管机,线路与典型电路图纸相同,图号命名为图2-4以便下面讨论 。
用9015可以直接代替3AG1,但要把D2换成硅二极管,用9013时除了D1要换成硅二极管外所有有极性的元件(包括电池)要全部反向,下面是常见的90系列晶体管参数表
型号 Pcm(mW) fT 用途
9011 NPN 400 150 高放
9012 PNP 625 150 功放
9013 NPN 625 140 功放
9014 NPN 450 80 低放
9015 PNP 450 80 低放
9016 NPN 400 500 超高频
9018 NPN 400 500 超高频
8050 NPN 1000 100 功放
8550 PNP 1000 100 功放
90系列晶体管放大倍数很大,实验用的这只9015高达335
#p#分页标题#e#
实验结果:收音效果与标准图纸基本相当,但偏流比锗管难调,可调范围很窄,R*太大太小都无声,选择性也差点,可能是再生不太合适造成的。 D2用的是一个9013的eb结,有人说只要用硅材料的整流二极管就行,但是我一直认为不行,原因是分布电容太大使用频率太低。于是试用1N4007代替,结果和预期一样—无声,必须用高频管才行。实用中用硅管的一个最大缺点是不加任何措施时工作点随电池电压的降低波动厉害。这点在以后部分再作讨论。
5、用高频变压器的来复再生式单管机
图2-5

高频变压器是在高扼圈外面再密绕150匝,初次级圈数比150:300。用高频变压器的单管机我从来没有满意地装成过。这次结果同样也不行。试着把初次级颠倒一下,结果颇感意外,强台声音极强弱台声音极弱,灵敏度很不均匀。
6、用低频变压器的来复再生式单管机

这个电路介绍检波和来复级用低频变压器耦合,阻抗匹配好,效果应该比典型电路的直接偶合为优。但试验的结果是一片啸叫,可能增益太高了引起自激。失败了。
下面是各单管机与标准电路的综合比较,假定标准电路的各项指标为满分10分,分数越高越好。
灵敏度 选择性 调试难易程度 灵敏度均匀性 最大声音
标准电路 10 10 10 10 10
图2-1 0.5 / 10 / 0.5
图2-2 3 7 10 6 4
图2-3 / / / / 0
图2-4 9 8 9 9.5 9.5
图2-5 5 8 4 5 6.5
(变比1:2)
图2-5 3 4 4 2 15
(变比2:1)
图2-6 / / / / /
比较的结果,综合性能仍然是典型电路最好。易装易调。所以早年来复再生线路各资料介绍的、各厂家采用的还是这种典型电路占了绝大部分,带高频变压器的大约只有那么2-3个型号,印象中有68-1,67-4。而带高频变压器我始终也没有满意地装成过,实在是惭愧得很,据说高频变压器磁芯的材料、变比、安装位置很关键,等闲暇时补上这遗憾吧。
三、研究篇
经过比较,结论是综合性能仍然是典型电路最好。那么我们能不能在典型电路的基础上做些研究改动,使其性能再有所提高呢?
图3-1

把整个电路仔细看一遍,该电路非常简单,每个元件的作用明确,简单到了几乎一个也不可省的地步。那从哪里改动呢?我们把注意力集中到了R*上,它除了给三极管提供偏置外也给二极管提供偏置,二者难免相互牵扯而降低效率。于是试将电路改为图3-2
图3-2

由R**给二极管提供偏置,R**用5.6K。改动后声音有明显的提高,把三极管换成硅管,二极管2AP9可以不换也能正常工作,R**承担了三极管正向导通电压的一部分。但5.6K电阻仍要通过R*,试着把5.6K电阻断开,结果弱信号收不到了,中等强度的信号出现堵塞并且失真,只有强信号基本正常,这说明给二极管加一个很小的偏置使其克服起始电压对提高灵敏度是非常有用的。鉴于此,干脆将R**电阻接到负电源上单独给二极管供电
图3-3

R**取到150~240k,实验证明可行。这时发现在相同集电极电流下R*的阻值也由51k升到82k,感觉声音比图3-2又有所提高。究其原因,一是二、三极管独立偏置后各自工作于最佳状态,二是R*阻值的升高使LC调谐回路的等效负载减轻,效率自然提高了。再把三极管换成硅管,发现偏流很好调,和用锗管的感觉差不多。然而事物都有两重性,典型线路中的二极管对三极管的工作点因电源电压、温度变化有补偿作用,图3-2图3-3独立偏置后补偿作用减弱或消失,电源电压变化一点三极管的工作点就变化很大,硅管的工作点变化更大,而再生的强弱和三极管的工作点密切相关。下面的实验结果也证明了这点。
由此想起硅管低电压1.5v外差机里采用的方法,将电源电压经二极管稳压后给再给硅三极管供电,于是照搬实验,结果很好,基本克服了再生机电源降低灵敏度也下降的问题。实验完了的电路定格如下
图3-4

分别用两节新电池和两节旧电池做了实验,实验时两节新电池的电压为3.1v,两节旧电池为2.55v,而每节锌锰电池的电压在1.2~1.3v的时间是最长的。实验结果如下
电池电压 标准电路 标准电路 图3-2 图3-2(硅管) 图3-4
(锗管)(硅管)
3.1v Ic=1mA 1mA 1mA 1mA 1mA
2.55v 0.9mA 0.75 mA 0.66mA 0.4mA 0.95 mA
实验结果证明锗管的压降性能确实是很好的,而采用稳压后的硅管电路压降性能也非常好,甚至比锗管还好!实验还证明了典型线路中二极管对三极管工作点的补偿作用,图3-2图3-3二极管独立偏置后补偿作用减弱或消失,电压一变化三极管工作点变化很大。
那再设想如果给锗管也加上二极管稳压是不是更好呢。实验结果并非如此,加稳压后由于偏置电压降低R*要减小到15k才能正常工作,声音明显小,R*阻值的减小导致通过晶体管反射的LC调谐回路的等效负载加重。而使用9015一类的硅晶体管因其hfe大,R*用到了200k,对LC调谐回路的影响很小了。#p#分页标题#e#
用图3-3的电路对我已经装好的单管机进行改造,期望它能工作的更好,但答案却不是唯一的。最后结果颇耐人寻味;性能不但没有提高反而产生了啸叫。顿悟到:原来装好的单管机因为个各元件的性能指标相互配合以及安装位置(不能忽略的因素!)在这里已经达到了最佳,如果再提高增益必然要啸叫,来复再生机不象外差机,既要想高增益,又要稳定地工作是很困难的。来复再生线路的根本缺点就在这里,但来复再生线路的趣味也在这里!你可能感觉不到外差机两级中放的增益是50db还是60db的差别,但来复再生线路3db的差别你就可以感觉到并为提高来复再生线路每1db的放大量而绞尽脑汁苦思冥想!
最后的结论:图3-1的典型电路、图3-2、图3-3、图3-4都可以。至于到底哪种最好只能根据你自己手里试验的结果为准!没有最后的定论!如用锗晶体管建议用图3-1、图3-2或图3-3。如用硅晶体管建议用图3-2(加二极管稳压)、图3-4。再议一点,这改造过的硅管电路也只有在今天才可以实现,当年一个是硅晶体管少见,多用在139B之类的军机里,而民用收音机里是限制使用免得和军机争资源,另又多了两只稳压二极管和一只电阻,成本提高不少而耗电又增加了几毫安,当年是舍不得这样奢侈的,那时两只高压硅整流管的价格恐怕要比一只6Z4还贵呢。
这几篇拙作是笔者数年前花费了几个周日的时间实验、记录、写作成的,由于时间、精力、水平的限制,总感到有不满意的地方,比如高频变压器的电路没有成功,是不是高频变压器的绕法不对,图3-4的C5上再并联一只电阻是否更好?这些只有留给其他朋友验证了.
(责任编辑:admin) |