|
单片收音机小巧,音质美妙,功耗较低,只用一节5号干电池,也可以用几片太阳能电池串联起来供电。微型收音机体积只有一只小型打火机那般巨细,行使很利便。电路的开关奇妙地操作了出格的插座,只要插入耳机插头,电路便接通,拔出插头,电路便自动断开。
图 2-11-1
图 2-11-2
认一认
名 称 电路标记 实物图 备 注
电阻
电容
电解电容 引线有正负极性
可变电容
天线线圈
三极管 三根引线不能 交流行使
集成电路 三根引线不能 交流行使
耳机
插座
干电池
测一测
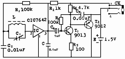
1.测电阻(R),要领见图2-11-3,万用表量程置Ω档 x1K处,调零。测得R1,约100K,R2约1K,R3约100K,R4约为4.7K。
图 2-11-3 图 2-11-4 (责任编辑:admin) |




























