|
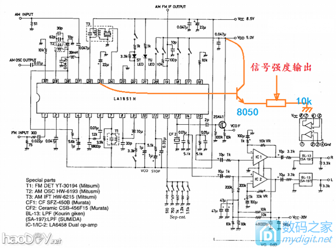
天线相关内容编辑在3楼了 最近莫名其妙对收音头比较感兴趣,正好看到有个卖帖比较合适就撸了一台。 然后持续折腾之路就开始了。。。 第一季:修偏频、立体声灯不亮等问题。 收到通电试机FM偏频,比如90.0需要调到90.1才清晰,后参考一帖子(http://bbs.mydigit.cn/read.php?tid=423017)在电路板背面中周上并联50pf电容,重新微调中周后偏频问题解决,搜台TUNED灯会亮了。但是依旧有问题,输出音量比较小(拔掉天线时声音很大但是噪音也大),并且立体声指示灯不亮,调了灵敏度电位器也不行。继续扒拉网络资源,终于功夫不负有心人,根据前辈经验把中周拆下弄碎里面的槽路电容,在外面并接72pf(原机应该是68pf)贴片电容(三个24pf的并联 )重新微调中周已好,锁台、立体声、输出音频信号强度都有了,再次感谢网络各位前辈分享的经验! 第二季:加装信号强度显示。 听了几天,效果十分不错。本地有几个音乐台,比如88.1、90.0、94.4、104.5(此台音质稍差,感觉音频高频部分缺失,声音不够亮堂)、107.9等几个偏重音乐的电台,还有本地司机比较喜欢的91.2等电台。由于硬件所限只临时扯了一根线当作天线,有好多台信号不好,也不知道这些台哪个台的信号强度大。看有些收音头自带有信号强度显示功能,心动了!继续扒拉网络,得到一篇文章,大概意思是从中放集成电路上可以取出信号强度显示出来,后又找到这个集成电路的图纸,经过折腾终于搞定。 第三季:diy室外八木天线,我给起的全名应该叫“FM室外垂直极化全向八木天线”。 也是摸索着diy成的,网上没有相关详细图纸,只有某宝上卖的成品,价格也不便宜超过一百块一个。后参考一些资料利用手边现有材料经过一个周末时间制作安装全部搞定。效果超级棒,强力推荐给感兴趣的朋友试一试,简单方便效果好,最重要的是不占地方,只需固定在室外即可。 继续往下看是各个过程。。 刚才挨个搜了一遍本地能收到三十多个清晰电台,那些刺啦刺啦的我都没算上,下图写出来都是效果很棒没有杂音那种台。 ![]() 第一季:修偏频、立体声灯不亮、声音轻等问题 根据前辈帖子提示调节到98M附近电台,万用表接测试处微调中周,发现电压始终有几十mv。 ![]() 后拆下板子在背面并接50pf电容后再微调中周可以调到0mv左右了,重新微调中周后偏频问题解决搜台TUNED灯会亮了。 ![]() 继续试机,感觉输出音量比较小并且立体声指示灯不亮,应该还是有问题的。继续搜索网络,得知应该是中周里面的槽路电容不良,需要更换或者业余条件下把槽路电容弄掉在外面并联同样容量的电容也可以使用。 后来我就这样干了,查资料原机中周槽路电容是68pf的,手头没有这个容量的就用其它容量的几个贴片电容并联(并联后是72pf)代替了。 ![]() 第二季:增加一个信号强度指示功能 网络真是个好东西,原来没有想过见过的东西都会时不时出现晃到我。看到有些收音头有信号强度指示条,呵呵这个可以有啊。。 继续折腾,查资料确认可以从中放ic上面引出信号强度,接表头或者指示灯什么的显示信号强度。 用的中放ic是LA1851 ![]() 资料显示25脚可以输出信号强度,由于ic输出的驱动能力有限就加了一级三极管扩流(射随放大形式) ![]() 刚开始用了一个LED发光二极管作为信号强度指示灯,严重不爽。后来考虑装个指针表头或者指示条,发现不好挖面板。 正犯难时看到桌上有一个早先入手的电压表,灵机一动嘿嘿就是你了,哪里逃 ![]() 由于这个小电压表是供电采样一体的只有两根线,输入电压低于3v可能就不显示了。研究电路后把表头单独供电,采样部分引出来接信号强度那里 ![]() 小数码管表头装在面板里面了,打磨固定就不多说了全是泪啊。。 看看效果!你们说靓不靓?那是必须的!!! 由于信号最强时中放ic输出电压大概3v,所以我把数码管显示的值调节成按4倍显示,比如显示12.0就说明中放ic输出有3v。 ![]() ![]() 希望这是最后一次折腾这块板子了,背面改的面目全非。加了FM信号输入端子,引出信号强度输出还有它用以后再提 ![]() ![]() 音频输出部分也换成标准的RCA莲花座 ![]()
第三季:天线,这是个相当牛B的天线,其貌不扬但是的确吊的很,性能超乎想象。
第三季:天线,这是个相当牛B的天线,其貌不扬但是的确吊的很,性能超乎想象。
装了信号强度显示才发现随便扯一根线当天线是多么的幼稚啊,基本上没几个台信号够的,所以做一个效果好的天线势在必得。原打算弄一个五单元八木天线,经过实际测算和实地查看这个不靠谱,制作比较麻烦最主要的是太占地方、方向性太强。 又是一个偶然机会见到某宝上有卖一种垂直极化天线的,但是价格也不菲啊。样子看着倒是很简单,决定自己做一个得了。翻遍网络没见到这种天线的制作图纸,只知道个别数据,到处取经感觉这种天线就是八木天线的一个变种,应该是一单元的八木天线适当改动后出来的天线,后用手边现有材料慢慢拼凑、实验终于弄出一个类似模样效果也差不多的来。 制作图纸如下,有兴趣的可以参考一下。 ![]() 制作过程还比较顺利,边做边测试 手边能找到的东西感觉有用的都翻出来,下图一长一短是两根直径19mm不锈钢管子,黄颜色是绝缘板和常见的电路板材质一样。 ![]() 根据管子粗细将两片绝缘板打磨出合适凹槽 ![]() 慢慢组装 ![]() 绝缘板固定处细节 ![]() 主体大概弄好了,先固定在一根木棍上试试效果。 伸出窗外,哇!效果棒极了,这下心里有底了 ![]() 换成铁支架 ![]() 如果是金属支架就一定要把架子固定在长管子中点位置。 同轴电缆屏蔽层接中点位置,我直接拧在支架螺丝上了;芯线接短管子,我是用管箍固定的,方便可靠。 ![]() 同轴电缆距离管子40cm处盘直径20cm的圆圈4圈 ![]() 同轴电缆使用了专用接头 ![]() ![]() 正式安装。 固定在防护网外面。注意:一定要把这个天线放在外面才有效果,在室内几乎没什么效果。管子要距离防护网有一段距离并且要保证管子垂直地面。 测试时发现短管子朝上朝下放置信号差别不大,为了便于安装我让短管子朝下了,这样重心低一点 。 ![]() 防止接头进水氧化用硅胶涂了一遍,请无视那些到处乱流的硅胶 ![]() ![]() 突然感觉这个天线和那种发射天线很像,现在唯一的担心是会不会被不明真相的相关部门惦记上呢?那样整个人就不好了,到时大家替我作证啊。 ![]() ![]() 下面就是静下来享受成果了。 突然想起来测测这个天线下来的信号到底有多强,就找了一个场强仪测了一下。 不测不知道一测吓一跳,大部分电台信号都超过60dBuv,甚至70dBuv以上,当年有线电视模拟信号入户电平也无非如此了。 ![]() ![]() 索性随便多测几个台试试,从下面几个图可以看出大部分电台场强信号都在60以上。(测试时要把信号线拔下来接场强仪,某些台信号波动所以测试结果和收音头显示的结果并不太相符) ![]() ![]() 随便插了一根1米多的电线测了一下,电线摆放位置和方向不同信号变化比较大,还有是室内原因最大电平也没有到70的,最好的才60多。估计放室外会好一些。 ![]() 随便测了几个台,不咋样 ![]() ![]() ![]() ![]() ![]() (责任编辑:admin) |


























。 




























