最好的电子音响科技diy制作网站

haoDIY_音响电子电脑科技DIY小制作发明

【参赛】磁环无电源也再生/中短波两用收音机

时间:2017-08-08 15:50来源:www.crystalradio.cn 作者:cheungbx 点击:
【参赛】磁环无电源也再生/中短波两用收音机 ,矿石收音机论坛
磁环无电源也再生/中短波两用收音机


【参赛】磁环无电源也再生/中短波两用收音机【参赛】磁环无电源也再生/中短波两用收音机【参赛】磁环无电源也再生/中短波两用收音机

设计概念
此机的设计和制作是综合了 梁老师 的佳作 和 hjs_1961 老师的高Q磁环线圈的制作要点, 及个人对做磁环线圏抽头 和 用现有的元件去改良线路 来做出多用途 和实用性 的一些小想法, 做出成品供大家参考, 及分享制作经验和乐趣. 更要谢谢hhyy99版主和光说不练老师的帮忙拿到了高Q磁环和矿石组件等.

先谢谢梁老师发明了这个不用电源也有再生效果的3DQ电路(见梁老师的原帖: 磁环3DQ机可作到再生机的享受:http://www.crystalradio.cn/thread-596711-1 -2.html)
试制了该电路发现效果很好, 后来发现只要改些线路, 加些选择开关, 便可把它改做成一台”磁环无电源也再生/中短波两用收音机”.

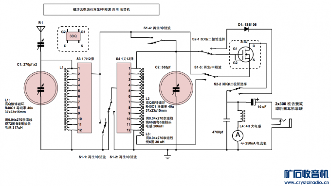
线路设计:

【参赛】磁环无电源也再生/中短波两用收音机

当把S1 选择开关拨到再生, 及S2 选择开关拨到3DQ 时, 线路变成一个3DQ 高效矿机.
利用天调线圈L1和C1 作天调, 然后直接把讯号送到C2及调谐线圈L2 组成的调谐回路上, S4 调整从天调电路接入L2 的线圈抽头位置来匹配阻扩, S3 调整 3DQ 源极从天调线圈得到的电能及阻扩来達到最高效能, 反复调S3 和S4 到再生临介点时可听到如再生机的哨子声.

当把S1 选择开关拨到中短波,及S2 选择开关拨到3DQ时, 线路变成一个3DQ 標準矿机. L3 提供3DQ 源极电能.
调整 S3 和 S4 时天调线圈L1 和调谐线圈L2 的部分线圈被短路, 剩余的线圈配合可变电容復盖不同的中短波波段 
当S3 和 S4 在2-3 时,復盖短波SW1, SW2波段. 
当S3 和 S4 在5-11 时,復盖中波MW波段.

当S3 在1 时, 天调线圈会被短路, 调谐电路可經C1 直接接到天线, 增加灵敏度.

此机也可用矿石或二极管检波. 只要把S2 选择开关拨到二极管,如遇强台时音量可能会大些但选择性会下降.



机箱设计:
要做到便携, 用了市面可买到的塑料盒子(270x70x40),
虽然是台多用途收音机, 也要把面版做得简㓗一些.
再盖上黑色卡纸面版, 美观又有现代感.
【参赛】磁环无电源也再生/中短波两用收音机【参赛】磁环无电源也再生/中短波两用收音机【参赛】磁环无电源也再生/中短波两用收音机【参赛】磁环无电源也再生/中短波两用收音机【参赛】磁环无电源也再生/中短波两用收音机

线圈做法:
做高Q磁环线圈要有多个凖备工夫, 不能过急. 我最初就是因为太急进, 没有做好防水气和绝缘的工夫, 产生了一些问题: 例如短波干扰可能就是磁环没有做好绝缘,线圈抽头接触到磁环做成的线圈短路引起的.

【参赛】磁环无电源也再生/中短波两用收音机

磁环的除水气方法:
参考了hjs_1961 老师的做法(见hjs_1961的原帖:我是这样绕制磁环线圈的http://www.crystalradio.cn/thread-594236-1-3.html), 先把磁环用电热吹风机烘干, 再用梁老师 的的做法 用蜡煮磁环, 驱除磁环内部水汽, 最后用聚四氟生料带包裹来绝缘.
【参赛】磁环无电源也再生/中短波两用收音机

磁环线圈:
三个线圈L1, L2, L3 做法一样: 用导磁率40的高Q镍锌磁环R40C1:一个37*23*15mm磁环或两个37*23*7mm磁环叠起, 原设计是用 0.04x175 的, 现改良了用0.04*270 李滋线绕线圈,希望能带出更高的Q值 .
L1: 绕72圈每6圈抽头, 电感量约317uH, 作为天调线圈.
L2: 绕66圈每6圈抽头, 电感量约286uH, 作为调谐线圈.
L3: 尾随L2绕多6圈, 电感量约30uH, 作为3DQ 源极(S) 线圈.

可用硬铁线做个绕线穿梭, 先把足夠长的线绕到它身上, 再利用它来穿梭于磁环中绕线.
【参赛】磁环无电源也再生/中短波两用收音机【参赛】磁环无电源也再生/中短波两用收音机【参赛】磁环无电源也再生/中短波两用收音机

磁环的抽头方法:

最初见到要用李滋线做12个抽头很烦恼. 后来想到了一个较完美的做法, 现在分亨这个把磁环线圈抽头的方法.
用纸板做一个纸环, 再用蜡煮纸环来防水气,把纸环放在磁环上, 把要抽头的圈绕在纸环之上(6, 12,18,24,30,36, 42,48,54,60),其他圈绕在纸环之下,用铬铁给线圈抽头上锡,上锡时铬铁要用30Watt 或以上的按着李滋线1-2分钟, 使所有270條幼线上的漆也给高温的锡溶掉而互相短路, 否则抽头效能会减弱,然后不用把抽头再接引线, 直接把抽头焊在单刀12择的脚上。减少损耗及过长的抽头引线做成的分布电容, 又可把磁环固定, 一石二鸟, 效果十分完美。
【参赛】磁环无电源也再生/中短波两用收音机【参赛】磁环无电源也再生/中短波两用收音机【参赛】磁环无电源也再生/中短波两用收音机【参赛】磁环无电源也再生/中短波两用收音机【参赛】磁环无电源也再生/中短波两用收音机【参赛】磁环无电源也再生/中短波两用收音机【参赛】磁环无电源也再生/中短波两用收音机【参赛】磁环无电源也再生/中短波两用收音机【参赛】磁环无电源也再生/中短波两用收音机
【参赛】磁环无电源也再生/中短波两用收音机【参赛】磁环无电源也再生/中短波两用收音机

其他组件:
用+/- 250uA电流表 的原因是3DQ 的输出极性会乎到调到的濒点及再生时的变化影响而反转.
因找不到小型的+/-250uA 电流表, 最后用了在淘宝上买的+/50 uA 小电流表, 但发现输出较强时可超过100uA, 用50uA 表头时經常滿度.
【参赛】磁环无电源也再生/中短波两用收音机 

那个串联到电流表的大电感要2 至4 亨. 我用了淘宝上买的-个小型1比1小坡莫变压器的一端约4.5亨.
【参赛】磁环无电源也再生/中短波两用收音机
【参赛】磁环无电源也再生/中短波两用收音机【参赛】磁环无电源也再生/中短波两用收音机【参赛】磁环无电源也再生/中短波两用收音机【参赛】磁环无电源也再生/中短波两用收音机
  (责任编辑:admin)
织梦二维码生成器
顶一下
(0)
0%
踩一下
(0)
0%
------分隔线----------------------------
发表评论
请自觉遵守互联网相关的政策法规,严禁发布色情、暴力、反动的言论。
评价:
表情:
用户名: 验证码:点击我更换图片
栏目列表
推荐内容