|
笔者本着少花钱的原则和发扬自己动手的DIY精神,设计制作了这个三管耳机放大器。整个电路的设计原则是用尽量少的元件,达到简洁而又音色迷人的效果。
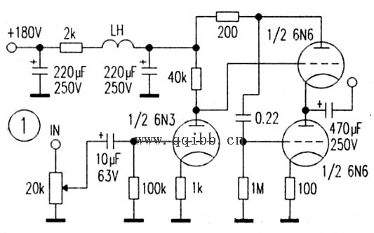
电路原理如图1。采用6N3共阴放大和6N6x2WCP方式输出,6N3采用J级的拆机管,6N6采用新的T级管。电解电容采用日本EL31A高速补品电容,无极性电容用汤坶逊MKP电容,电阻用五色环金属膜电阻,电位器是ALPS的,接插件全部采用优质镀金插座。180V阳极电压及6.3V灯丝电压均经过稳压,原先6.3V是采用LM317直接输出,后来发现LM317根本吃不消,开机不到2分钟,立即发烫进入保护状态,后来加了一个大功率管扩展电流输出,并加装了一个不小的散热器,开机半个小时后散热器温度大约40℃左右。因电源部分(电子报)以前多有论述,故在此不再赘述。整机采用电源和放大器分体式设计,机壳采用废旧光驱外壳,内部采用搭棚焊接。6N6本身发热比较厉害,故比较烫手亦属正常。
制成后外观如图2。整个电路失真比较低,用RMAA5和创新CT4700测得的总谐波失真为0.006%,频率响应平坦。由于采用电子管作放大器件,所以实际试听感觉音色温暖,中高频华丽、顺畅,低频力度稍差(相对中高频而言),但也算满意了,对低阻抗耳机实力的发挥比较到位,这也是WCF接法相对SRPP的优点。
![]() |






















