|
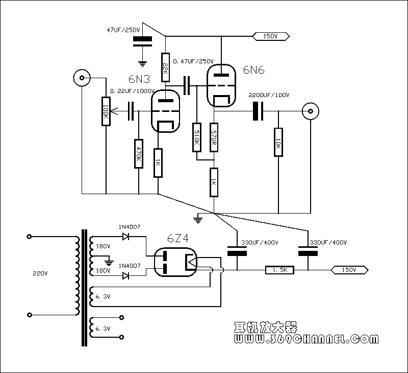
郁闷已久的问题终于解决了,昨天下午到邮局取回“winny”友情赠送的6N6,现在可以修复“雨夜听香”的胆机耳放了,其实是在分析电路的基础上重新制作了这个耳放。 这个耳放的电路原理如下: 当初“雨夜听”的样机照片,能看的出,当时他用的元件,尤其是第一级的管子是5670,不是国产的6N3。 看电路十分简洁,前面是一个6N3的共阴放大,采用的是阴极自给偏压电路,实测这一级的工作电流在1.82MA,后面是6N6的阴极输出电路,实测第二级的工作电流在25MA左右。 扳子的PCB照片,这个板子非常小巧,面积只有大约9CM*12CM,所有的电器元件,包括电位器都安装在PCB上了,给制作和调试带来许多方便。但是,会不会有由于元件太拥挤而使电解在电子管的高温烘烤下缩短寿命的嫌疑呢,这个就不得而知了。 这个板子我在重新制作的时候,对元件进行了仔细的筛选,本来手头有国产的6N3(旧管),但是,在应用过程中,发现这个管子在工作时间大于30分钟以后,出现明显的爆破音。最终还是采用了比6N3个头矮小的美国二手管子5670,为了提高耳放的增益,在5670的阴极1K电阻上并联了一个红宝石的220UF的电解(PCB上有这个电容的位置),同时把两级之间的耦合电容换成了WIMA的MKS-4的0.47UF的红色电容(原机是0.22UF的兰色非利浦的MKT),PCB上已经留了多种脚位,你也可以试用其他的电容了。6N6的阴极输出电容,也把原机带的2200UF/35V的红宝石兰色电容换成了拆机的ROE的金黄色轴向3300UF/50的品种,是不是太大了我也不知道,因为手头有这个电容,所以也就用了,按照一般的要求阴极输出电容的容量有470UF-680UF就应该能满足需要了。 电源部分也做了小的改动,为了获得比较温暖的音色,设计中采用了6Z4进行全波整流,考虑到减小电容的充电最电子管6Z4的冲击,把主滤波电容用了120UF/200V,由于6Z4的内阻比较大,实测滤波电容的两端电压200V左右,如果能采用250V的电解应该更合适。滤波电阻之后的电容用了680UF/200V的红宝石,需要说明的是把原来机器上滤波电阻之后的120UF/200V的电容换成680UF/200V的,低音明显宽松不少,高音也未见明显的变劣。 做成以后的机器照片,拍摄的不是很清晰,不过,也能大概的看出所用的元件了,由于机箱的结构问题,我没有把电位器安装在PCB上面,在结构上看起来比原机要乱一些。 最后说说对这个耳放的感觉,这个耳放与我以前做的6N11+6AS7的耳放相比较(我用的是AKG的K240M),明显的音乐细节多出好多,尤其是听交响乐的时候,清晰度要远远胜出不少,整体场面还是不错的,就是低频有一点紧,在我调整了上述的电容以后有了一定的改善。相对来说,我更喜欢这个小耳放的音质特点。 如果想把这个小耳放做的更漂亮一些,就采用原来的PCB设计布局,适当的选择元件,参考下图自己制作一个机箱,我想每个人对这个小家伙都会爱不释手的。 从下面的这个图片上明显看到国产的6N3的个头要比美国的5670要高大一些。 (责任编辑:admin) |





























