|
經過幾次調整~大致完成了 第一台耳擴 還算滿意 ![]() ![]() ![]() ![]() ![]() ![]() ![]() 殼的鑽孔都是去學校的工廠 念ME不趁機多用點實在可惜 ![]() 電源 變壓器 就直接用ucc 主要維持ra-1的元件 op 4556AD 電阻換成 PH 0.1% (470K 121K 100K) 兩顆5.1u Solen特別跑去堂竹買的 一顆$125 ![]() 不過效果非常滿意 從最初 wima紅殼3.3u -> UCC 3.3u ->UCC 5.1U ->Solen 5.1 初換上ucc 3.3u時 已令小弟感到整體好上不少 但覺得最明顯的是換上solen 5.1u 由於身邊沒訊源 都是放在朋友那接fubar 這次換完電容 朋友立刻說跟上次很不一樣 好聽很多 問我換了什麼!? 我想ra-1當初零件的使用還是有一定程度上的調配吧!! 目前對 rca母頭 連接 機內訊號線的地方不太清楚 用Mogami 2549 左右升到各一條 藍線RCA端接訊號 到VR 白線接RCA地端 到VR 地 隔離網的部份一端接到RCA地 另一端就沒接 不知道這樣正確嗎!? 剛裝好時本沒什麼電流聲 後來動一動 就變的有了 手一碰到機殼 或是 VR就變的更大聲 試了許久,嘗試從RCA母的地端 拉一 條線到機殼就沒了!!
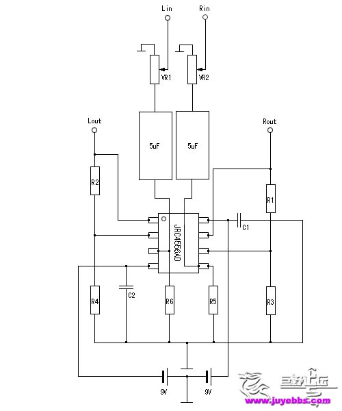
电路原理图1
电路图2 ![]() (责任编辑:admin) |














![[专题] GRADO歌德RA-1 耳放仿制](/uploads/allimg/120827/1S41VZ7-0.jpg)



















