最好的电子音响科技diy制作网站

haoDIY_音响电子电脑科技DIY小制作发明

当前位置: 主页 > 音响DIY > 耳放DIY >

新出炉的歌德RA1(4556运放)耳放

时间:2012-08-27 18:25来源:未知 作者:admin 点击:
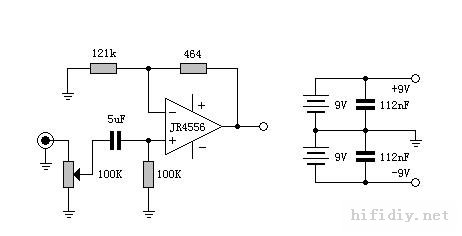
新出炉的RA1,用的是飞利浦固体4.7uf63v轴向电容。 耳机森海塞尔的PX80,和汉声PAA1,都不是很好,不过换运放还是能听出区别的。 手头没有4556,运放试过大S5532,LM833.OPA2134,OPA2604,AD827. LM833和5532声音大体一致,就是低频没有什么感觉,高音不圆润
新出炉的RA1,用的是飞利浦固体4.7uf63v轴向电容。
耳机森海塞尔的PX80,和汉声PAA1,都不是很好,不过换运放还是能听出区别的。
手头没有4556,运放试过大S5532,LM833.OPA2134,OPA2604,AD827.
LM833和5532声音大体一致,就是低频没有什么感觉,高音不圆润,整体有点干涩。
AD827声音又力度,动态好,不知道是电路问题还是这运放是假的,只有这个可以听到低噪,
不过按照网上的检测应该是真的。也许是电路不合适。
OPA2604声音浑浊,特别表现在低音及男音部分,怀疑是假货。
听着最舒服的是BB的2134,有声场,温暖,高音圆润,听着特别舒服

新出炉的歌德RA1(4556运放)耳放

新出炉的歌德RA1(4556运放)耳放

这款原厂设计的耳放售价在3000元人民币左右,而由于电路简单至极点成为众多音频DIY发烧友仿造的对象。下图是歌德RA1耳放的内部结构图,我们可以从中一窥其“讨巧”的设计思路。


新出炉的歌德RA1(4556运放)耳放
歌德RA1耳放简单的设计结构

  在线路板部分,我们看到它仅使用了6个电阻和4个电容和1个运放芯片。原厂RA1天生优势,一方面是因为采用直流供电,另一方面则是电路设计极其简单,因此根本找不到背景底噪方面的问题。也正是因为这些原因,RA1的输入耦合电容便决定了它音色以及音质上的特色和特质,也因此我们才能看到一些DIY发烧友更换不同的输入耦合电容来实现并得到自己想要的声音。

新出炉的歌德RA1(4556运放)耳放
歌德RA1耳放电路板细节
 

(责任编辑:admin)
织梦二维码生成器
顶一下
(1)
100%
踩一下
(0)
0%
------分隔线----------------------------
发表评论
请自觉遵守互联网相关的政策法规,严禁发布色情、暴力、反动的言论。
评价:
表情:
用户名: 验证码:点击我更换图片
栏目列表
推荐内容