最好的电子音响科技diy制作网站

haoDIY_音响电子电脑科技DIY小制作发明

当前位置: 主页 > 音响DIY > 耳放DIY >

PPA V 2.0耳机放大器耳放

时间:2012-08-28 09:53来源:未知 作者:admin 点击:
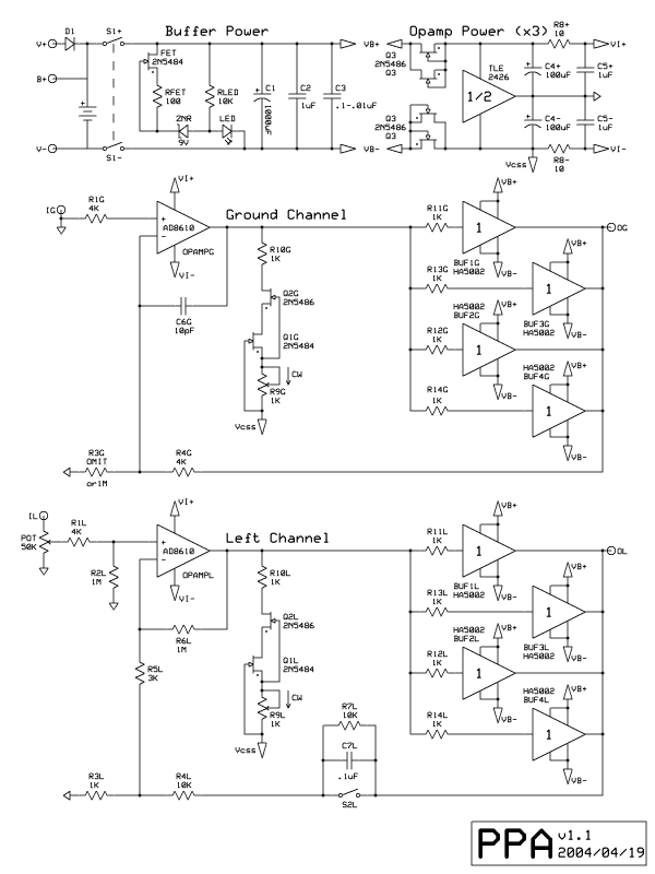
这个是装好的第二个耳机放大器:PPAV2.0 http://elvencraft.com/ppa/ PCB是用 http://www.tangentsoft.net/audio/ppa/amp2/ 的. 图纸和元件表都在上面网站能找到 Schematic and Layout 输出波形 10KHZ 20KHZ 50KHZ 100KHZ 〗
这个是装好的第二个耳机放大器: PPA V 2.0
PPA V 2.0耳机放大器耳放http://elvencraft.com/ppa/
PCB是用PPA V 2.0耳机放大器耳放http://www.tangentsoft.net/audio/ppa/amp2/的.
图纸和元件表都在上面网站能找到


PPA V 2.0耳机放大器耳放
 

Schematic and Layout

PPA V 2.0耳机放大器耳放


PPA V 2.0耳机放大器耳放
 
PPA V 2.0耳机放大器耳放
 
PPA V 2.0耳机放大器耳放

 
PPA V 2.0耳机放大器耳放

 
PPA V 2.0耳机放大器耳放

 
PPA V 2.0耳机放大器耳放

 
PPA V 2.0耳机放大器耳放

 
PPA V 2.0耳机放大器耳放

 
PPA V 2.0耳机放大器耳放

输出波形
10KHZ
PPA V 2.0耳机放大器耳放

 
PPA V 2.0耳机放大器耳放


20KHZ
PPA V 2.0耳机放大器耳放

 
PPA V 2.0耳机放大器耳放


50KHZ
 
PPA V 2.0耳机放大器耳放

 
PPA V 2.0耳机放大器耳放



100KHZ
 
PPA V 2.0耳机放大器耳放

 
PPA V 2.0耳机放大器耳放

 
PPA V 2.0耳机放大器耳放

 
PPA V 2.0耳机放大器耳放

 
PPA V 2.0耳机放大器耳放

 
PPA V 2.0耳机放大器耳放 (责任编辑:admin)
织梦二维码生成器
顶一下
(0)
0%
踩一下
(0)
0%
------分隔线----------------------------
发表评论
请自觉遵守互联网相关的政策法规,严禁发布色情、暴力、反动的言论。
评价:
表情:
用户名: 验证码:点击我更换图片
推荐内容