|
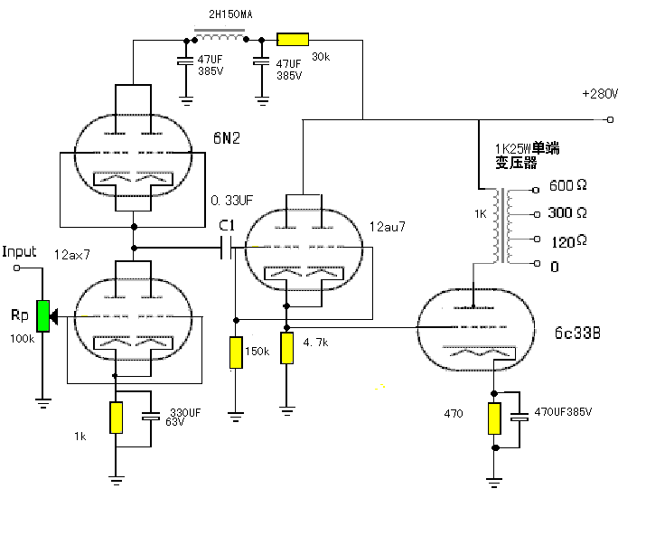
现在终于闲下来了,我来把这台耳放的制作过程向大家汇报下。要说这台机子就要从2个月前说起,当时我的6P14的耳放完工了,我请武汉的耳机玩家来我家听我的耳放,他们听后都感觉很满意,其中就有位朋友说他也准备做个胆耳放,用6C33做我听后就说6C33做功放声音不错功率也大,做耳放我没有做过怕声音发硬不好听(功放推耳机声音都有发硬的毛病)。当时我正准备做2A3的耳放,我说等我2A3好了你听听在决定肯定比你的6C33好听。他说不要紧万一声音推耳机不好,就把他改功放。后来他坚持还是要做我也就答应了在场的朋友都说我们俩病得不轻。 6C33决定做以后我和他就开始准备材料,各种管子和电容我这都还有很多,现在就是机壳的问题,我家现有的机壳是不锈钢的胆机功放的壳子,他说他喜欢木头的我也就忧闷中。。。。过了几天他就拿来了2个木头的壳子,我看了看有点四五十年代味道他说是找他们楼上在装修的师傅做的用的是紫檀木地板做的2个花了30元便宜啊。壳子有了其他的材料都有了,就开始看用什么电路。6C33的电路图我找了找,也没有找到几个。6C33的图太少了的原因,其中也没有我满意的,所以我就决定自己设计,在参考了其他的图和查了许多管子的资料,经过计算以后决定用以下电路。 电压放大用12AX7并管,6N2做恒流源,主机部分由改进的孪生三极管并联输入级和典型的阴极输出功率放大级组成。其奥妙之处有两点:一点是12ax7并联使输出阻抗减小一半,驱动能力增加一倍。瞬太更好、12ax7并联使得它频响比单管时好得多;另一点是用6N2做恒流管替代了负载电阻,由于它具有可变阻抗的特性可使动态增大、工作更加稳定。为什么使用6N2做恒流管而不也恒流二极管和其他晶体管是因为这就给人一种胆石混血的印象于是就用6N2带替。这部分保留了我以前的电路风格 经过计算有前面的电路就可以很好的推6C33了,不过我发觉以上电路输出阻抗有点高加上6C33的功率大线性大,所以推起来声音不是很好听。我就在后面加了一级12AU7并管组成的阴极跟随器,阴极跟随器有输入阻抗高,输出阻抗低的特点,还有改善音质的特点等等,加了级阴极跟随器后又出现了个小问题就是多了个偶合电容,我本人不喜欢过多的用偶合电容,因为好电容比较贵。电容多了对声音有害,所以我后面用的是直偶推6C33。电路确定了就要给电路设计个好电源,这个耳放的重点就在电源上了,一个好电源对一个好电路来说是很重要的,特别是这个电路,因为6C33的耳放的功率比较大万一电源不好,就很容易产生交流声,还有就是声音发粗等等问题。电源的我用的是分离电源,这样可以提高信噪比,减少电源对功放部分的干扰等等问题。电源的变压器我也是使用的分离变压器,高压是用的250W的EI型变压器灯丝是用的250W的环型变压器。整流部分我用的是胆管全波整流,因为用胆管整流的声音胆味好,声音暖听感好,我用一个胆管里的两个2级管并成一个2级管用,因为6C33的电流大。整流用的电容我用的是4个1000UF400V的意大利产的优质电容,用这4个大容量的电容是因为这4个电容装在机子上比较好看,还有电容越大电源越干净内阻低等等,不过大容量的电容也有它的坏去,经常做胆机的朋友都知道大容量的电容对胆整流管会产生很大的冲击和声音发硬(质量好的大容量电容声音是不会发硬的这个我以前试验过)现在的问题就是对胆管的冲击问题,因为大容量的电容开机须要很大的充电电流,这样胆整流管就会因为充电过大导致胆整流快速老化和打火等等问题。为了解决上面的问题我在每只胆管上加了个晶体管的整流2级管,先给电容充电10秒钟后电充满后在切换成胆整流管,这样就减缓了对胆管的冲击,起到了保护胆管的作用。本机的扼流圈原来我使用的EI型的后来我发现有人介绍说在电感量电流一样的情况下,使用C型的扼流圈比EI型的声音华丽度上有很大的提高比换好的偶合电容还来的快,我也就换了C型的试了试是比EI型的好了很多。后还为了把电源做得更好我在原有的电路上又加了级π滤波,用了2级π滤波2个C型扼流圈,这样电源更干净所以在声音放面有些原来没有出来的细节都出来了解析力在原来的基础上得到了很大的提高。(这是在本机调试中实验出来的)本电源来在每级π滤波上还并了个2UF400V的美国油罐电容,这样的好去是起到调音的作用,(油罐电容可以使你的声音变暖)在电源的末级高压输出上我加了第2级保护电路延时50秒,目的是先给灯丝通电,让功放极的管子先预热,起到了保护功放部分电子管的作用。 我在说说功放部分的调试,功放部分初看起来很复杂其实很简单,前面的小管子都是并连的。所以电路很简洁,第一级12AX7的是恒流的电流在2MA左右它的负压在1。5V左右,第2级的12AU7的电流在3。8MA左右负压在15V左右,6C33的电流在180MA左右负压在60V左右,还有就是管子全要配对这个很重要,还有就是6C33的阴极电阻要使用35W以上的大功率电阻,偶合电容我使用的是黑寡妇电容,这个电容的解析力特好,对了功放部分的2个很大的金黄色的电容是6C33的阴极电容我使用的比较大,470UF385V是因为这个电容换大后声场就变得很宽了,其他的您可以根据自己的情况来调换。本机的部线全是用的特富龙的镀银线(这个线好大家以后可以用这个线做机子)焊锡丝用的是进口含银焊锡丝,输出变压器用的是25W的单端耳放变压器,变压器输出它对中频段的播放格外甜美,具有十足的胆味色彩,并且可使不同阻抗的耳机获得良好的匹配、供给相同的驱动功率。这里还要说明的是输出变压器的好坏直接影响声音的好坏。而且耳放的输出变压器比电子管功放的输出变压器要难做得多,因为在扬声器放声系统中由于扬声器的阻抗一般在4-8欧姆之间,输出变压器的次极绕组匝数不多,分布电容造成的影响均可不予考虑。但在耳机放声系统中,由于耳机的阻抗在32-600欧姆之间,输出变压器的次级绕组匝数也较多,分布电容也就大造成的影响就必需考虑在内了。也就是说用于耳机放大器中的输出变压器,要想取的良好的高频特性,其制作难度比一般功放中使用的输出变压器要大很多。 本机声音方面的特点吗,本机完全没有前面所说的声音粗的毛病,声音还特别细在用本耳放推240BF播放陈洁丽的一水隔天涯中她的声音高频和细利度是让人不法忘怀,歌声的那个甜了,让人甜得受不了,还有有解析力就连她演唱时的口齿音和换气的声音都清晰可见,华丽度方面也非常好,打个很简单的比喻,你在晚上看天上的星星今天的天气不是很好,看到的星星也不是很多,用本耳放以后就像天晴了天上的星星都出来了满天都是清晰可见。本耳放在大动太也有他惊人的一面,他的动态和控制力简直是大得惊人,把240DF推到了极限240所有的潜力都爆发出来了,在用他听交响乐的时候乐器的定位感和大动态的控制力还有低频的弹性和柔暖程度让人兴奋。用他放雨果的第一鼓把240的低频延深度推到了极限,大鼓鼓皮震动的声音清晰可见。这个耳放一个字爽~搞得我那帮朋友都说我在放毒~毒得他们都受吃不消了~都一个个蠢蠢欲动~哈哈~~~~~``现在240DF已经满足不了我这个耳放了我那个朋友准备卖K1000~说句实话这个耳放就是为K1000准备的窝~~~~~打字打累了下次在写~想做本机的朋友可以和我交流我可以解答大家的问题。 (责任编辑:admin) |


































