|
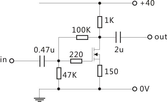
基本是PASS设计师老人家的线路,虽然线路简单,业余条件下DIY出来的效果还不错。。。 之前做过一次,当时对这个线路有点小看了。。现在又做了一次,感觉比前段时间DIY的几个前级线路都好。。 ![]() 管子采用IRF610或者IRF530 大功率场管,40V供电时大概有20MA左右的电流,对比2SK150 单端的超大失真,IRF610输入3V时失真不算大,确保了CD机最大电平输出时不削顶失真 这个线路前面供电用电子滤波,基本没什么噪音。。。 ![]() 图片来了,工艺不太好.... ![]() 这个线路出效果比较容易,如果提高供电电压,失真将会降低,声音会更好,管子用IRF610比较好。。。 (责任编辑:admin) |






















