|
本文相关资料下载
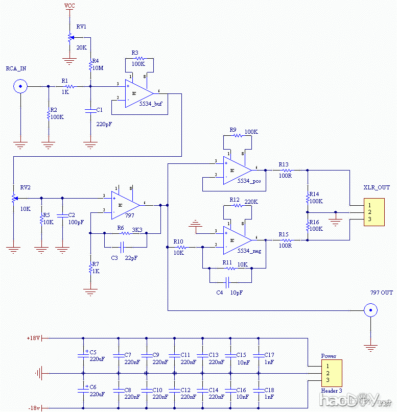
前一时期,坛友们对MBL 6010的讨论很多,经过投票,论坛响应坛友们的呼声,决定开发MBL 6010电路,并被许多坛友看好。 很荣信,ary同学被坛子选中,肩负着 “玩出有中国音响DIY特色的MBL 6010” 的使命。 经过几个月的努力,我做出了若干个版本,不过很不幸,都被枪毙掉了。这直接导致了MBL 6010项目的最终流产...,虽有流产,但我觉得也有不少的成功之处,现与坛友分享。 PS:从MBL 6010项目可以看出,其实论坛内部有大量工作都没有表现出来,很明显,这样的工作量坛友是看不到的,对这些内容,我看论坛也从来没有提过一句!幕后英雄啊,能在这样的坛子里混,我们(至少我个人认为)应该庆幸荣信。而事实上,史上仍有些PT从论坛跑出去叫喊着本坛咋样咋样,实属不应该! 入正题,老习惯,上原理图如下: ![]()
电路图基于最简单的运算放大器NE5534,基于最简单的运放放大电路结构。实现了放大,实现了前级!赞啊!
整个放大电路有三级组成:缓冲级、主放大级、平衡输出级。非常合理。下面我开始谈一谈我对电路的理解,希望大家也积极参与讨论, .
1,缓冲级 缓冲级的电路结构是一个最简单的基于运放的缓冲器,正端信号输入,负端连至输出端并最终输出,其中信号进入5534正端前先经过了一个R1与C1的降噪处理,再其前是一个R2的输入阻抗。由于5534这颗运放易产生直流输出的问题,所以外加一个20K RV1与10M R4的组合来调节直流输出。 就是这么简单! .
2,主放大级 主放大级是将缓冲级进来的信号加以放大,电路结构是是一个基于运放的4.3倍的同相放大电路。R5配合电位器组成对数电位器(http://bbs.hifidiy.net/viewthread.php?tid=32117),C2同样也是降噪电容,制作时应尽量的靠近运算放大器。主芯片MBL先前用的是5534,后来用的是AD797,AD797是一款蛮好的运放,我非常喜欢,故在此用之。如需用NE5534可能还要加一个如缓冲级一样的直流输出调节组合。 .
3,平衡输出 平衡输出是传输优质音频的一种输出模式,在传输过程中具有无可比拟的抗干扰能力,其后端也须接平衡结构,缺一不可。MBL的平衡输出将主放出来的信号兵分两路,一路正向缓冲,一路反向缓冲,两路输出再合并为最终平衡输出,所以其实这个过程有一个2倍放大在里面。 .
以下交待我的PCB版本,我的最终PCB版本由三部分组成:缓冲级部分、主放及平衡输出部分、LM317/337电源部分。
如图: .
缓冲级顶层丝印
.
缓冲级PCB图
. (责任编辑:admin) |




























