最好的电子音响科技diy制作网站

haoDIY_音响电子电脑科技DIY小制作发明

当前位置: 主页 > 音响DIY > 功放DIY > 前级DIY >

电池版黑胶电唱机唱放唱头放大器

时间:2013-07-21 09:51来源:www.tubebbs.com 作者:鹰熊 点击:
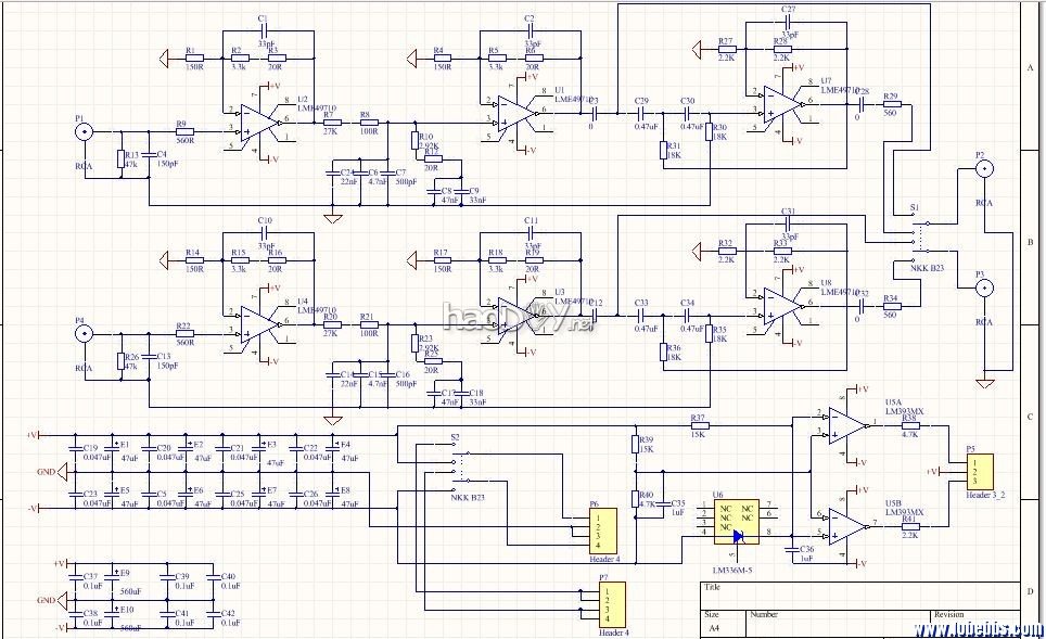
8节18650电池供电, 经典 衰减式电路+低频切除 感谢版主给铜板!补上线路图等: 线路图 PCB 仿真
8节18650电池供电,经典衰减式电路+低频切除
电池版黑胶电唱机唱放唱头放大器 

电池版黑胶电唱机唱放唱头放大器 

电池版黑胶电唱机唱放唱头放大器 

电池版黑胶电唱机唱放唱头放大器 

电池版黑胶电唱机唱放唱头放大器


感谢版主给铜板!补上线路图等:

线路图
电池版黑胶电唱机唱放唱头放大器 



PCB
电池版黑胶电唱机唱放唱头放大器 

电池版黑胶电唱机唱放唱头放大器 



仿真
电池版黑胶电唱机唱放唱头放大器 

电池版黑胶电唱机唱放唱头放大器

 


(责任编辑:admin)
织梦二维码生成器
顶一下
(1)
33.3%
踩一下
(2)
66.7%
------分隔线----------------------------
发表评论
请自觉遵守互联网相关的政策法规,严禁发布色情、暴力、反动的言论。
评价:
表情:
用户名: 验证码:点击我更换图片
栏目列表
推荐内容