最好的电子音响科技diy制作网站

haoDIY_音响电子电脑科技DIY小制作发明

当前位置: 主页 > 音响DIY > 功放DIY > 前级DIY >

diy制作1028+ad797+ad797运放MC唱放唱头放大器附线路图纸

时间:2012-12-28 15:58来源:bbs.hifidiy.net 作者:鹰熊 点击:
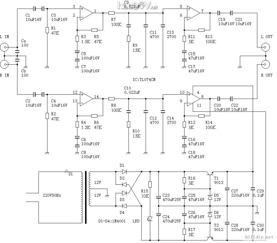
6运放MC唱放,照板施工后再弄了个最便宜的厚铝壳装上。 下载 (64.74 KB) 2012-2-7 21:40 下载 (62.54 KB) 2012-2-7 21:40 据说是MBL6010D的唱放板电路,电路不详,照着板子焊上元件就响了。运放1028+797+797。我猜就是这个电路加上1028十倍放大。
6运放MC唱放,照板施工后再弄了个最便宜的厚铝壳装上。

diy制作1028+ad797+ad797运放MC唱放唱头放大器附线路图纸

diy制作1028+ad797+ad797运放MC唱放唱头放大器附线路图纸


diy制作1028+ad797+ad797运放MC唱放唱头放大器附线路图纸


据说是MBL6010D的唱放板电路,电路不详,照着板子焊上元件就响了。运放1028+797+797。我猜就是这个电路加上1028十倍放大。

diy制作1028+ad797+ad797运放MC唱放唱头放大器附线路图纸 (责任编辑:admin)
织梦二维码生成器
顶一下
(1)
100%
踩一下
(0)
0%
------分隔线----------------------------
发表评论
请自觉遵守互联网相关的政策法规,严禁发布色情、暴力、反动的言论。
评价:
表情:
用户名: 验证码:点击我更换图片
栏目列表
推荐内容