最好的电子音响科技diy制作网站

haoDIY_音响电子电脑科技DIY小制作发明

当前位置: 主页 > 音响DIY > 功放DIY > 前级DIY >

400大洋再做--运放前级

时间:2012-09-30 21:06来源:hifidiy.net论坛 作者:superxo 点击:
这段时间帮朋友改了几个DAC和前级,研究了不少电容的特性,积累了一些经验,计划不惜工本做个较高素质的前级。 先看看前段时间反复折腾的运放前级1.2版。 下载 (90.12 KB) 2009-8-22 01:35 在1.2版的PCB上试验1.3版本的线路,积累不少经验。 开始备料正式搞
这段时间帮朋友改了几个DAC和前级,研究了不少电容的特性,积累了一些经验,计划不惜工本做个较高素质的前级。
先看看前段时间反复折腾的运放前级1.2版。

400大洋再做--运放前级

在1.2版的PCB上试验1.3版本的线路,积累不少经验。
开始备料正式搞自己的运放前级1.3版
运放前级PCB 1.3版
400大洋再做--运放前级
这前级最大的特色就是电源部分,采用运放IC做稳压,据设计者介绍,这个稳压电路在10-40KHZ范围内电源内阻很低,而且纹波非常非常少。可以说这个运放前级音色出众,基本就是这个用运放IC组成稳压电路的功劳。
前几个版本的稳压是采用2个双运放做稳压,供电略有不足;这个版本采用四个运放做稳压,电流可达100mA。
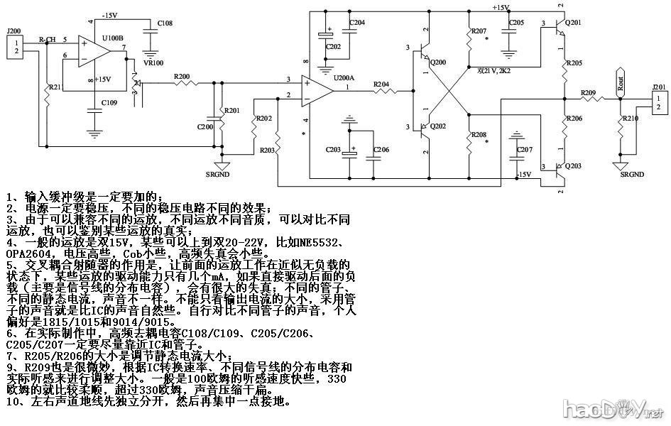
运放前级的原理图:
400大洋再做--运放前级
买来的部分RA电阻
400大洋再做--运放前级
先把核心放大的运放IC焊上,由于是贴片,先焊在全镀金的IC座上,再焊到PCB上。
先焊决定线路增益的2对电阻。
400大洋再做--运放前级
400大洋再做--运放前级 400大洋再做--运放前级 400大洋再做--运放前级 焊电阻也有点讲究:电阻是悬空的,和PCB板有0.5mm距离,减少互感电容。

未完,下期继续。(这个前级的声音,除了RA电阻外,最终还需要电容调声)

400大洋再做--运放前级

稳压用JRC5532DD(DD表示高精度),小退藕电容用黑WIMA

400大洋再做--运放前级 400大洋再做--运放前级 400大洋再做--运放前级 石城的运放前级估计声音偏软,气势出不来400大洋再做--运放前级 400大洋再做--运放前级你的退藕小电容赶紧扔了………………

400大洋再做--运放前级

400大洋再做--运放前级


400大洋再做--运放前级

400大洋再做--运放前级


市电部分还没有“装修”临时接个线,赶紧试听!!!
400大洋再做--运放前级

呵呵,辛苦搞了这么就的前级。
声音再好,也说不清楚,而且,口说无凭,实听为上。无法让烧友一一来听。
用RMAA实测数据,用数据说话:
400大洋再做--运放前级

最终装机,调整一下
加了个LED伺服(洞洞板)
400大洋再做--运放前级

实测的前级噪声水平,断开输入,只接输出,音量开到最大。
运放前级1.3版
400大洋再做--运放前级
运放前级1.2版
400大洋再做--运放前级



今天借到仿高文直刻版前级,和运放前级对比对比
仿高文直刻版前级配仿高文全铝机箱,高贵大方,看得赏心悦目!! (责任编辑:admin)
织梦二维码生成器
顶一下
(1)
50%
踩一下
(1)
50%
------分隔线----------------------------
发表评论
请自觉遵守互联网相关的政策法规,严禁发布色情、暴力、反动的言论。
评价:
表情:
用户名: 验证码:点击我更换图片
栏目列表
推荐内容