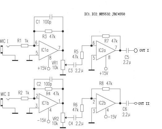
![]() ne5532或4558运放构成的双路调音台话放电路 (责任编辑:admin) |
交换(阶梯式)衰减器无源音量控制 所以我一直想尝试,这些阶梯式的加强了,而现在的...
前一时期,坛友们对MBL 6010的讨论很多,经过投票,论坛响应坛友们的呼声,决定开发MB...
最近发现做前级的朋友多不胜数,一时心血来潮,自己也搭了一个,话说合并机做过很多,...
闲来无聊,仿隔壁JINLIZHPC大侠的电路制一台3DG8分立元件前级,原电路三极管用的是3DG...
简介:自制了一款洞洞板高压分立前级,正负50V甲类并联稳压电源供电,经过几位HI友试...
凭着执着与自信,为自己的锁定的目标而折腾,一路颠簸的走来,从平庸到超越,最终愿望...
澳大利亚译文:DIY动磁式(MM)RI
更新:2012-11-01
我的仿Mark Levinson JC-2前级的
更新:2012-09-28
仿德国MBL6010平衡前级 建国59周
更新:2012-10-04
最简单的无源前级
更新:2012-09-27