国外译文:lm49720+OP1632运放基于平衡的前置放大器前级
时间:2013-01-18 10:33来源:未知 作者:admin 点击:
次
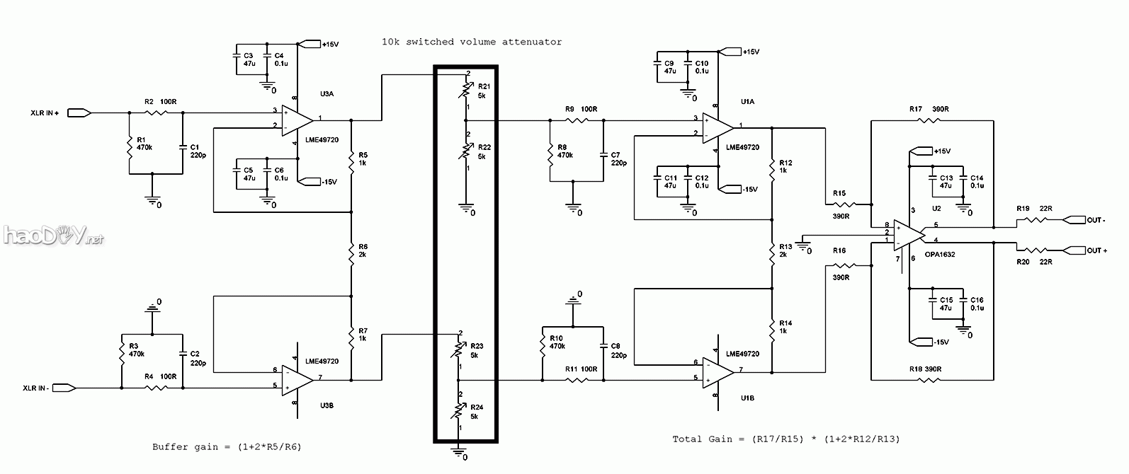
此预 放大器 是一个简朴的 运算放大器的 前置放大器 , 包罗 一个缓冲级 , 作为 音量衰减 , 另一个缓冲区 ,然后 均衡线路驱动器 的电阻器路线 。 行使的缓冲区 LME49720 , 一个 国度 高机能 双运放 。 均衡线路驱动器 的Burr Brown OPA1632 。 配置 的输

此预放大器是一个简朴的运算放大器的前置放大器,包罗一个缓冲级,作为音量衰减,另一个缓冲区,然后均衡线路驱动器的电阻器路线。行使的缓冲区LME49720,一个国度高机能双运放。均衡线路驱动器的Burr Brown OPA1632。
配置的输入阻抗是通过R1和R3,这是47万。缓冲器增益毅力由R5,R6和R7。缓冲器增益=(1 +2 * R5/R6)。 (附注:R12,R13和R14的第二缓冲器)。全差分运放OPA1632的增益是R17/R15。
在我的配置中,每个缓冲器增益被配置为2,而差动运算放大器的增益被配置为1。因此,此前置放大器的总增益是4。 (12分贝)
此前置放大器可以用于单端输入/输出板。当用于单端输入,只能选择外接单++信号的。在应接地。对付单端输出中,仅行使了+信号。
下面是运放电路板道理图(点击放大):

PCB图,每个PCB是一个通道(点击放大):
(责任编辑:admin) |
织梦二维码生成器
------分隔线----------------------------