最好的电子音响科技diy制作网站

haoDIY_音响电子电脑科技DIY小制作发明

当前位置: 主页 > 音响DIY > 功放DIY > 前级DIY >

用废旧料打造6sn7+ef39电子管胆前级

时间:2012-10-22 21:10来源:hifidiy.net论坛 作者:admin 点击:
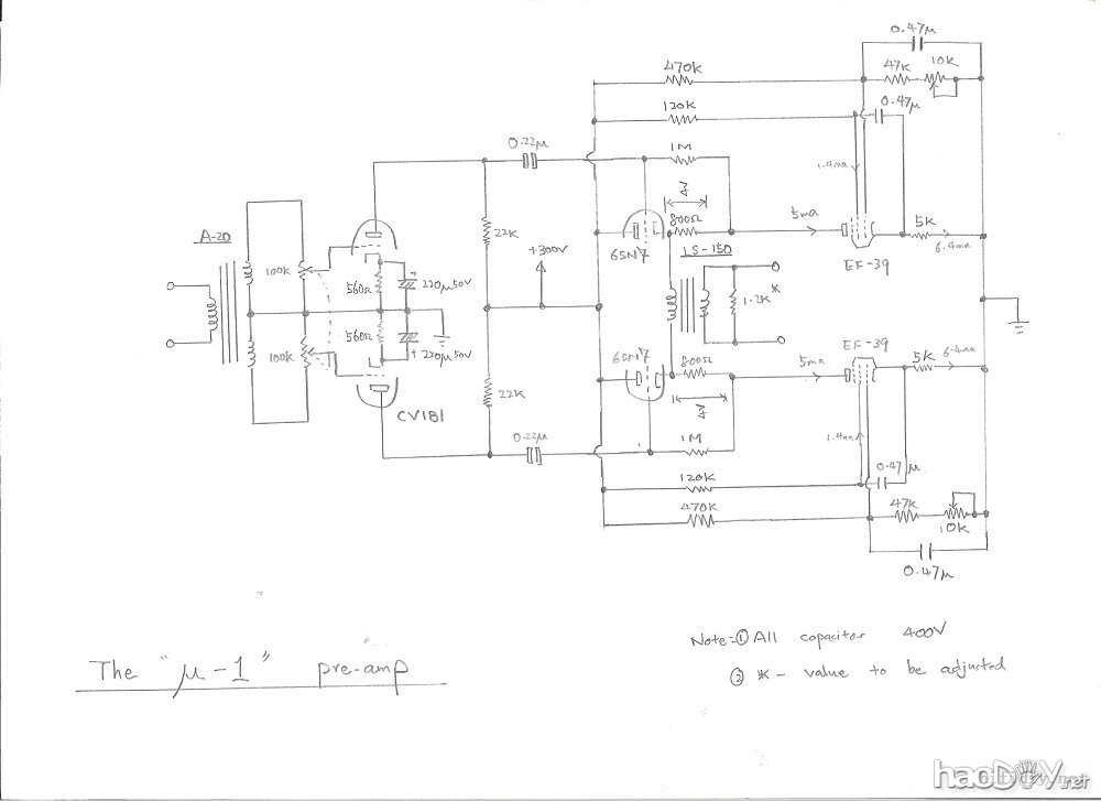
最後一台diy 300b巳是1994年了,現在連音箱也沒有,在這裏又開始燒起來,希望又可馒慢打造自己的組合,以下是剛畫好的圖,希望各大師多多指點 下载 (58.6 KB) 2010-10-17 17:26 A20是10Hz~50kHz +-2db,LS-150是7Hz~50kHz+-1db 下载 (80 KB) 2010-10-17 17:12 今天
用废旧料打造6sn7+ef39电子管胆前级

最後一台diy 300b巳是1994年了,現在連音箱也沒有,在這裏又開始燒起來,希望又可馒慢打造自己的組合,以下是剛畫好的圖,希望各大師多多指點

用废旧料打造6sn7+ef39电子管胆前级


A20是10Hz~50kHz +-2db,LS-150是7Hz~50kHz+-1db

用废旧料打造6sn7+ef39电子管胆前级

用废旧料打造6sn7+ef39电子管胆前级

今天用最低能的方法排位

用废旧料打造6sn7+ef39电子管胆前级

電源決定用三級 choke!

今天己把孔鑽好,

用废旧料打造6sn7+ef39电子管胆前级

用废旧料打造6sn7+ef39电子管胆前级

因小弟未有音箱,而輸出牛可有50 ohm,所以加入耳機輸出

用废旧料打造6sn7+ef39电子管胆前级

用废旧料打造6sn7+ef39电子管胆前级

輸出是用XLR

用废旧料打造6sn7+ef39电子管胆前级

終於把它做好了

用废旧料打造6sn7+ef39电子管胆前级

用废旧料打造6sn7+ef39电子管胆前级

 

沒有什麼好胆,主放大用CV181,即ECC32,特性跟6Sn7差不多

用废旧料打造6sn7+ef39电子管胆前级

陰極跟随器用CV1988,即6SN7

用废旧料打造6sn7+ef39电子管胆前级
织梦二维码生成器
顶一下
(0)
0%
踩一下
(1)
100%
------分隔线----------------------------
发表评论
请自觉遵守互联网相关的政策法规,严禁发布色情、暴力、反动的言论。
评价:
表情:
用户名: 验证码:点击我更换图片
栏目列表
推荐内容