|
玩胆机也不过几年时间,从第一台el84的推挽到6v6的单端,再做到五级管线路的300b,折腾不少,精力,财力花费不少,最后还是觉得,胆机要讲音色,非单端莫属。可是单端的使用也需要巧妙的搭配和合理的线路使用,这个其实不用我说玩家自然明了,可是怎样搭配和选择,却是仁者见仁智者见智,这也造就了每一家的胆机效果,包括每一个完成的系统,看似用料几无差别,但在音乐的回放上却是千差万别。要不然单单一种管子的几十上百种线路的讨论就毫无意义可言了。 所以个人需求不同,对听音乐的要求也不一样,音乐不仅是可以用耳朵来倾听,也可以用心灵来感受,用文字来记录。音乐是心情的记忆,心情是音乐的写真;用心灵诠释音乐,用音乐感动心灵;聆听音乐心情,聆听心的声音…… 有人但求能响完事,有人却要追求至高品质,要求真实还原和现场重现。反正就是折腾吧。在折腾机器的过程中,体会每一次的失败和成功,与家人分享,与朋友分享,感觉到每一次的不同,感觉每一次的提高。从玩音响器材的不断提高到对音乐本身理解的升华,这个过程相信是大多数依然孜孜不倦追求至高境界的烧友最难以割舍的情结,当然这也是最让大家欲罢不能的真正原因。我自己也是一谈论起音响,平时寡言少语的人就会象突然变了另外一个人,开始滔滔不绝,只说的是唾沫飞溅,思如泉涌,尤其是平时的三五个臭味相投的朋友在一起,那更是你方唱罢我方唱,不是华山论剑就是独孤求败,不说个柳暗花明,不争个天翻地覆誓不罢休。从茶楼打到家里,又从家里打到网上,都是而立之年的人了,平时工作懒懒散散,只要一谈到音乐个个那是生龙活虎精力充沛的浑身象使不完的劲。 扯远了,其实写这篇帖子的目的不是又想掀起什么“血雨腥风”,只是最近的一些心得体会,从音响回归到音乐,当内心终于平静时,才知道玩无止境,只要自己喜欢就好,在音乐中回忆感受那些曾经的经历和体验,才是最值得我们留恋的。 最近刚刚完成一套300b分体单端,说它是一套,其实是一个系统工程,因为这次做机完全跟以前不同,要求就是在目前条件下的“完美”,所以从300b本身的参数出发,分析管子的特性,确定合适的推动线路,再从线路出发选择合适的推动管,确定需要牛的参数,从这个线路的特点选择符合音色表达的元件,然后是机箱的设计摆位,外观的取舍,反正是做足了案头工作,将每一个细节全盘考虑做一个统筹计划,找出最好的方案。当我终于可以坐下来写这篇做机体会时,才发现距离那个想法已是一年有余。我知道眼前的成品不是完美的代表,只能是自己意愿的成功表达,音响界也从来就没有什么完美二字,我依然还要努力。所以放上这篇心得期待和大家沟通交流关于音乐,关于音响,关于diy的那些事儿……
的确音响是一个系统工程,每一个环节都存在着相互关联,也存在着相互制约,最终喇叭出来的声音效果是否达到自己的要求,除了测试仪器评测,还需要自己的耳朵来验货。所以从diy的角度来说,只要你有想做一台机器的想法,不管是后级、前级,亦或者是dac,转盘部分,甚至是线材等等,都应该把它放到整个系统中去考虑,也就是说首先要熟悉自己手中设备的特点,了解每一部分在声音表达上显露出来的个性,有针对的来制作你的新设备,带有这样的前瞻性和目的性,会让我们在整个diy的过程中少走弯路,少些花费。统筹兼顾一定不能少,这是从宏观上来考虑,那么具体到这台机器的制作时,你自己就会在“为整个系统服务”的理念下,很自然的选择最合理的电路,最搭配的元件,即便是到后期的调整上也会很快达到你的要求,因为你从一开始就没有充当“炮灰”的角色,没有“摸着石头过河”。其实这个道理很简单,只是在实际操作中我们忽略了,没有去考虑这么多,更多时候我们不过是充当“焊工”的角色,随便拿来一个电路,随便购置几个参数合适的元件,随便找些导线,反正就是一切都随便,“玩”的心态吗,可是想过没有,我们“玩”的目的是什么?diy音响的目的是什么?是为了“废物利用”?还是“勤俭节约”?是为了制造一个能发声的机器?还是把一堆“破铜烂铁”组装成另外一堆“破铜烂铁”?我想都不是,我们的目的就是一切为最美妙的音乐服务,用自己的能力满足聆听最美声音的愿望,在这里,我希望是“最大能力”。那么这就是态度问题,既然diy音响注定是大多数男人搞的玩意儿,那就应该拿出自己的男人本色,认真,负责,睿智的做好它。又扯远了,本来是想说一些有关技术方面的事儿,结果不自然就开始探讨理念问题了。 这次制作虽然表面上是有关300b的整个diy过程,其实这套机器的外围更加重要,这个感觉就像一棵大树除了挺拔的躯干,还要有吸收水分和养料的根须,进行光合作用的茂密树叶一样,这其中的很多奥妙容我慢慢道来。 300b在管界的地位甚高,就像演艺界的大牌明星,身披光环,却也是八卦不断,素有“梦幻之球”美称,也有只会发出“太监声”的唾弃,人们总是把自己的情感寄托在这个小小的管子上,期望越高,注定失望也越大。前辈有人用它做出了让自己满意的“天籁之声”因而洋洋得意,也有人耗费巨资,使尽浑身解数也不得要领,最终仰天长叹将其束之高阁。后来者仰慕它的华丽飘逸,拜倒在它素有“胆后”之称的脚下,为那些传说的故事所迷惑,也是前赴后继竞相奔它而去,有头破血流者,也有知难而退者,更多的是那些观望着,虽没有加入这只“队伍”却也是在旁边“摇旗呐喊”,“幸灾落祸”者也不在少数。玩一个300b玩出了这么多心态,这么多花样,这在胆界也算是个传奇。其实300b就是300b,一个三极管而已,因为西电把它当功率管的一次偶然使用才有了今天的命运,不然它永远都会象那些声音更漂亮的古董管一样,永远埋葬在历史的长河中。所以历史总有那么些说不清道不明的偶然,偶然造就一个“神话”,偶然造出个300b。可是我想“神话”只能属于那个年代,那个距今70年的时代,那时的材料,工艺,态度造就了它,这个神话只属于“西电”,那是一个胆的世界,为胆而存在的世界,为西电300b脱颖而出做了无数铺垫的时代,冶金技术,材料技术,装配技术,电路设计,元器件工艺,等等,甚至是装配车间的空气都是为了300b而来,当这一切都累积到一定程度,偶然也就变成了必然,“神话”也就变成了无法超越的技术。任你西电后来为市场需要复刻也好,还是其他厂家仿造也好,都是“画虎不成反类犬”,我相信神话,但绝不迷信神话,尤其是现代神话,现代300b它就是一个三极管,永远不要再给它披上“神话”的伪装。说到这里应该明白了,现在的300b其实就和其他管子一样,喷碳也好,网屏也好,金栅丝也好,镀金也罢,材料和工艺改来改去都不会改变它最本质的声音特点,外观永远都不是决定因素,真正的关键还是电流,电压的合理使用,这一关达不到,西电也只会“****”。所以不要被那些商家忽悠,我们需要的是一个电子管,一个现代工艺的电子管,一个忠诚为我们服务的电子管,选择它就是让它发挥自己的能力,努力表现好每一个音符,而不是被它的秉性牵着鼻子走,也别自己把自己忽悠掉了。我选则6sj7推6v6然后推动牛耦合的电路就是为了让300b获得足够稳定的电压和电流,让声音信号有足够的频宽才是关键。这也是后级设计的理念---出力。300b固有的宽阔的声场,透明的质感,无以替代的中高频在任何一个合理电路上都会得到良好表达,这也是很多人喜欢它的原因,但它的低频表现总被诟病,那就要对症下药。从电路上考虑,用牛推是解决之道,细化到内部元器件的选择,一级滤波是tcc的油罐,声音表现全面均衡,二三级的滤波的m-cap电解也是低频表现优秀,斯碧的电解稳定可靠,低频表现优秀,所以在6sj7和6v6阴极都有使用,300b阴极用100u“战神”和100u斯碧搭配,这是我找到的最好选择,这里就不要用油罐了,没有必要而且百害无一利。电阻部分大功率的都用达尼铝壳,小功率用“家当”,机内线主要是单晶铜特富龙线,电源部分用了镀银特富龙,信号部分是屏蔽的镀银特富龙,其他就没有什么可说的了,我也不想制造“零件玄学”,这些选择是建立在老鸟的经验和自己的理解基础上,反正就是合理使用吧,因为我自己需要的是一台三频均衡的300b,它只管出力,表现好自己的特质,在这里去考虑音色调校甚至使用无数的补品只能事倍功半,音色调校我靠前级来实施,纵观世界大厂的音响产品,无不是这个理念,这也是一条屡试不爽的真理。现在该来说说我的障板了,小功率单端的最好拍档是什么?就是全频喇叭,高效率和无损失的声音还原可以将单端的音色发挥到极致,日本的丰达四寸单元是我最早配合一台五级管300b的,箱体是迷宫号角,现在看来,这个单元不太适合300b的特质,箱体制造的低频连及格都谈不上。三频全面的全频才是上佳之选,当我得到一对飞利浦的9710m时,我终于知道小日本的东西还是差的远,哪怕是和欧洲的七十年代产品比较。为了这对9710m我才产生了重新制作一台出力平衡的300b的想法,而0.7的q值更是上障板的不二之选,有个朋友告诉我:9710绝对不要向箱体妥协。现在我对这句话深信不疑。因此我的系统设计思路是这样:喇叭决定障板,障板系统决定300b的线路设计,300b作为后级寻找最适合它音色的前级,前级的增益大小决定dac部分的合理设计,dac的特点决定转盘的能力,至于线材如何使用,我只有一句话:量力而行。这部分不会改变你整个系统的本质。 还是从喇叭说起,9710m阻抗8欧,双纸盆结构,磁体是天然的钴磁,瞬态反应高效快速,声音属于没有任何“味精”的监听风格,频率响应45-20k,8.5英寸口径,灵敏度95db。如果用石机来推注定失望,所有只有一个味道“干涩”,别不信这个结果,这都是老鸟用经验换来的。但是单端胆机却是绝配,但还是有前提:只限少数管,300b就是其中一个,各种道理不用解释,特性使然。但只有这个也不够,前级的音色调校也是关键,胆输出更是不二之选我用的是we417(5842),再往前dac部分,我试验过目前最新的1792芯片机器,飞利浦的1541成品机,都被pass掉了,原因无他,声音过于直白,逃脱不了的干涩味,最后我用到了陶封的1540,终于明白,现代芯片的优美参数并不会和好声有直接关系,高素质的喇叭再配高解析度的芯片只能是“雪上加霜”,只会让声音距离音乐性,耐听性更加遥远,飞利浦1540,一个只有14bit的芯片早在十几年前的产生之初就有飞利浦的专家定性:应运于民用的音乐表现---足够。关于它的话题我不想再说更多,因为它现在的价格已经不便宜了,我不想让它升成天价,只送一句话:无以替代的模拟风格。我想没人否认黑胶才是声音的王者,模拟味,真实感,厚润,就像我们追求的德国蔡司的色彩,浓郁,浓郁之外还是浓郁。这才是音乐的真谛。关于9710的障板设计我参考了国外玩家的很多资料,也用专业软件根据自己的听音环境做过模拟,最后在重庆大师级玩家老雷的帮助下完成设计,结构和用料图片已有描述,我就不再次啰嗦了。我想自己说到这里该打住了,网络尽管是一个开放的系统,但是即便是很中庸的态度也会在某些细微地方得罪人,我自己意犹未尽,交给大家的也是不够详细,但现状就是这样,本人不想搞起什么争斗,所以写到最后我自己也觉得越来越口水,好像都是感受,技术的东西不多,我想基于我的考虑,还是私下交流比较好吧。留个我的qq:450021570,大家共同提高。 开始选择机箱,原来设计都是单层的机壳,这次从开始规划就决定设计成双层结构,所以用这种进口设备机箱每三
#p#分页标题#e# 三个铆接成一个,这个是单个的,已经按图纸开孔
看看这个铆接细节,用4mm螺栓,每个接触面6个安装位置,相当结实
还是从头开始,这是面板开孔定位图,手工操作
选料部分
在等待面板加工期间先制作牛盖
这次定的牛共八个,电源牛和输出牛都是114*50的z11片,0.2mm厚
扼流圈和推动牛也是0.2mm的z11片,所有牛的规格尺寸难以附和市面成品牛罩
所以只有自力更生,用5mm铝塑板做内部支撑,外贴2mm铝板
一定要在上盖开孔,利于散热,大圆孔是电源牛,小五孔是输出牛,还有个扼流圈的圆孔
部分贴好的效果
终于等来了面板,5mm厚,加工的不错
内机箱和面板留1.5cm间距,为后期布线埋下伏笔
所以木框的沉台尺寸一定前期规划好,当然难度是两层板开孔的精确定位
这些开孔也是难度,一定要精确,不然滤波电容无法到位就郁闷了
这个孔是为了走地线开的,再次展示,是说明一切都要做好前期规划
内部开始布局焊接
还是那句话:一定做好案头工作,制定最优方案
牛的安装一定不要忘记安装减震橡胶,很重要
用长螺栓,因为要靠它铆接双层板,这也是设计的一部分
这个就是端倪,看出没有?螺栓一通到底
就是靠牛身的十六根螺栓实现和内机箱的连接,所以面板看不到螺丝
安装座位置专门做了打磨,所以显得和周围有区别,不过一上面板就好看了
剩下的就是本人最喜欢的工作,焊接,先看看地线走向
这张看的清楚些
焊接完工,底板安装
大图一张
两个完工,这个该算最强悍的底板设计了
系统配置,这个组合我会后续仔细介绍出来
障板设计过程只有明天上图,今天限制了
最终的障板设计,采用2.5cm夹板
毛坯
单元安装,用沙袋调整,也是配重
大小的对比效果
上漆的效果不是很好,等有时间重新贴实木木皮
宽阔的空间是障板出好声必须的
障板的声场和透明度箱体永远望其项背
我想diy不该是“省钱”的代名词吧,个性的张扬,情感的表达才是其真谛,不同的个人能力造就了每个人不同的的表达方式,但是相信从这些饱含激情的钢铁外壳下,大家感受到的是一个个为音乐所感动,为音乐而奉献的鲜活的灵魂。 同样的管子尝试不同的线路会有不同的感觉,300b如此,其他功率管亦如此,玩家不会都是“从一而终”的,“金盆洗手”谈何容易。我想真正的diy是没有什么性价比可言的,国外如此,国内一样,当然那些自己加工然后寻找买家的除外了,那是属于商人一类。 牛出自胆坛的欧姆兄之手,是个认真做事的主,看上他的牛是真材实料,参数也好,就不给他做广告了,有机会可以到隔壁找他。牛的成本占了整机一半,明白的人都知道这个是最值得投资的地方,300b要想不出“阉割声”,电源牛,输出牛,推动牛一个不能忪。 整机的所有电容和电阻搭棚除了留线最短外,都做了专门固定,没有一个是架空焊接,尤其几个主要电容在后期调整完成后都用电容夹固定在底板,虽然后期拆卸不方便,但是绝对杜绝一切震动的传递;还有焊接部位一定先用裸线缠绕在零件脚上,让两部分有良好的面接触,焊锡只是起固定作用,别不相信,这两项就可以让机器的声音细节更多。 还有大家在功率管阴极电阻的选择中如果用达尼的铝壳,最好用20w以上为好,因为我发现这种电阻温升不稳定,尤其开机1小时左右阻值会升高,造成整机工作点偏移,我换了几对都多多少少有这个问题,最好用50w的。但一般绕线电阻相对稳定的多,但声音没有达尼通透,我试验了西电的两种排骨,都不喜欢,最后还是换回达尼。 ![]() 改造障板,贴实木皮更好看
(责任编辑:admin) |
































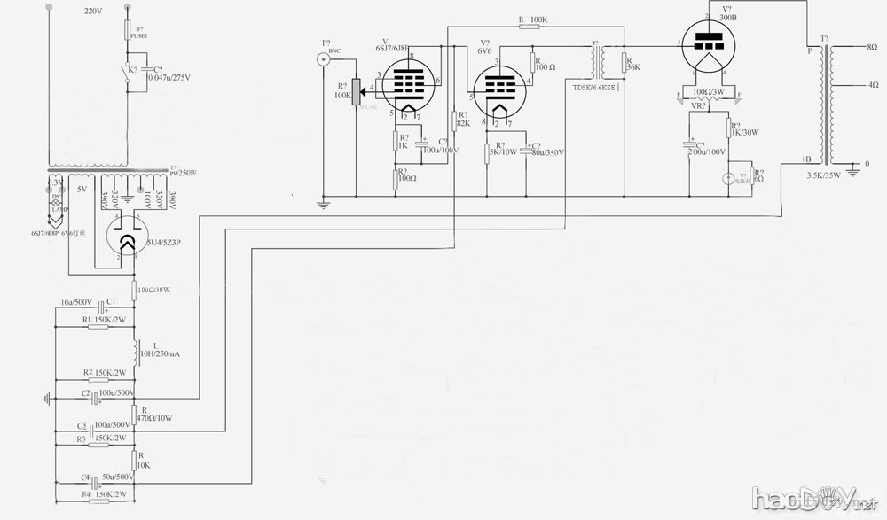
这是目前校声完毕后的完整电路,应该很清楚










#p#分页标题#e#






















