最好的电子音响科技diy制作网站

haoDIY_音响电子电脑科技DIY小制作发明

当前位置: 主页 > 音响DIY > 胆机DIY > 后级DIY >

KT88推挽制作日记_不定期更新

时间:2017-10-05 21:57来源:www.crystalradio.cn 作者:神灯 点击:
KT88推挽制作日记_不定期更新 ,矿石收音机论坛
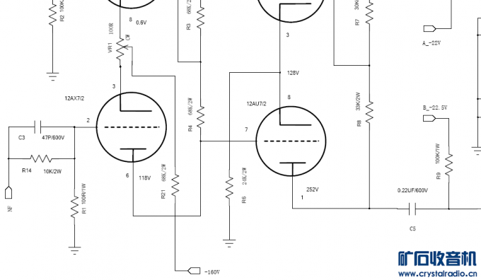
做了一款KT88推挽 后续不定期更新.经过细调后各点相当稳定,有兴趣可以直接按此图上料可以出声,胆味十足.
 

MAIN.jpg (65.54 KB, 下载次数: 0)

 

主板

KT88推挽制作日记_不定期更新
 

POWER.jpg (41.87 KB, 下载次数: 1)

 

电源

KT88推挽制作日记_不定期更新

木壳制作,继续更新
 

B6B.tmp.jpg (248.88 KB, 下载次数: 0)

 

KT88推挽制作日记_不定期更新

分成四个部份试试
 

1.jpg (56.78 KB, 下载次数: 0)

 

KT88推挽制作日记_不定期更新
 

2.jpg (54.41 KB, 下载次数: 0)

 

KT88推挽制作日记_不定期更新
 

3.jpg (53.69 KB, 下载次数: 0)

 

KT88推挽制作日记_不定期更新
 

4.jpg (59.03 KB, 下载次数: 0)

 

KT88推挽制作日记_不定期更新

作度有点慢.总算把屏流表装好,声音输入选择旋钮,屏流旋钮.喇叭.电源输入,光纤接口全部解决.总算可以松一口气了KT88推挽制作日记_不定期更新
 

41.jpg (54.23 KB, 下载次数: 0)

 

KT88推挽制作日记_不定期更新

(责任编辑:admin)
织梦二维码生成器
顶一下
(0)
0%
踩一下
(0)
0%
------分隔线----------------------------
发表评论
请自觉遵守互联网相关的政策法规,严禁发布色情、暴力、反动的言论。
评价:
表情:
用户名: 验证码:点击我更换图片
栏目列表
推荐内容