最好的电子音响科技diy制作网站

haoDIY_音响电子电脑科技DIY小制作发明

当前位置: 主页 > 音响DIY > 胆机DIY > 后级DIY >

国外译文:ef86+ecc83+6550电子管推挽胆机放大器(2)

时间:2013-01-18 09:53来源:未知 作者:admin 点击:
, 并 拧上 用不锈钢 螺丝 木制 涂层 的侧壁 。 在 电源单位 中 , 由于 在变压器 的重量 行使 的横向 铝 的 静脉 的 机箱 中 ,以停止破坏 。 (推挽 )行使 6550 的输出功率 管,而 分相器 和 驱动级 行使 的 EF8
拧上用不锈钢螺丝木制涂层的侧壁

电源单位由于在变压器的重量行使的横向静脉机箱,以停止破坏

(推挽)行使6550的输出功率管,而分相器驱动级行使EF86,ECC83每通道别离计划简朴
你可以找到6550斯韦特兰娜数据的数据

国外译文:ef86+ecc83+6550电子管推挽胆机放大器

国外译文:ef86+ecc83+6550电子管推挽胆机放大器

国外译文:ef86+ecc83+6550电子管推挽胆机放大器

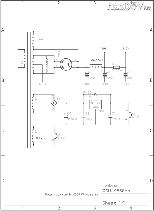
Tube amp schematic
This is the final schematic diagram
国外译文:ef86+ecc83+6550电子管推挽胆机放大器

and the PSU
国外译文:ef86+ecc83+6550电子管推挽胆机放大器




(责任编辑:admin)
织梦二维码生成器
顶一下
(0)
0%
踩一下
(0)
0%
------分隔线----------------------------
发表评论
请自觉遵守互联网相关的政策法规,严禁发布色情、暴力、反动的言论。
评价:
表情:
用户名: 验证码:点击我更换图片
栏目列表
推荐内容