|
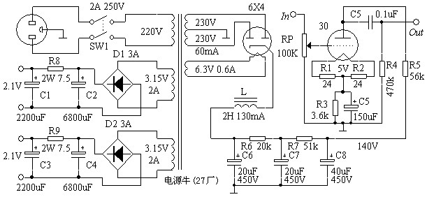
周末,x-man老大相约几个烧友小聚。大伙喝啤酒,嚼牛排,侃发烧经,十分尽兴。酒足饭饱,乘着酒兴,gxhgx兄带上刚装好的“掌上宝”30前级,几个人打着饱嗝,杀到了俺的陋室,继续摆龙门阵。 gxhgx兄在本地一所大学任教,业余时间喜好装机,最迷恋直热胆,家中收藏很多古董直热管,看见的人往往口水一地,起犯罪念头。为防不测,一有烧友到访,gxhgx兄就会把管子分散埋藏,坚壁清野。x-man起歹意后,曾经组织过多次大扫荡,都被他一一粉碎,失败而归,呵呵! 内部全古董元件的前级。 电路图 (责任编辑:admin) |


















