|

我們在這段新年期間當中,做了一部5687的單管前級,原本我的構想是要來推
1000W的D類後級,為這台高功率後級加點管味,因為這管前級用的料件並不多,幾
個電阻,幾個電容就可以搞定,所以在用料上翻出塵封已久的”電阻電容福袋”。
為何叫”電阻電容福袋”?因為我有許多收集來的電阻及電容,這都是數量不多,但規
格很多的零件,要分類也不知如何分起,索性就拿個大袋子,一股腦的塞進去袋子當
中,當要用的時後從中翻出,或許就會有剛剛好數值的零件,所以我都叫這袋子是”電
阻電容福袋”。
話說至此,要打造著前級並不是容易的事,首先我先找出一個機箱,這機箱歷史有點
久,記不起來是何時買的,看起來是還好,外殼有點薄,我打算在空間的規劃上一分
為二,一邊是電源區,一邊是線路區,加上訊號選擇,這樣的要求應該夠了,所以在
機箱空間的配置上花了一點時間,有空就對著機箱發呆,看看怎樣配線才會合理.
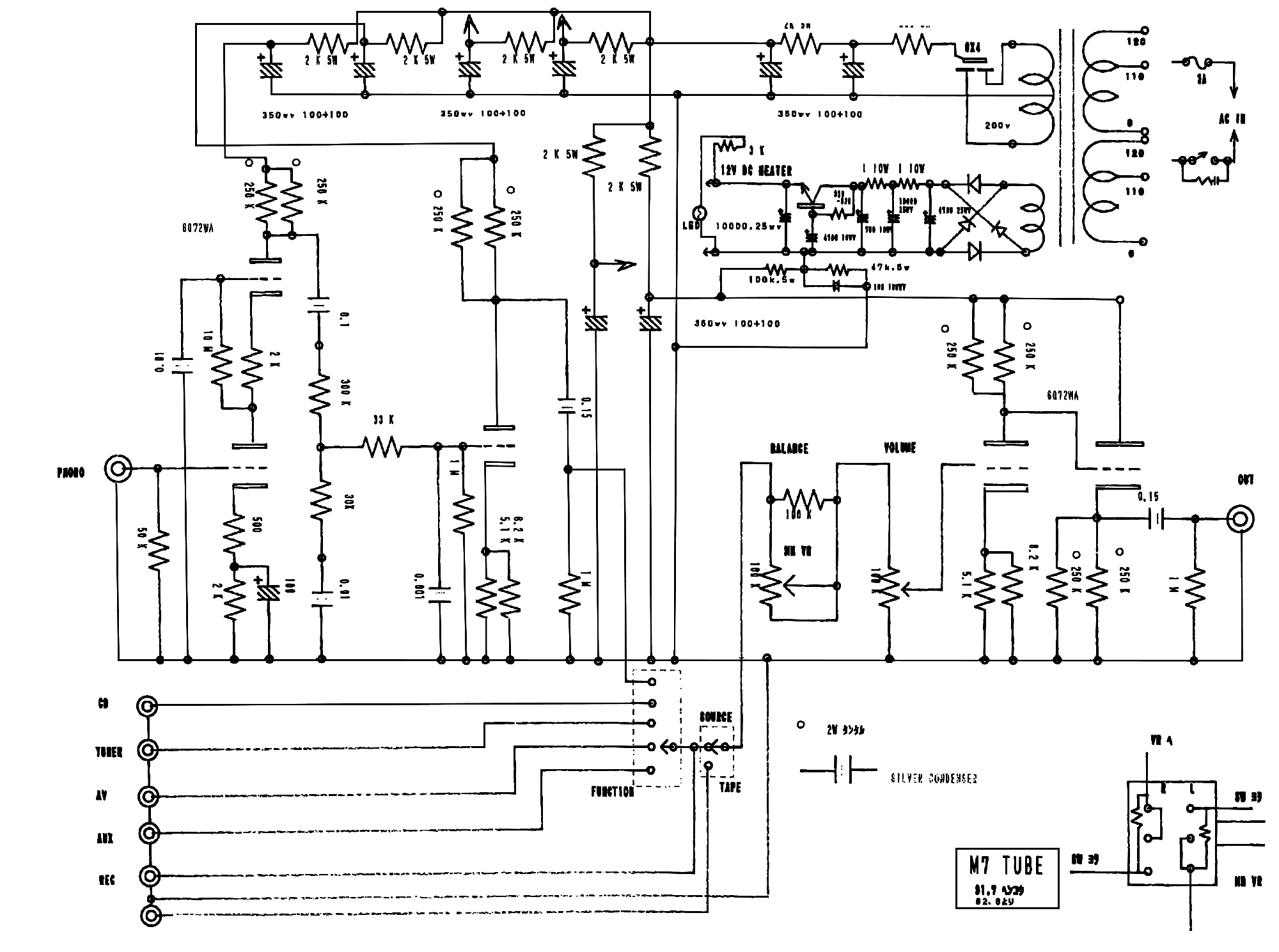
線路的選擇是很簡單的一銘器—AudioNote的M7前級,這台在DiyAudio上有不錯的
評價,而AudioNote M7前級可是有銷售了超過25萬台的實力,千萬別小看這簡單
的線路。

上圖:這就是我們要做的AUdioNote M7前級
在事前的準備我就不多說了,不外乎是準備一些工具,烙鐵及尖嘴鉗之類的,相信有
Diy經驗的老玩家都有準備起來,我是在作到快好的時候才想起沒拍照,總不能拆掉
再拍一次,所以大家加減看看,也可以對照線路圖與我機器的怖局方式.

上圖:電源的部份,變壓器選擇我們的管機專用變壓器,剛剛好200V的高壓,2組燈
絲電源,在5687上我們是只用到一組6.3V的

上圖:採用C-L-C濾波,Choke一定是使用Look-T老師的5HChoke

上圖:我利用隔板將電源與線路分開,而濾波電容就鎖在隔板上面,

上圖:鎖上的電容, 容值是100uf/450V,日本的Nippon Nichicon

上圖:另壹個角度的電源濾波部份,隔板要開一個老鼠洞,好讓線能穿過去另一頭

上圖:隔板上的老鼠洞,我先鑽一個直徑12mm的洞,再修成山洞的形狀

上圖:如此這般,我是利用梳型橋整,若要使用6X4整流管也是可以,只要將橋整換掉
即可

上圖:橋整及濾波電容,都是用OCC的1mm銅線相接,這線真是很好用的

上圖:從變壓器的角度看過去
看完了電源的部份,接下來就是線路的搭棚,我使用的DS鍍金搭棚座,來放上所有線
路的零件
電源B+和燈絲從老鼠洞穿過來後,馬上接到搭棚架上,這搭棚架是在唐竹買的,當初
就是看上杉佳郎的作品集,裏面使用的搭棚架,確實讓我找了好久,直到有一次看到
唐竹有賣,順手就買了幾個回來,不過價格也是非常高檔

上圖:從老鼠洞中穿過來的B+ 高壓,以及燈絲,都全部先焊在搭棚架上,再使用OCC
銅線分出來,OCC銅線二端並用熱縮套給固定,一來可以分便顏色,二來在焊接的過
程中可以避免電線外皮受到高熱而產生焦黑

上圖:這是洩放電阻,我在作管機時一定要加上的,安全的理由

上圖:真空管座的所有配線,我都是使用18AWG的鍍銀線,軟硬適中,線配起來非常
好看,聲音又不會太乾,是C/P值相當高的一條配線

上圖:線路只有一點點的零件(圖中的陰極旁路電容我還沒加上),所有的零件都是焊在
搭棚架上,在利用18AWG的銀線拉出

上圖:屏極負載電阻,使用20K並聯,這是福袋中挖出來剛剛好的電阻,我還用電表配
對過,四根阻值的誤差不超過1%

上圖:從B+來到一分為二給屏極的負載

上圖:另一個角度

上圖:利用搭棚架可以有條理的將零件擺位,看起來就神清氣爽

上圖:全貌,左邊的紅色電容是輸出交連,油質好物,MKP系列的NOS電容

上圖:上視圖,這樣大家可以看的比較清楚,轉角用銀漆筆塗上是將B+作記號,可以
一目了然

上圖:陰極電阻,旁邊會加二個旁路電容,這電阻也是好物,福袋真的甚麼都有呀~~

上圖:退交連電容,二聲道共用一個,100uf以上就可以,耐壓需足夠

上圖:接地線,我是使用2mm的銀線,手邊剛好有一小段

上圖:下地點,利用Y形端子頭鎖上螺絲

上圖:很簡單吧?透過這台小前級,可以訓練自己零件擺位的方式,更可以體會到自己
搭棚的樂趣,誰說搭棚很困難的?
在最後我們可以與各位網友來分享,不管您是使用玻璃纖維板+銅扣,或是自己洗線
路板,還是搭棚,都可以享受到這台前級所帶來的樂趣,自己DIY的成就感也就在這
裡
終於開聲了,聲底屬於乾淨軟調的走向,用來搭配1000W的擴大器應該
是相得益彰.

上圖:終於全部OK.

上圖:送電,量取各點的電壓,正常!!

上圖:正面
AUDIO NOTE M7 原装机器

AUDIO NOTE M7 内部照片






(责任编辑:admin) |