|
此前级 声音 通透 开阔
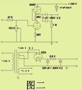
电路图是小日的网站找来的 简洁易做 电源部分改为6Z5P整流 音场宽阔 声音通透 细节清晰 很不错的电路图 胜过我以前做过的三台前级 电源部分改为6Z5P整流也可以用6Z4.....其它无改动 声音不错 很满意 正是我想要的声音 那天拿到广电市场推300B后级 结果围了很多人 呵呵 电源的电容 我用的是ROE和小日的化工 偶合电容非常重要 (责任编辑:admin) |
|
此前级 声音 通透 开阔
电路图是小日的网站找来的 简洁易做 电源部分改为6Z5P整流 音场宽阔 声音通透 细节清晰 很不错的电路图 胜过我以前做过的三台前级 电源部分改为6Z5P整流也可以用6Z4.....其它无改动 声音不错 很满意 正是我想要的声音 那天拿到广电市场推300B后级 结果围了很多人 呵呵 电源的电容 我用的是ROE和小日的化工 偶合电容非常重要 (责任编辑:admin) |
手里有几只6J1和6N3,没事就寻思着制作一台胆前级玩玩,以前搭过一台6N3的前级,感觉...
某天整顿货色时发现它呆在一个角落里, 预备摈弃时突发灵感, 怎样不应用它做胆前级? 用...
这台是2011年初diy的6n8p音调前级,之前做了一台el34推挽低音不足,才制作这台6n8p音...
在这里SHOW一SHOW,不是因为认为自己水平高,想是和喜欢直热古董胆的同志们一起分享DI...
想想自己玩音响几十年,由于条件有限,很多底盘都自己设计,因陋就简,既不好看、外观...
这个是日本人做的胆缓冲,对比教而言 音乐传真的 那款缓冲器简直是玩具了...
搭棚仿制 经典名机jadis jp200(1
更新:2012-10-19
DIY一台6sn7+2A3前级,制作进行
更新:2012-10-13
再战6J9+6N8P前级
更新:2017-06-01
自制12au7电子管缓冲级
更新:2012-08-31