最好的电子音响科技diy制作网站

haoDIY_音响电子电脑科技DIY小制作发明

当前位置: 主页 > 音响DIY > 胆机DIY > 前级DIY >

蘑菇头7F8W+坡莫合金牛输出胆前级(5)

时间:2013-04-01 12:40来源:www.crystalradio.cn 作者:rzxb 点击:
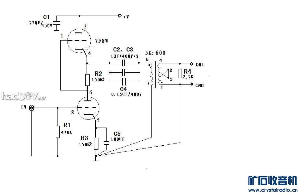
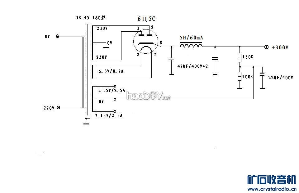
2011-11-25 13:27:40 上传 下载附件 (32.88 KB) 《冬日交响》 重新上线路图大图。 2011-11-25 21:10:07 上传 下载附件 (41.79 KB) 本篇参赛文章已发表在《无线电》杂志2012年第一期。

蘑菇头7F8W+坡莫合金牛输出胆前级 
2011-11-25 13:27:40 上传
下载附件 (32.88 KB)
 

    《冬日交响》

蘑菇头7F8W+坡莫合金牛输出胆前级


重新上线路图大图。
蘑菇头7F8W+坡莫合金牛输出胆前级 
2011-11-25 21:10:07 上传
下载附件 (41.79 KB)
 


蘑菇头7F8W+坡莫合金牛输出胆前级


本篇参赛文章已发表在《无线电》杂志2012年第一期。

蘑菇头7F8W+坡莫合金牛输出胆前级 


蘑菇头7F8W+坡莫合金牛输出胆前级



(责任编辑:admin)
织梦二维码生成器
顶一下
(0)
0%
踩一下
(1)
100%
------分隔线----------------------------
发表评论
请自觉遵守互联网相关的政策法规,严禁发布色情、暴力、反动的言论。
评价:
表情:
用户名: 验证码:点击我更换图片
栏目列表
推荐内容