最好的电子音响科技diy制作网站

haoDIY_音响电子电脑科技DIY小制作发明

当前位置: 主页 > 音响DIY > 功放DIY > 后级DIY >

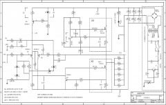
LM4702推 sap15n sap15p 功放

时间:2012-09-12 23:21来源:hifidiy.net论坛 作者:GDS 点击:


LM4702推 sap15n sap15p 功放


LM4702推 sap15n sap15p 功放



LM4702推 sap15n sap15p 功放

LM4702推 sap15n sap15p 功放



(责任编辑:admin)
织梦二维码生成器
顶一下
(0)
0%
踩一下
(1)
100%
------分隔线----------------------------
发表评论
请自觉遵守互联网相关的政策法规,严禁发布色情、暴力、反动的言论。
评价:
表情:
用户名: 验证码:点击我更换图片
栏目列表
推荐内容