最好的电子音响科技diy制作网站

haoDIY_音响电子电脑科技DIY小制作发明

当前位置: 主页 > 音响DIY > 功放DIY > 后级DIY >

分体式_DTS解码&卡拉OK功放的设计与制作(参赛)

时间:2012-09-21 19:46来源:hifidiy.net论坛 作者:ysd85 点击:
分体式_DTS解码卡拉OK功放的设计与制作 _YoungStone_ 经过N个夜晚和周末的努力,历时半年多的功放终于完成!!! 本文将对系统的设计和制作过程进行详细描述,在对自己劳动成果进行总结的 同时,希望能给大家以一定的启发帮助,当然,更希望各位能多提意见建
            分体式_DTS解码&卡拉OK功放的设计与制作
                                                                                      _YoungStone_


    经过N个夜晚和周末的努力,历时半年多的功放终于完成!!! 本文将对系统的设计和制作过程进行详细描述,在对自己劳动成果进行总结的同时,希望能给大家以一定的启发&帮助,当然,更希望各位能多提意见&建议,一起讨论、学习-->进步!!!

整机预览分体式_DTS解码&卡拉OK功放的设计与制作(参赛)当前图片为晚上拍摄且压缩率大,效果欠佳,待周末空闲再更新)

分体式_DTS解码&卡拉OK功放的设计与制作(参赛)

分体式_DTS解码&卡拉OK功放的设计与制作(参赛)


先来点杂谈:
      已经忘记从什么时候开始,喜欢自己制作各种电子作品的机箱外壳,也就是从那时候开始,使得我在制作某个作品的初期,就会去考虑整个系统的搭配与融合,再化整为零,逐个突破完成。
      我喜欢这样的方式,同时也在努力提高自己这方面的能力。其实单做某一个电路模块很简单,就像单线程的单片机,只需要串行的往下走,而当上升到操作系统,需要多任务处理的时候,每个任务之间的调度及融合问题就突显出来,这恰恰就是设计的难点所在。
     电子DIY也是一样,要想把很多个模块组合在一起,往往会碰到很多问题,比如电压分布,电平的匹配,控制优先级,电子与结构的兼容等等,但如果我们制作的前期没有整体规划把握,一开始就从某一个小模块开工,那么等所有的模块做好了,要进行组合匹配的时候,你可能会发现前期的很多工作都是错的,需要从头再
来。
     自己DIY实际上也和产品研发设计一样,制作初期就需要进行规划,可行性分析等,之后再对每个模块进行从上到下,从整体到局部的设计...

     说了一堆话,有些乱,希望不会挨砖头;开始正题....

功能介绍:
    本功放具有DTS,AC-3解码、karaOke混响、电子音量控制等功能;具有5通道功率放大器,分别对应于家庭影院的FR,FL,SR,SL,C 5个声道。

设计概括:
     整个系统采用分体式设计,前级负责解码,控制;后级负责功放大;整个系统几乎全手工制作。
     前级可分为DTS解码、karaOKe、音量控制、MCU控制板、人机交互、电源供电等6个模块;后级包括电源、缓冲倒相、功率放大等三个模块。

    系统采用前后级分体式设计,有两方面的原因:
    首先,手工制作的工艺比较低,适合于结构比较简单的制作,如果制作成合并一体式,则难度比较大,不好控制;
    其次,前级为弱信号处理,发热小,后级为功率放大,发热量大,采用分体式设计,即可以前级采用全屏蔽机箱减少干扰,后级采用外露散热器并开大量散热孔,利于散热。

   所以分体式的结构设计,在易于手工制作的同时,又能很好的提高整机的电气特性,何乐而不为?


电子硬件设计:

***前级部分***

模块框图:
分体式_DTS解码&卡拉OK功放的设计与制作(参赛)



1.DTS解码:
       这个模块是唯一不是自己做的部分,虽然前期电路PCB都已经设计好,但是由于元器件来源问题,没能及时买到所需要的IC,为了不影响进度,所以直接购买了市场上的DTS解码板,本解码板使用Crystal的CS493264-CL芯片,如下图;它具有四通道数字音频输入,6声道模拟音频输出,采用三线串行控制方式;由于此模块不是自己制作,所以先不对其进行过多介绍,待以后另开贴再对设计的电路进行详细介绍。

分体式_DTS解码&卡拉OK功放的设计与制作(参赛)



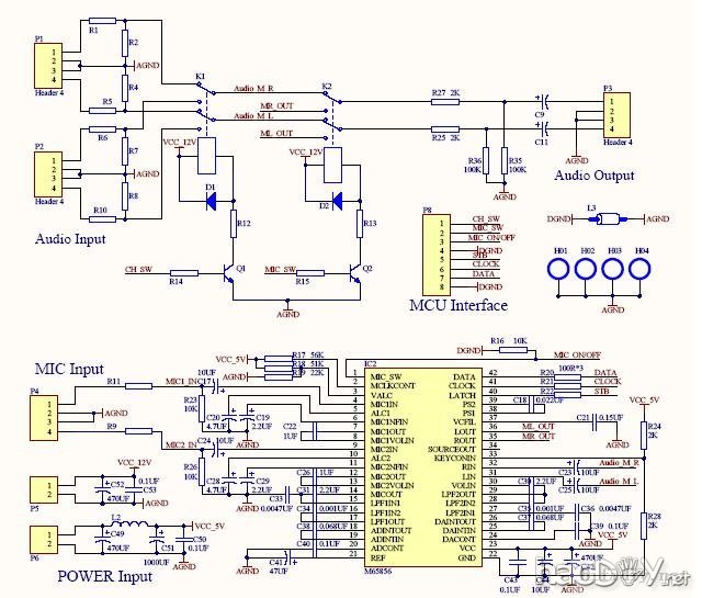
2.卡拉OK混响模块:
     卡拉OK混响芯片采用三菱公司的M65856SP,采用三线串行控制方式,实物如图:
分体式_DTS解码&卡拉OK功放的设计与制作(参赛)



各位可以在网上查到详细的规格书,此处为了减少篇幅,不再对芯片功能进行描述,次模块电路使用了规格书上推荐的电路,如下:
在karaOke模块中,添加了2选1的通道选择电路,可用于选择外部模拟输入或者是DTS解码输出的信号,其中部分耦合电容是为了将来兼容不同的模块,本制作中有些没有安装(可以在以后的实物图上发现)。

分体式_DTS解码&卡拉OK功放的设计与制作(参赛)



karaOke板的通用性比较广,所以这个模块的PCB没有采用热转印制作,而是发给了厂家,为了方便以后使用;设计好的PCB如下图:

分体式_DTS解码&卡拉OK功放的设计与制作(参赛)

分体式_DTS解码&卡拉OK功放的设计与制作(参赛)




焊接好的电路板如下图:
分体式_DTS解码&卡拉OK功放的设计与制作(参赛)

3.电子音量控制模块:
    电子音量控制使用普诚公司的PT2258 六通道电平衰减芯片,采用IIC串串行控制。芯片的功能请参考规格书。
    电路如图:
    分体式_DTS解码&卡拉OK功放的设计与制作(参赛)




   设计好的PCB如图:
    分体式_DTS解码&卡拉OK功放的设计与制作(参赛)



4.LCD显示&按键输入:
   前面板使用了194X64点阵LCD来显示系统的工作状态;用户控制采用了三个按键和一个脉冲旋钮电位器,以及红外遥控器输入。

5.MCU控制板:
    主控芯片是前级控制的核心,使用通用51单片机,因为程序数据比较大,所以需要选用片内flash比较大的芯片,在这里直接使用了SST的单片机,待测试完成,会考虑换用其他型号。
    本机需要控制的模块有: DTS解码板(三线串行),KaraOK(三线串行),音量控制(IIC),LCD屏(串转并),按键(并行),后级&灯光控制(并行)。 其中LCD本身的设计是并行数据接口,单由于IO口数量限制,这里加入了74LS164进行串转并行设计,节省了4个O口。
    控制模块中加如了DS1302时钟芯片和EEPROM存储器,分别用于获取实时时钟和保存用户设置信息。

    电路原理图如下:
      
织梦二维码生成器
顶一下
(2)
66.7%
踩一下
(1)
33.3%
------分隔线----------------------------
发表评论
请自觉遵守互联网相关的政策法规,严禁发布色情、暴力、反动的言论。
评价:
表情:
用户名: 验证码:点击我更换图片
栏目列表
推荐内容