最好的电子音响科技diy制作网站

haoDIY_音响电子电脑科技DIY小制作发明

当前位置: 主页 > 音响DIY > 功放DIY > 后级DIY >

分体式_DTS解码&卡拉OK功放的设计与制作(参赛)(2)

时间:2012-09-21 19:46来源:hifidiy.net论坛 作者:ysd85 点击:
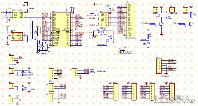
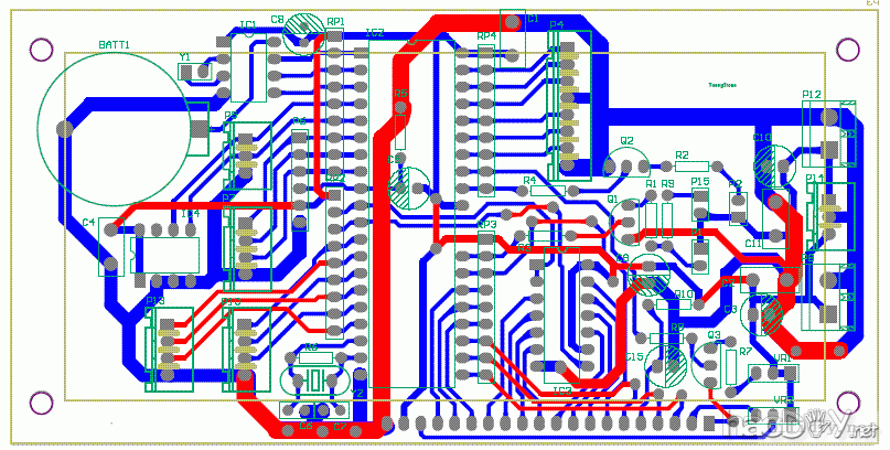
设计好的PCB如下: 由于本控制板专用性强,对于别的系统应用不多,所以采用手工热转印制作PCB,下图为制作完成的控制板: 下载 (36.27 KB) 2008-12-24 17:28 下载 (67.5 KB) 2008-12-24 17:28 6. 电源模块: 前级所
分体式_DTS解码&卡拉OK功放的设计与制作(参赛) 分体式_DTS解码&卡拉OK功放的设计与制作(参赛)



设计好的PCB如下:
       分体式_DTS解码&卡拉OK功放的设计与制作(参赛)



由于本控制板专用性强,对于别的系统应用不多,所以采用手工热转印制作PCB,下图为制作完成的控制板:
分体式_DTS解码&卡拉OK功放的设计与制作(参赛)


分体式_DTS解码&卡拉OK功放的设计与制作(参赛)


分体式_DTS解码&卡拉OK功放的设计与制作(参赛)




6. 电源模块:
    前级所需要的电源规格有:+5VA/D,-5VA,+9V,+12V,鉴于元件的通用性,+5V,+9V通过LM317稳压得到,-5V通过7905负稳压芯片得到,+12通过+5V以DC~DC升压电路获取,用于驱动继电器开关。
   电路图如下:

分体式_DTS解码&卡拉OK功放的设计与制作(参赛)


电源板采用万能板焊制,如下图:

分体式_DTS解码&卡拉OK功放的设计与制作(参赛)


分体式_DTS解码&卡拉OK功放的设计与制作(参赛)


分体式_DTS解码&卡拉OK功放的设计与制作(参赛)


分体式_DTS解码&卡拉OK功放的设计与制作(参赛)


******后级部分******

后级电路较为简单,分为运放缓冲倒相、功率放大和电源三个模块。

    主要模块框图如下:
    分体式_DTS解码&卡拉OK功放的设计与制作(参赛)

1. 缓冲倒相位模块:
    使用了NE5532双运放进行一级放大,并对前置的两个声道添加反向输出,电路图如下:

    放大电路:
    分体式_DTS解码&卡拉OK功放的设计与制作(参赛)
织梦二维码生成器
顶一下
(2)
66.7%
踩一下
(1)
33.3%
------分隔线----------------------------
发表评论
请自觉遵守互联网相关的政策法规,严禁发布色情、暴力、反动的言论。
评价:
表情:
用户名: 验证码:点击我更换图片
栏目列表
推荐内容