最好的电子音响科技diy制作网站

haoDIY_音响电子电脑科技DIY小制作发明

当前位置: 主页 > 音响DIY > 功放DIY > 后级DIY >

我的全手工功放石机(参赛)(2)

时间:2012-09-17 23:00来源:未知 作者:musicwolf 点击:
/font/ppfont size=4不错的成绩。如果用那种质量好的可以多圈调的微调电阻,调 你是这样说的,但刚才我量了推动管的两个B极,电压有2.1V,这时候功率管的两个B极电压在1V左右,功率管的静态电流在80-90MA左右,声音
</font></p><p><font size="4">不错的成绩。如果用那种质量好的可以多圈调的微调电阻,调

你是这样说的,但刚才我量了推动管的两个B极,电压有2.1V,这时候功率管的两个B极电压在1V左右,功率管的静态电流在80-90MA左右,声音是很正常。。。。但如果照你说的,把推动管的两个B极调回1V左右,功率管的两个B极电压就只得200MV左右啦,功率管的静态电流基本量不到,好象只有几MV而已。而且声音由于静态电流不足而出现严重失真啊。。。

 

前级电路图:
我的全手工功放石机(参赛)

 

只要接线不错,元件良好,照这图装好就能响,说明这音调功能不是那么明显,属于微调类型的,
想更多的均衡效果要改一下那组RC网络。。。

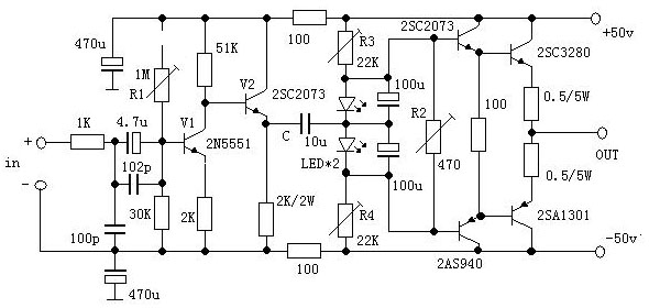
功放板电路图:

我的全手工功放石机(参赛)

 

这图也容易装,我装好后调R1怎么也不能使V1的射极电压调回零,就在R1上串个100K,将30K的电阻改成20K的才能调回来。功率级我是两对并联,A1301/C3280的射极电阻我用0.2R的,而且B极串了个10R的电阻,全部装好后正常工作起来V2和V2的射极电阻很热,只能摸两秒吧,估计有65-70度,不过再工作下去也是这样,而其他的管子,包括功率管,都是温温的,一点不热。





 
(责任编辑:admin)
织梦二维码生成器
顶一下
(0)
0%
踩一下
(0)
0%
------分隔线----------------------------
发表评论
请自觉遵守互联网相关的政策法规,严禁发布色情、暴力、反动的言论。
评价:
表情:
用户名: 验证码:点击我更换图片
栏目列表
推荐内容