最好的电子音响科技diy制作网站

haoDIY_音响电子电脑科技DIY小制作发明

当前位置: 主页 > 音响DIY > 功放DIY > 后级DIY >

乐林M9终于完成了(参赛)

时间:2012-09-22 12:54来源:hifidiy.net论坛 作者:东东186 点击:
乐林M9终于完成了,从准备到完成用了2个多月的时间,全部材料由自己采购,一个字累 整机重达95斤(离100还差一点,加块砖破百[em03]),机器的三围是高260 宽480 深475,全部的铝板是3MM厚的拉丝板,底板加强用6MM的! 用了2头恒达的500W牛,做成独立饶组,全
乐林M9终于完成了,从准备到完成用了2个多月的时间,全部材料由自己采购,一个字“累

乐林M9终于完成了(参赛)

乐林M9终于完成了(参赛)

乐林M9终于完成了(参赛)

整机重达95斤(离100还差一点,加块砖破百[em03]),机器的三围是高260 宽480 深475,全部的铝板是3MM厚的拉丝板,底板加强用6MM的!

用了2头恒达的500W牛,做成独立饶组,全部采用双桥整流,用了4个MOTO的35A大桥(电流放大)和4个进口3A桥(电压放大),2声完全独立



乐林M9终于完成了(参赛)

滤波在电压放大及用NICHICON的VR(M)系列,电流放大及用RIFA的33000UF4个加ERO的10UF4个,水力凶猛
乐林M9终于完成了(参赛)

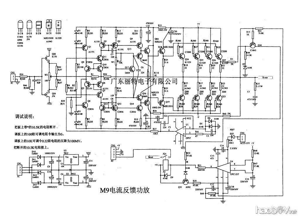
功放板用了丽特的M9板,采用5200 1943的对管
乐林M9终于完成了(参赛)

软启动用了XR000的板,但是设计有点问题,自己做了下改动
乐林M9终于完成了(参赛)

整机的声音属于比较中性的,解析力比较强,低频的控制力比较好,现在我把每管的静态电流调在550毫安左右,温度在50度左右,配合晶体管前级声音属于比较年轻的那种,带点冲劲的,用了电子管的前及后,机器判若两机,声音暖的不的了,听人声听的自己都陶醉在里面,低频的弹性大大的加强了,简直就是拳拳到肉!高频的延伸力也相当的好,使我的R2C有了良好的发挥!我想这台后及应该还算不错的了,声音好于我的意料,在这里还要谢谢机器人,WZY728等大虾的帮助,给我不断的指点

做机器前的材料
乐林M9终于完成了(参赛)

乐林M9终于完成了(参赛)

乐林M9终于完成了(参赛)

乐林M9终于完成了(参赛)

乐林M9终于完成了(参赛)

乐林M9终于完成了(参赛)

电压放大及43-0 43-0 电流放大及 32-0 32-0



乐林M9终于完成了(参赛) (责任编辑:admin)
织梦二维码生成器
顶一下
(1)
50%
踩一下
(1)
50%
相关文章
------分隔线----------------------------
发表评论
请自觉遵守互联网相关的政策法规,严禁发布色情、暴力、反动的言论。
评价:
表情:
用户名: 验证码:点击我更换图片
栏目列表
推荐内容