|
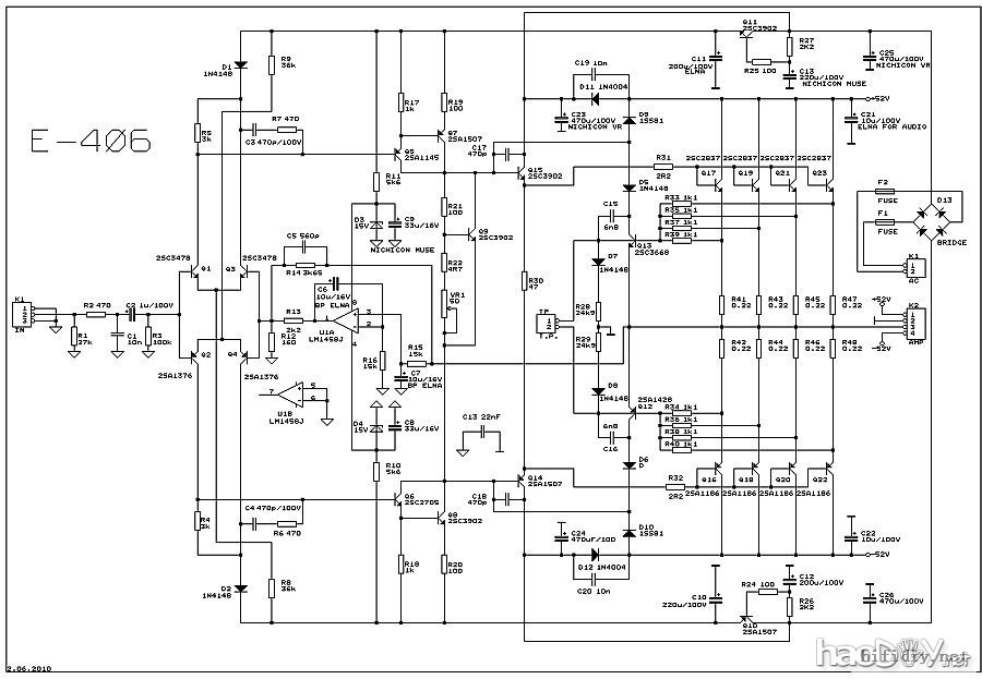
本人之前所听的功放都是电压负反馈网络的,
如下图:


此功放把音量开得越大失真就越大
有一次,我和以前的电子老师聊天的时候,得知他DIY的一台金嗓子功放声音描
述得是如何如何好,反馈电路为电流负反馈,声称:“非电流负反馈电路的功放不听”
他的QQ签名上谈到:电子管前级和田茂氏+金嗓子功放后级使得他听后不舍。
顿时我的心就痒痒的,于是淘宝上搜索金嗓子
功放,发现价格都是万元级的,终于找到金嗓子
的一款(金嗓子E-406套件),DIY套件。

拍下后,第二天就收到货,里面还有一副耳塞,PCB
板很厚。
[attach]1966389[/attach]
按照流程,先装跳线>电阻>二极管,等小元件,后续大元件。
[attach]1966390[/attach]
本人发现此直刻板PCB板线路与线路距离较窄,所以我们装好元件后把元件
管脚顺着走线来折弯,防止管脚越过界没有发现而短路。


此功放的变压器不好找,(大电流AC双43V,小电流AC双52V),
另一组为前级用的AC双15V,本人订做了一个,今天5/31号才收到。

我收到500W变压器后不会马上接金嗓子E-406,因为搞不好就容易
烟花。用以下一只小牛试一试,


其实串一只100W灯泡在500W火牛的220V输入端
也是可以防止烟花的安全措施,本人用小牛(双AV34V),装上一对大管,
经测试输出没有大问题后方可上大牛,以下图为正常出声后加满四对大管,
上绝缘垫片和导热硅脂。
#p#分页标题#e#

本人对音质的论述方面实在是难以形容,粗略概括就是把音量放大
声耳朵都不会觉得吃力,很舒服的,越听越想听,本人用酷狗下载
刘欢,王菲,蔡琴,等格式为(APE,FLAC)无损音乐。每个细节都
清楚的感受,没有杂音,声声入耳,声声的陶醉。

该金嗓子E-406装机相对E-405简单一点,但是两者由于PCB板
整个板平装在散热片上,给DIY,检修带来诸多不便。但是为了
追求美音,再麻烦都值
以下为本人散热片尺寸及安装过程



还有,我们为散热片打孔时 在电钻头上沾一点油(食用油都行)
起润滑作用,这样我们打出的孔才平直,钻头不容易发热,而且
钻孔轻轻松松搞定 。本人为装此功放电路还准备了一套电磨,丝
攻。螺丝规格用M3的。

为钻头(规格2.5mm)上油

散热片每个管打孔前量身打孔位(轻轻打下记号)

打好的孔用此刀(类似倒角刀)倒角去毛边

#p#分页标题#e#
丝攻(规格M3)由于丝攻绞手太大所以垫了口螺丝
OVER!!!
此刻在享受美音之中...............
等待金嗓子E-406功放的前级出炉,完善金嗓子E-406的仿制,体验万元级别的音响美音.....

(责任编辑:admin) |