最好的电子音响科技diy制作网站

haoDIY_音响电子电脑科技DIY小制作发明

当前位置: 主页 > 音响DIY > 功放DIY > 后级DIY >

纯手工diy制作Stk4152厚膜功放板

时间:2013-01-12 19:48来源:bbs.hifidiy.net 作者:arqls 点击:
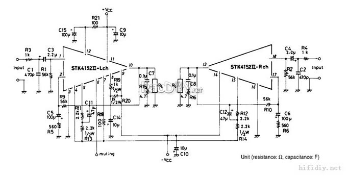
伴侣送一个有年份的音响,内里板子都被搞烂了.双方的木制音箱也受潮严峻.其时就拆出来功放块和电源/电容/电阻啥的就买了废品.本日偶尔翻出来这个块子就想本身要搞一下.说搞就搞.看图 下载 (46.75 KB) 2013-1-11 16:36 百度内里的道理图 下载 (78.11 KB
伴侣送一个有年份的音响,内里板子都被搞烂了.双方的木制音箱也受潮严峻.其时就拆出来功放块和电源/电容/电阻啥的就买了废品.本日偶尔翻出来这个块子就想本身要搞一下.说搞就搞.看图
纯手工diy制作Stk4152厚膜功放板
百度内里的道理图

纯手工diy制作Stk4152厚膜功放板
百度内里的PCB图

纯手工diy制作Stk4152厚膜功放板
抄板进程

纯手工diy制作Stk4152厚膜功放板
腐化进程有伤害一小我私人操纵就不拍了给各人看看我的腐化套装,别离是三氯化铁/农民内里是前次用剩的熔液在加一点三氯化铁浓度够了就好啦.谁人杯子就是我的腐化容器.谁人筷子是用来搅拌的.为了腐化速率其时还用了电吹风来加热没拍.

纯手工diy制作Stk4152厚膜功放板
腐化好的板子

纯手工diy制作Stk4152厚膜功放板
原件安好,抄板的时辰没看IC偏向抄反了以是只好反着安了.

纯手工diy制作Stk4152厚膜功放板
事变的角度

纯手工diy制作Stk4152厚膜功放板
箱子,很响的哦
织梦二维码生成器
顶一下
(1)
25%
踩一下
(3)
75%
------分隔线----------------------------
发表评论
请自觉遵守互联网相关的政策法规,严禁发布色情、暴力、反动的言论。
评价:
表情:
用户名: 验证码:点击我更换图片
栏目列表
推荐内容