最好的电子音响科技diy制作网站

haoDIY_音响电子电脑科技DIY小制作发明

当前位置: 主页 > 音响DIY > 耳放DIY >

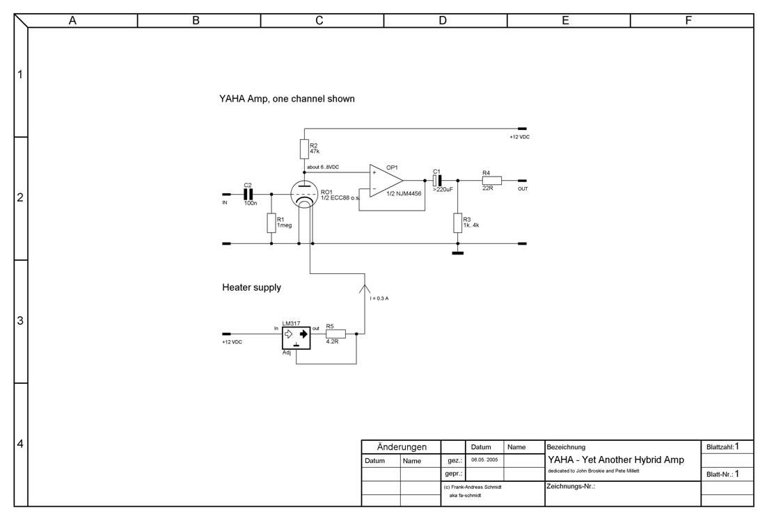
小管机 6922(6n11)推4458运放 YAHA 耳放耳机放大器

时间:2012-08-27 10:06来源:未知 作者:admin 点击:
德国diyer设计的,也是headwize的理事digi01的哥们。 http://www.fa-schmidt.de/yaha/index.htm
德国diyer设计的,也是headwize的理事digi01的哥们。

http://www.fa-schmidt.de/yaha/index.htm

小管机 6922(6n11)推4458运放 YAHA  耳放耳机放大器
小管机 6922(6n11)推4458运放 YAHA  耳放耳机放大器
(责任编辑:admin)
织梦二维码生成器
顶一下
(3)
100%
踩一下
(0)
0%
------分隔线----------------------------
发表评论
请自觉遵守互联网相关的政策法规,严禁发布色情、暴力、反动的言论。
评价:
表情:
用户名: 验证码:点击我更换图片
栏目列表
推荐内容