DD-1型多用指针式万用表(3)
时间:2013-02-24 23:26来源:www.crystalradio.cn 作者:汉江水 点击:
次
这是用3v档测为1.35v 这是用内部150v电压测量稳压管2CW111,用100v档测量稳压值为12.5v 这是用内部150v电压测量稳压管2CW111,用30v档测量稳压值为12.8v. 2CW111的稳压值为了12.214v,可见测量值在标值范围内 这是测
这是用3v档测为1.35v

这是用内部150v电压测量稳压管2CW111,用100v档测量稳压值为12.5v

这是用内部150v电压测量稳压管2CW111,用30v档测量稳压值为12.8v.
2CW111的稳压值为了12.2—14v,可见测量值在标值范围内

这是测试发光管的反向电压,电压为21.8v;

这是测试发光管的正向电压,电压为1.62v,可见发光管已点燃,实测其电流为2mA
由于参数选择开关档位所限,无法安测电容、电感档位,如果选择6刀8掷开关就可以,另外如果右上角的开关挡位再多的话,高压可多选几个电压值,如50v、150v、250v、500v等几种,这样测量击穿电压值更准确一些
表盘是用CAD画的,画时要以电压线为基准,因为它是线性的,其它如电阻档等其它档位的刻度线均换算成电压刻度线(我的这块表的电阻刻度线大格为实测值,小格为计算成电压刻度线并与实际值对比画的),只要电压刻度正确,其他刻度线也就正确了,关键是在画电压刻度线之前,要对表头的线性做一了解,如表头线性好,就可以等分画,如线性差,就要按实际电压指示值画。画完之后再与原表盘进行细致的对比,如有偏差,就要纠正,反复几次就可成功,最后用彩色打印机打印出就可以了。
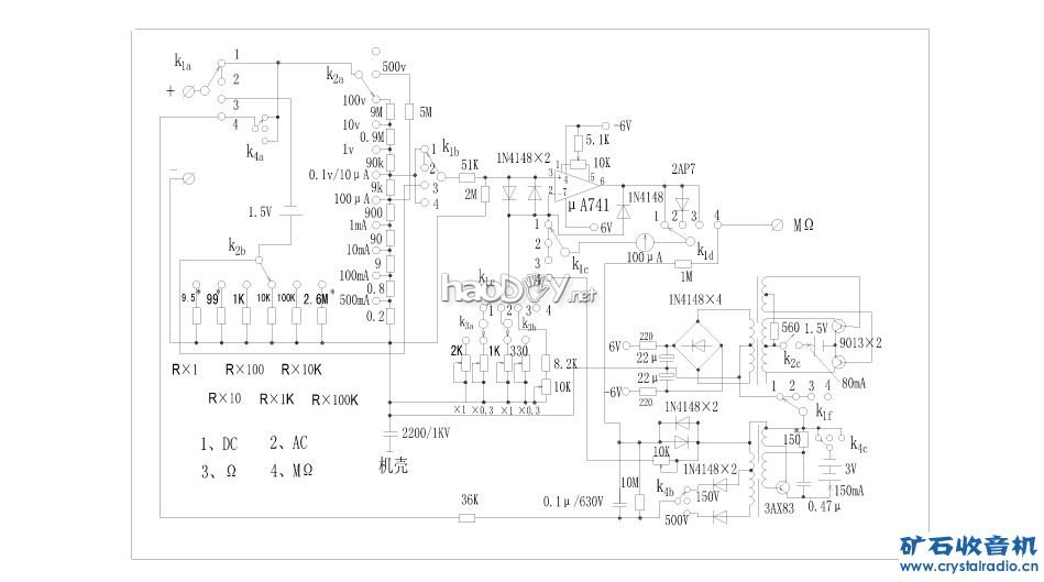
这两天工作稳定后,画了正式图,电路图上来了。

(责任编辑:admin) |
织梦二维码生成器
------分隔线----------------------------