最好的电子音响科技diy制作网站

haoDIY_音响电子电脑科技DIY小制作发明

当前位置: 主页 > 音响DIY > 胆机DIY > 后级DIY >

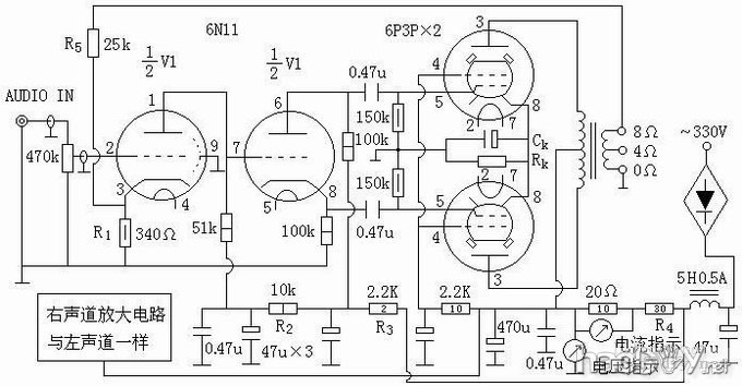
零度低烧——6n11+6P3P推挽胆机

时间:2012-10-19 20:29来源:hifidiy.net论坛 作者:linruichuang 点击:
低烧平民烧法。 看图: 下载 (196.31 KB) 2010-4-24 19:56 明天继续上图:待续 linruichuang 听感,见人见智。小弟木耳,友人听着都说几好,最遗憾的目前还没有淘得对好箱。穷啊!
低烧——平民烧法。
看图:

零度低烧——6n11+6P3P推挽胆机


零度低烧——6n11+6P3P推挽胆机


零度低烧——6n11+6P3P推挽胆机

零度低烧——6n11+6P3P推挽胆机

零度低烧——6n11+6P3P推挽胆机

零度低烧——6n11+6P3P推挽胆机

零度低烧——6n11+6P3P推挽胆机

零度低烧——6n11+6P3P推挽胆机

零度低烧——6n11+6P3P推挽胆机
明天继续上图:待续——

零度低烧——6n11+6P3P推挽胆机

inruichuang

零度低烧——6n11+6P3P推挽胆机

零度低烧——6n11+6P3P推挽胆机

零度低烧——6n11+6P3P推挽胆机

零度低烧——6n11+6P3P推挽胆机

零度低烧——6n11+6P3P推挽胆机

零度低烧——6n11+6P3P推挽胆机

零度低烧——6n11+6P3P推挽胆机




零度低烧——6n11+6P3P推挽胆机


零度低烧——6n11+6P3P推挽胆机

零度低烧——6n11+6P3P推挽胆机

听感,见人见智。小弟木耳,友人听着都说几好,最遗憾的——目前还没有淘得对好箱。穷啊! (责任编辑:admin)
织梦二维码生成器
顶一下
(10)
100%
踩一下
(0)
0%
------分隔线----------------------------
发表评论
请自觉遵守互联网相关的政策法规,严禁发布色情、暴力、反动的言论。
评价:
表情:
用户名: 验证码:点击我更换图片
栏目列表
推荐内容