最好的电子音响科技diy制作网站

haoDIY_音响电子电脑科技DIY小制作发明

当前位置: 主页 > 音响DIY > 胆机DIY > 后级DIY >

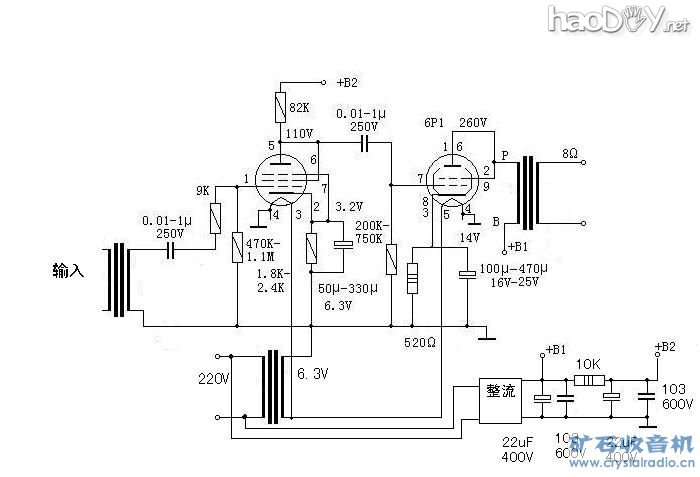
diy制作6J1 6P1电子管单端胆机功放(2)

时间:2017-05-12 08:24来源:www.crystalradio.cn 作者:山东激光 点击:
6P1 6J1.jpg (40.95 KB, 下载次数: 76) 我的6P1,6J1蛋鸡电源系统2.JPG (108.41 KB, 下载次数: 20) 我的6P1,6J1蛋鸡电源系统.JPG (113.77 KB, 下载次数: 19) 我的6P1,6J1蛋鸡正在唱歌.JPG (40.92 KB, 下载次数: 1

 

6P1 6J1.jpg (40.95 KB, 下载次数: 76)

 

diy制作6J1 6P1电子管单端胆机功放

我的6P1,6J1蛋鸡电源系统2.JPG (108.41 KB, 下载次数: 20)

 

diy制作6J1 6P1电子管单端胆机功放

 

我的6P1,6J1蛋鸡电源系统.JPG (113.77 KB, 下载次数: 19)

 

diy制作6J1 6P1电子管单端胆机功放

 

我的6P1,6J1蛋鸡正在唱歌.JPG (40.92 KB, 下载次数: 19)

 

diy制作6J1 6P1电子管单端胆机功放

 

我的6P1,6J1蛋鸡夜景.JPG (18.76 KB, 下载次数: 19)

 

diy制作6J1 6P1电子管单端胆机功放

 

(责任编辑:admin)
织梦二维码生成器
顶一下
(5)
62.5%
踩一下
(3)
37.5%
------分隔线----------------------------
发表评论
请自觉遵守互联网相关的政策法规,严禁发布色情、暴力、反动的言论。
评价:
表情:
用户名: 验证码:点击我更换图片
栏目列表
推荐内容