|
发烧多年,从最初的2030到1875.再从3886到A1943/C5200......多少辛酸与激动! ![]() 该组合装机可以说发挥了元件的最大优点,清晰度和解析力极佳,音质非常优美动听、清澄透明、细腻圆润、温暖甜美。低频在三对管时显得厚实,弹性十足.多对并联解决了K1058/J162低频不足的弱点,该款的低频表现相当满意。中音段乐器质感,深度,厚度和力度的表现更是无与伦比。本机发出的是一种清晰透时的声音,瞬态响应极佳,能听到许多大功率三极管没有的细节,其声音珠圆玉润,令人陶醉......... 听了LME49830配日立场管K1058/J162的感觉,不想再折腾了!同时也感谢王兄的大力支持! ![]() 岁月如歌,音乐永恒。精神上的富有才是真的富有,心的快乐才是真正的快乐。喜欢音响,是一种幸运;热爱音乐,是一种幸福,更是一种快乐。因为有了音乐,生活才会更加美好;因为玩音响,人生才会更加多姿多彩,心灵也因有了音乐才更充实,那美好的声音真的是源于心灵的追求!
![]() 电压正负30V.未级电流350MA.散热片是两块连一起的,所以才加拿10MM的铜板均热 反馈电解电容220UF/35V用的日本尼尔康nichicon FW系列电容,声音通透清澈,声底干净利落,层次好,低频紧凑,高频有穿透力,比ELNA过之而无不及! 输入用的RIFA EVOX薄膜电容(2.7uf/400V) 在烧友们的鼓动下,说E牛比R牛声好,这不花355元/只又牵回两头400W大E牛,还带个牛罩,上图看看,特订做的,中间带屏蔽层接地,初级220V加正负百分之五抽头.适合高低不同电压.
![]() ![]() ![]() 双E牛被装进机了,为了接地折腾一下午,终于搞好,JC-2前级被撤出,电位器开最大也没有一点噪音,音质相当满意!听着太舒服了!
正因爱好音乐!正因为追求不断!正因为论坛太毒!人就发烧了!高烧不退!这不,再做王兄的带缓冲与保护LME49830推K1058/J162,强大的电源PCB板是孙兄的,天南地北寄元件又动工了,红色的意大利电容映入眼帘,让人心动!整齐的30A肖特基快恢复整流管并联接成双桥双绕组整流,动力充沛!拿在手里象笔计本电脑一样重! 上图看看吧!订做的崇州恒达630W带屏蔽一体化封装环牛正在生产中!![]() ![]() 工作之余,带缓冲的LME49830板子元件基本焊好,上图看看 那大散热板攻丝咋都不行,不知么弄的!无奈之余想出一超好主意,先用5MM钻花打好孔,再用支撑板子的那种带丝小铜柱钉进去,非常合适,又紧密又方便快捷,不过得注意一点,在用锤子敲进去时,一要先上一小锣杆进去并拧紧,二要用木块垫着锤,不然锤进去了弄不好罗杆上不进去了,因为尺寸蛮紧!![]()
![]() 板子都做好了,这回还是想把那漂亮的uv电平表装上,驱动电路也已做好!大伙瞧瞧!
![]() 因年终工作较忙,一直未装好,临近年关了,赶紧搞齐,放假好欣赏音乐!面板改造了加表头,上下板及后底板自已加工喷漆,没做精!装好后试听,声音相当不错!加了缓冲声音更醇厚,温暖!真的不是瞎吹!音质特别爽!!!兄弟们瞧瞧!欢迎指正! ![]()
![]()
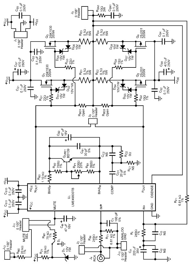
lme49830: 美国国家半导体公司(National Semiconductor Corporation)宣布该公司的高保真度LME音频放大器系列再添加两款新品。这两款200V的单声道音频功率放大器输入级新品,不但失真率低于同类竞争产品,而且还为设计者缩短系统设计周期。这两款高度集成的单芯片放大器输入级可以极大的加速高端电子消费产品和专业音响产品的上市速度,并可广泛应用于录播室有源监视器和超低音扬声器、音频/视频接收器、商用音效增强系统、非原厂汽车音响系统、专业级混音器、分布式音频及吉他放大器等。此外,这两款产品也适用于多种不同的工业系统,例如失真必须极低的高电压电子产品。 LME49830芯片可驱动多种不同的MOSFET,其中包括采用标准及低阈值电压的一类MOSFET。这款芯片可以驱动输出级,将高达500W以上的单端输出功率输入8-Ohm 负载。LME49830芯片的输出电流高达60mA,让系统设计工程师有较大的空间挑选最适用的输出级配置,有助于提高系统设计的灵活性。此外,这款芯片的压摆率高达40V/us,电源抑制比(PSRR)高达115dB,输出电压噪声则只有41uV,而且适用于+/-20V至+/-100V 的广阔电压范围。 ![]() 基于东芝2SK1530/2SJ201 MOSFET 200V VDSS |









上图看看吧!订做的崇州恒达630W带屏蔽一体化封装环牛正在生产中!

那大散热板攻丝咋都不行,不知么弄的!无奈之余想出一超好主意,先用5MM钻花打好孔,再用支撑板子的那种带丝小铜柱钉进去,非常合适,又紧密又方便快捷,不过得注意一点,在用锤子敲进去时,一要先上一小锣杆进去并拧紧,二要用木块垫着锤,不然锤进去了弄不好罗杆上不进去了,因为尺寸蛮紧!



















