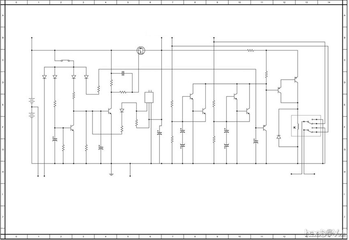
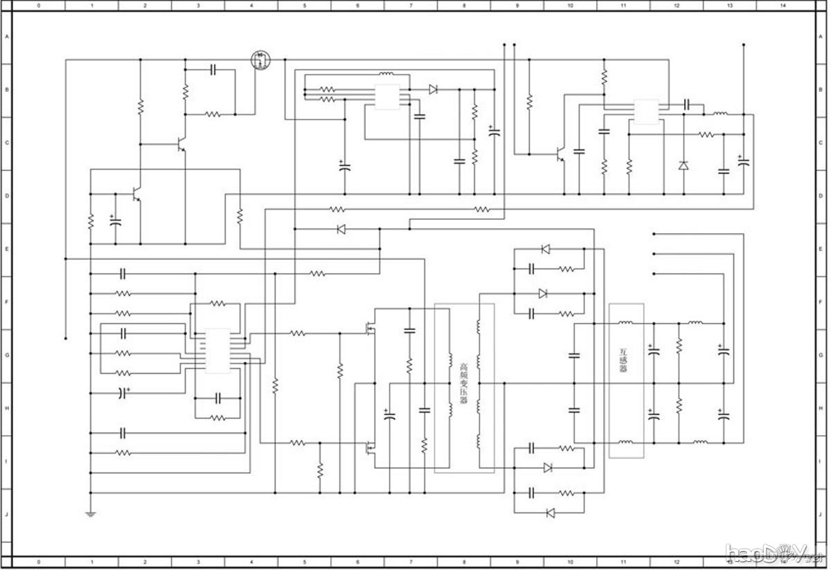
![]() 按钮开关+欠压自动关机电路+耳机保护 长按3-5秒开机,长按6秒以上关机,本电路包含欠压自动关机电路。 ![]() 耳放辅助升压及主升压供电电路+外置5V输出稳压电路(作为移动电源使用)+输出切换电路 ![]() 稳压电路+仿拜亚动力A1耳放电路(有所修改) 完成后的照片: ![]() 整体图 前面图:输入口、音量电位器、输出口 背后图:充电输入(移动电源输出)、电源开关(没开孔,使用原来的孔就是好,自己用小锉刀开的很难看)、外置输出指示灯 内部整图 特写:前面板打开后 特写:稳压电路 特写:升压电路 特写:输出及滤波 特写:右声道BD139/140及导热铜(由于铜表面没做过处理,已经氧化很严重,回头再处理下) 特写:左声道BD139/140、导热铜及升压后电源输入、耳机保护供电 特写:升压后的CLC滤波 特写:供电用了透明特氟龙镀银线、升压电路 特写:输入及名片(做的不是很好看^_^) 测量:右声道中点直流输出0.3mV 测量:左声道中点直流输出0.1mV 测量:作为移动电源时输出4.99V 测量:升压并稳压后给耳放供电-14.38V 测量:升压并稳压后给耳放供电+14.41V 听:DIY实际上是享受做的过程,听是其次,但是做了一点效果都没有,那就没什么意思了。 这里我只能大概的说一下:使用后声场有所变宽,低音有所下潜。(没什么好的条件,我用的是AKG 240MKⅡ,买这个心已经在哭泣了。。。。) 我不会说声音有多少多少好,毕竟对于DIY来说自己做的东西永远是“最好”的,至于声音的好坏嘛,每个人都是相对主观的,喜欢就好,真正要评价的话也只有去拿其他的机子做比较,或者用仪器测量,目前我还没那个条件。 另外,虽然使用了开关电源升压,但是没有丝毫的干扰声,打开耳放,耳机里的声音跟没打开耳放一样安静。 部分参数: 电源电压:两节锂电池6V-8.4V 持航时间:耳放持航4小时;作为外置移动电源1A输出时,也是4小时左右 外置输出(给手机充电等使用)电压及电流:5V 2A(Max:3A) 给耳放电路供电电压:±14.4V 输出中点直流电压:0mV-5mV*(中点电压基本上由运放决定,测量时用的运放为OPA2227,目前测试了几种运放中,其中一片OP275中点最高4.7mV[不是所有的275都高的],所以参数最高栏写了5mV) 耳机保护继电器动作起跳保护电压:0.5V-0.6V 温度:开机半小时左右,温度保持稳定,以现在冬天的气温,外壳温度大概在10-15度,比我手暖些,相信夏天可能会到30度 做完了锂电池的耳放,充电器当然也是必不可少的。本充电器充电时间为4小时。 拆了一个已经不用了的路由器电源,盒子尺寸刚好,但是相对于耳放来说大了一点,以后有机会改成开关电源的(左边已经装在里面的是已经做好了的充电电路,右边那个带整流电路的变压器及一个依娜滤波电容是原来的电源)。 换上去的变压器锈了!!! 原本想所有的PCB都自己手工制作,但由于时间关系,用了快现成的双锂电池平衡充电路,充电时间4小时。 给平衡充电路做的稳压电路,稳压后输出12.06V。 装的两个充电及充满指示的LED,有点丑,不对,应该是非常丑^_^! 完成,充电,不过绿灯亮,已充满了 盖子打开
and N X6 and AKG 240MKⅡ
(责任编辑:admin) |







(责任编辑:admin)













