最好的电子音响科技diy制作网站

haoDIY_音响电子电脑科技DIY小制作发明

当前位置: 主页 > 音响DIY > 胆机DIY > 后级DIY >

一个人的战斗-------初次装胆机6n8p+300B单端胆机开工

时间:2012-10-06 10:29来源:hifidiy.net论坛 作者:ts8051 点击:
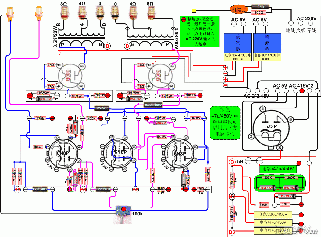
头一回装胆机,手上只有一张图,没有这张图任何细节,也不想讨论这张图的来历 在论坛上研究了一段时间 今天300B终于开工了 计划分三步走: 1 一天的时间完成金工(今天忙乎了大半天,完成) 2 两天时间完成搭棚 3 留一天时间试机 废话少说 直接上图 我自己画
头一回装胆机,手上只有一张图,没有这张图任何细节,也不想讨论这张图的来历
在论坛上研究了一段时间 今天300B终于开工了
计划分三步走:
1 一天的时间完成金工(今天忙乎了大半天,完成)
2 两天时间完成搭棚
3 留一天时间试机
废话少说 直接上图

一个人的战斗-------初次装胆机6n8p+300B单端胆机开工

我自己画得搭棚图:
一个人的战斗-------初次装胆机6n8p+300B单端胆机开工

机器布局图:

一个人的战斗-------初次装胆机6n8p+300B单端胆机开工
底板图:
一个人的战斗-------初次装胆机6n8p+300B单端胆机开工




准备的部分元器件:
一个人的战斗-------初次装胆机6n8p+300B单端胆机开工

今天完成机箱的金工/大件的定位,下周及下下周六日各抽一天完成搭棚,论坛哪位XD有好的想法请及时通知我一声,多谢多谢
铝板开孔用的手工液压开孔,迅速便捷,效果见上图,北京的XD如果想借用找我即可 ^_^

一个人的战斗-------初次装胆机6n8p+300B单端胆机开工



一个人的战斗-------初次装胆机6n8p+300B单端胆机开工

1 阴极电阻手上还有大功率的水泥电阻,现在用的这个电阻和大红袍是否搭配说句实话我心里也没底,没弄过,装机时候再试试
2 电容的选用没啥讲究,都是随便买的,只是听说BG的声音甜美,所以买了两对,但是能不能出好声也不一定 以前买过一台EL34推挽,胆友自制,全部是普通元器件,但是声音非常好,这次装机的时候
把各种搭配试试看看效果如何


今天有点时间 完成一点电源和棚架
顺便怀一下旧,下图中带散热的桥堆,是20年前广州念书的时候在陶街买的,^_^。
一个人的战斗-------初次装胆机6n8p+300B单端胆机开工

上张牛群合影,其实这套牛中任何一个站着&趴着都可以,调整非常灵活方便
一个人的战斗-------初次装胆机6n8p+300B单端胆机开工

又做了一点电源部分,调了输出牛,待完成全部棚架及上面元器件的固定后 正式开始搭棚
一个人的战斗-------初次装胆机6n8p+300B单端胆机开工

最近事情多,安装进度缓慢

一个人的战斗-------初次装胆机6n8p+300B单端胆机开工

最近事情多,没时间弄这东西,大概完成了85%
一个人的战斗-------初次装胆机6n8p+300B单端胆机开工
一个人的战斗-------初次装胆机6n8p+300B单端胆机开工
下载 (91.19 KB)
2011-3-24 16:36


顺便问一下 哪位XD能有办法让图中那块锡融的好点,烙铁功率不够,不行弄得和狗啃的一样


初步完成 过几天抽空检查线路线缆上电
一个人的战斗-------初次装胆机6n8p+300B单端胆机开工

昨晚检查电路无误后,加电 试了几个小时

声音甜美 尤其在听人声的时候
低音略有不足,比不上我的甲类结实有力,这点以后有空的时候在调整
这几天试了一下在300b直流灯丝电源输出的滤波电容上又并了一个飞利浦15000U的电容,低音立现

正是应了那句话 胆机在于美,甲机在于力
机器反映速度超快,远超过我以前从别人手里买过的EL34B推挽

噪音:
静如深海 一滴噪音也无 与电路和我采用星形一点接地有直接关系
有空的时候上几张图片,给我的300B攒机之旅划上句号


夜景:
一个人的战斗-------初次装胆机6n8p+300B单端胆机开工

正面照:


一个人的战斗-------初次装胆机6n8p+300B单端胆机开工

一:关于300B管子  5V整流供电:
1、是石整流直流供电?是
2、整流桥的规格(楼主的那两个再哪里买的,非常靓,淘宝搜不到)?这个5A以上桥堆就行,不用非得找一样的
3、整流桥是AC 5V两脚进,DC直流±两脚出,一共四个角。 16V 4700U电容连那两个脚?有无正负?(再并一个10000u的电容好理解,与16V  4700U并联即可?  10000u电容也是 16V规格吗?) 一个电容还是两个电容要自己决定的,电解电容是有正负的 (责任编辑:admin)
织梦二维码生成器
顶一下
(1)
100%
踩一下
(0)
0%
------分隔线----------------------------
发表评论
请自觉遵守互联网相关的政策法规,严禁发布色情、暴力、反动的言论。
评价:
表情:
用户名: 验证码:点击我更换图片
栏目列表
推荐内容