最好的电子音响科技diy制作网站

haoDIY_音响电子电脑科技DIY小制作发明

当前位置: 主页 > 音响DIY > 胆机DIY > 后级DIY >

为 TSM-300度身定做的12au7+12bh7+6CA7(el34)推挽胆机开工(2)

时间:2012-10-17 10:05来源:hifidiy.net论坛 作者:天外飞仙 点击:
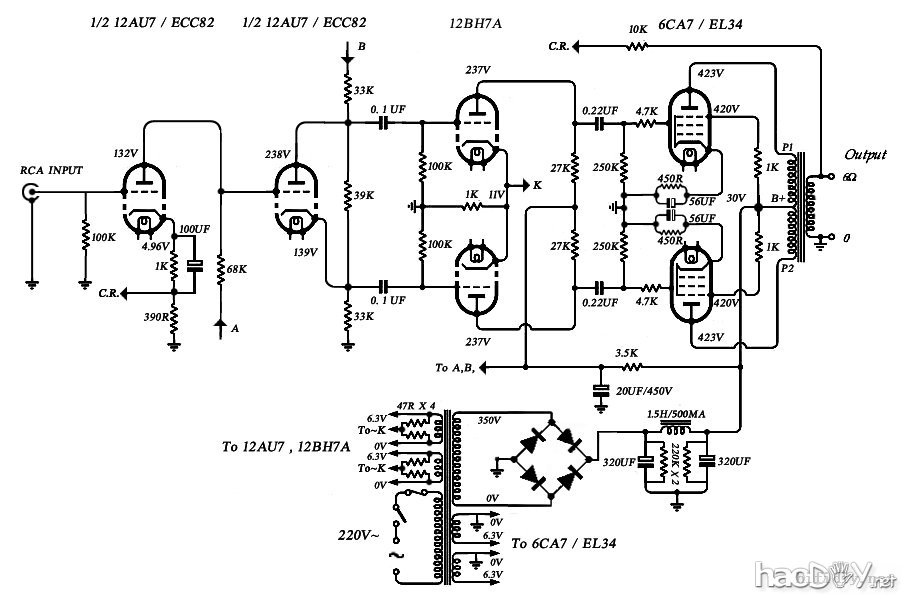
下载 (114.35 KB) 2012-6-27 12:53 下载 (128.42 KB) 2012-6-27 12:53 下载 (137.23 KB) 2012-6-27 12:53 下载 (128.67 KB) 2012-6-27 12:53 补上线路图: 线路图电源部分灯丝接法,U7,H7灯丝抽头接两只47R电阻,
下载 (114.35 KB)
2012-6-27 12:53


为 TSM-300度身定做的12au7+12bh7+6CA7(el34)推挽胆机开工

为 TSM-300度身定做的12au7+12bh7+6CA7(el34)推挽胆机开工

为 TSM-300度身定做的12au7+12bh7+6CA7(el34)推挽胆机开工

为 TSM-300度身定做的12au7+12bh7+6CA7(el34)推挽胆机开工

补上线路图:

为 TSM-300度身定做的12au7+12bh7+6CA7(el34)推挽胆机开工

线路图电源部分灯丝接法,U7,H7灯丝抽头接两只47R电阻,代替电位器,中点至H7阴极(K点)再通过阴极电阻下地, 缓解倒相级阴极和灯丝间过高电压,形成灯丝对阴极正偏压,减低灯丝漏电噪声。特氟龙和西门子的结合,声音耐听度有待观察,如不合适会更换!

在听取各方意见和实际听感后,遂对线路进行了大改造,线路程式变为:12B4A放大+12AT7长尾倒相兼推动+6CA7,级数变少,零件的变动也颇大。以下为改过线路后的内部图,主滤波换成了较小容量的美国化工220UF/500V,一方面耐压比较安全,另一方面也是出于声音的考虑,原来用过BHC 680UF/450V。菲利浦640UF/450V,CDE 320UF/450V,声音都略显慢和低音拖尾,现更换数值更小的,声音会干净和速度快一点,音质松化程度也改善不少。退耦电容第一级为35UF,倒相级47UF,都是实际试听后才决定的数值,讯号线也更换为更高级的品种,本来想左右声道各用一条,无奈此线又粗又硬,很难驯服,就用一条来完成,所幸声音分隔度比之前的要高出几班,这个改动是值得的。在后面的日子里,会将关键的几个电阻也改为比较好的品种,但先用便宜的来确定精确工作点后的阻值,再更换,这样不会造成浪费和金钱损失。

为 TSM-300度身定做的12au7+12bh7+6CA7(el34)推挽胆机开工

为 TSM-300度身定做的12au7+12bh7+6CA7(el34)推挽胆机开工

为 TSM-300度身定做的12au7+12bh7+6CA7(el34)推挽胆机开工

为 TSM-300度身定做的12au7+12bh7+6CA7(el34)推挽胆机开工

12B4A屏阻为1K,一般取值5倍左右,但实际上很多人取6---10K,并且用大功率线绕电阻会好声。听感好过屏阴分割线路,透明度和线条肌理都更清晰!



为 TSM-300度身定做的12au7+12bh7+6CA7(el34)推挽胆机开工

为 TSM-300度身定做的12au7+12bh7+6CA7(el34)推挽胆机开工

为 TSM-300度身定做的12au7+12bh7+6CA7(el34)推挽胆机开工 (责任编辑:admin)
织梦二维码生成器
顶一下
(2)
33.3%
踩一下
(4)
66.7%
------分隔线----------------------------
发表评论
请自觉遵守互联网相关的政策法规,严禁发布色情、暴力、反动的言论。
评价:
表情:
用户名: 验证码:点击我更换图片
栏目列表
推荐内容