最好的电子音响科技diy制作网站

haoDIY_音响电子电脑科技DIY小制作发明

当前位置: 主页 > 音响DIY > 功放DIY > 后级DIY >

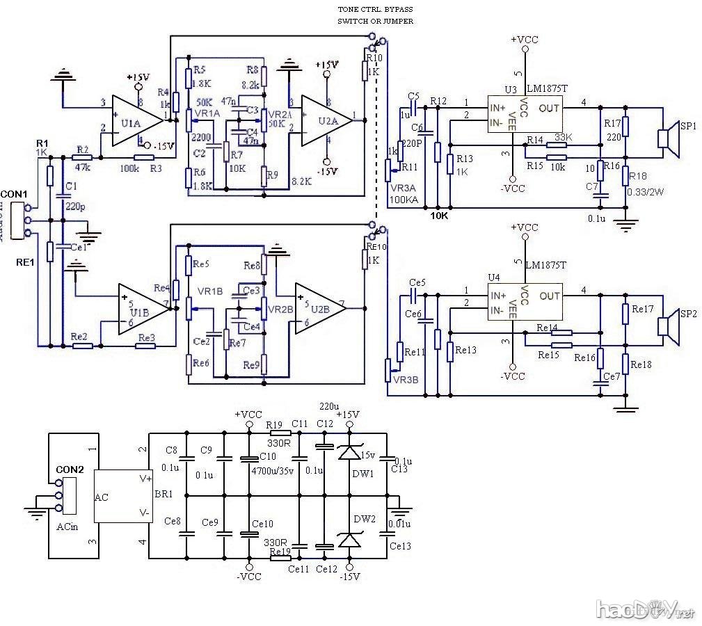
纯手工刻制懒猫的带音调LM1875功放板

时间:2012-10-01 17:54来源:hifidiy.net论坛 作者:DAWEIZLW 点击:
纯手工刻制懒猫的带音调LM1875功放板 在此感谢台北坛友 懒猫提供原理图及PCB图 此板为纯手工刻板 第一块送给 北京坛友 石头蛋子 下载 (8.26 KB) 2010-10-21 09:56 这种锋钢锯条现在不好找了
纯手工刻制懒猫的带音调LM1875功放板

在此感谢台北坛友 懒猫  提供原理图及PCB图

此板为纯手工刻板

第一块送给 北京坛友 石头蛋子

纯手工刻制懒猫的带音调LM1875功放板

纯手工刻制懒猫的带音调LM1875功放板

纯手工刻制懒猫的带音调LM1875功放板

纯手工刻制懒猫的带音调LM1875功放板

纯手工刻制懒猫的带音调LM1875功放板

纯手工刻制懒猫的带音调LM1875功放板
这种锋钢锯条现在不好找了

纯手工刻制懒猫的带音调LM1875功放板
原装LM1875T 单声道发烧级功放板 音箱功放机pcb制作diy套件散件
¥9.00

(责任编辑:admin)
织梦二维码生成器
顶一下
(2)
100%
踩一下
(0)
0%
------分隔线----------------------------
发表评论
请自觉遵守互联网相关的政策法规,严禁发布色情、暴力、反动的言论。
评价:
表情:
用户名: 验证码:点击我更换图片
栏目列表
推荐内容