|
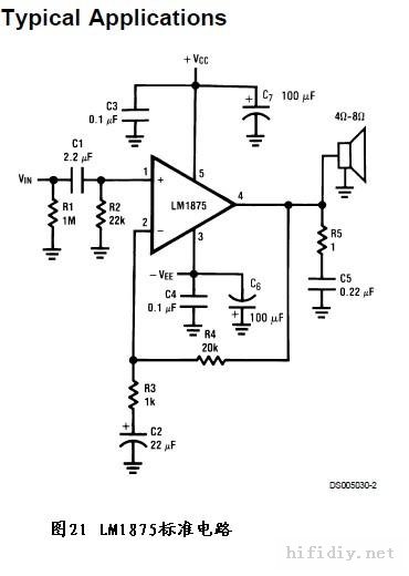
压摆高意味着大功率输出时有较小的高频失真,这几个芯片中LM3886具有最大的压摆率。 SR公式还可以帮助我们验算数据手册中的功率带宽数据有没有水份。比如。LM4766有个输出电压摆幅与输出信号频率关系曲线(如图13所示)。可以看到,LM4766的功率带宽有90 kHz以上,但用SR公式计算得到的功率带宽是71 kHz,再从图13中左下角的说明,THD<10%。其原因就在于此,90 kHz时输出20V电压已经严重失真了,这个曲线有水份。 ![]() 4、 电源抑制比 该数据的意思是对电源波动的抑制能力,数值越高越好。这个参数恐怕不大引人注意,也很少有人提到它,实际上这个参数很大程度上影响到了器件的表现。数据手册里面单独列出的数据一般是100 Hz时正电源的电源抑制比,100 Hz时的电源抑制比看起来很高,所以即使用最简单的整流电源,芯片的输出端也不会有交流声出现。不过电源抑制比(特别是负电源抑制比)从芯片极点频率(几十Hz)开始随着频率升高程6dB的斜率降低,因此电源中的高频噪声会串入到输出端,造成听感变坏。加上功率IC是大电流元件,电源回路很小的阻抗就能带来比较大的电压变化,所以电源的退耦、布线就变得非常重要了。这也是为什么更换电源的滤波电容、退耦电容能明显改变声音的原因。 从表1中可以看出国半的芯片都具有很高的电源抑制比,而ST的TDA7293、TDA7294只有可怜的75dB,比LM3886低了45dB,相当于差200倍。这也是可以解释TDA7293、TDA7294高频失真为什么比较高的原因。 由于负电源的抑制比相比正电源差得多,如图14所示,因此单电源的OTL电路往往会给人意外的惊喜。这是因为负电源成了地线,负电源的变化被取消了,而正电源的抑制比在很大的频率范围内保持很高,电源的杂音比 很好的抑制了的原故。图15是LM4766的单电源标准图。 ![]() ![]() 5、 输出电流 大家都知道功放的输出电流能力非常重要,因为音箱是一个复杂的负载,标称8欧姆的音箱,最低阻抗可能低至4欧姆甚至更低。推这样的音箱,输出电流小的功放就会脚软,通常表现为低频下潜差,量感少或者量感多却发混。在输出电流能力上,大多数IC放大器与分立元件功放确实有距离。单个大功率管的最大可输出电流一般在10A,而LM1875和LM4766仅能输出4A。TDA7293和TDA7294的6.5A输出电流还算可以,推欧姆的音箱还能胜任。LM3886是个例外,10A的电流输出能力与分立元件功放的大功率管相当,推荐电压(±28V)下驱动4欧姆的音箱也足够了,只有一些特别大食的音箱才会难倒它。 好在这些IC的价格很低,比一对大功率管的价格还低,我们可以采用多片关联的方式来成倍提高输出电流能力。比如JeffRowland采用LM3886的功放,就是3片关联的BTL电路,每声道6片,可以把4欧姆的大食音箱推得服服帖帖。 TDA7293更是内置了多片关联功能,可以直接多片关联而不需要均流电阻。详见后文功率IC的并联。 6、 开环增益、单位增益带宽 在数据手册里写明的开环增益是直流开环增益。开环增益是在低于极点频率时大致保持平直,在极点频率下降3dB,然后随着频率增加经每倍频程-6 dB的斜率下降。增益下降到0 dB时候的频率就是单位增益带宽。 开环增益与极点频率有关,但厂商不会明确告诉你极点频率是多少Hz。不过我们可以通过开环增益与单位增益带宽来推算出极点频率,计算方法很简单。其公式为 极点频率=单位增益带宽/开环增益 根据表1数据可以推算出LM4766的极点频率为14 Hz,LM1875的极点频率为174 Hz。 图16和图17分别是LM4766和LM1875的开环增益和相移曲线。看到了吗?LM4766与LM3886的曲线几乎一模一样,因为其内部电路基本是一样的。 ![]() ![]() LM1875数据手册里面的开环增益图很奇怪,是单位增益附近的增益相位图,应该是厂商想让大家看得更清楚一些闭环后LM1875的相位裕量,如图18所示。可以看到,如果把LM1875接成跟随器,相位裕是不是为0,这是不稳定的,所以LM1875的数据手册中特别注明LM1875的放大倍数不能小于10倍(20dB)。LM4776与LM3886的相位裕量略小于LM875,数据手册里推荐的放大倍数为20倍。笔者试过LM3886用于10倍放大,仍然是稳定的。 TDA7293与TDA7294的数据手册里面没有开环增益曲线,边单位增益带宽数据也没有,显然厂商不想让大家看到这个曲线,因为有了单位增益带宽与开环增益,我们可以通过极点频率计算公式来算出极点频率,继而复原出开环增益曲线。对于这样一个重要的参数,厂商避而不谈,这意味着什么? 一般认为较高的开环增益,闭环后饼反馈较深,有助于降低闭环失真。因为随着频率升高,开环增益归结为小了,因此借负反馈低失真的会很好。这也是TDA7293与TDA7294的高频失真比较大的又一个原因。 7、 输入偏流、输入失调电压、输入失调电流 对音频功率放大器来说,这几个参数最主要影响的是静态中点偏移电压。如果负反馈回路上有直流负反馈电容,那么可以不关心这几个参数。LM1875数据手册里面就没有这几个参数。这几个芯片的标准电路都含有直流负反馈电容。不过,这个电容对音质的负面影响是明显的,短路这些电容就变成了一个直流放大器,音质会明显提高。要是你想做一个直流放大器的话,就必须考虑这几个参数的影响,一般来说要注意以下两点: (1)输入偏置电阻越小则放大倍数越小,中点偏移也越小。但输入偏置电阻不能无限小,对于同相放大电路来说,输入偏置电阻决定了输入阻抗,因此一般不能低于10k,放大倍数也不能随意减小,不然会造成寄生振荡甚至自激。详见后面的应用注意事项。 (2)选择合适的电阻使得正负输入端阻抗相等可以得到较小的中点偏移,并且温漂也较小,如图19中取R1=R4=1k,R2=R3=20k,这个直流放大电路的中点偏移不会大于50mV。 如果要求中点偏移很低,比如多芯片并联,那么要加上图20的调零电路。 ![]() 三、应用注意事项 1、标准电路 所谓的标准电路就是数据手册上提供的电路。按照标准电路制作,用料不差的话声音也过得去。图21~图25就是这几个IC的标准电路。 TDA7293和TDA7294的标准电路里面的静音与待机开关是分开的这使实际应用中比较麻烦,因为这两个芯片的的静音与待机信号是有先后顺序要求的。不仅是这两个信号,对电源也是有要求的。数据手册中给出了各个信号的顺序图,如图26所示,但未注明如果不按照这样的顺序会有什么结果。从用户反馈的信息可以肯定顺序出错的话会导致芯片烧毁。 TDA7293、TDA7294的数据手册里另外给出了一个用开关控制待机、静音信号的电路,保证了待机、静音信号的顺序正确,建议大家采用这个电路,如图27所示。 TDA7293、TDA7294还有一点未在手册中提及,不注意的话会烧毁芯片。我们看到,TDA7293、TDA7294的电压放大级供电线路脚与输出级供电脚是分开的,因此有人尝试在输出级与电压放大级之间加一个RC滤波,期待获得更好的音质,但结果总是一开机就烧毁芯片。这是因为TDA7293、TDA7294要求电压放大级的供电电压大于电压,但在任何时候都不能低于输出级,当加了RC滤波后开机瞬间,电压放大级电压低于输出级电压,必然烧毁芯片。 ![]() ![]()
(责任编辑:admin) |











(责任编辑:admin)






















